GM Service Manual Online
For 1990-2009 cars only

DTC P0742 TCC System Stuck On Gas


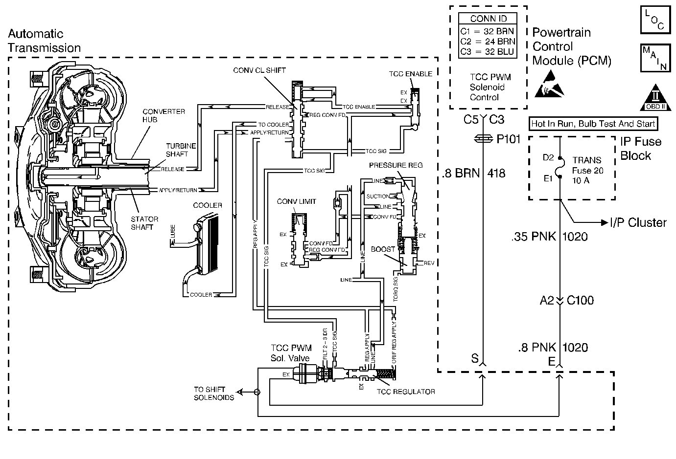
Object Number: 354549  Size: MF
Automatic Transmission Components Gas
Automatic Transmission Controls Schematics Gas
OBD II Symbol Description Notice
Handling ESD Sensitive Parts Notice

Circuit Description

The vehicle control module (VCM) energizes the torque converter clutch pulse width modulated (TCC PWM) solenoid valve by grounding circuit 418. This blocks the exhaust for TCC signal fluid and allows filtered 2-3 drive fluid to feed the TCC signal circuit. When the vehicle's operating conditions are appropriate for TCC application, the VCM begins the TCC duty cycle to approximately 30%. This allows TCC signal fluid pressure to move the converter clutch shift valve into the apply position and direct regulated apply fluid to the torque converter. The VCM then increases (ramps) the duty cycle to approximately 60%, where regulated apply fluid pressure, applies the converter clutch. The vehicle application determines the TCC apply rate. Once the TCC applies, the duty cycle immediately increases to approximately 70% to achieve full apply pressure, in the regulated apply fluid circuit.

The TCC PWM solenoid valve is de-energized by the VCM opening circuit 418. This action allows the TCC signal fluid to exhaust through the solenoid and blocks filtered 2-3 drive fluid from entering the TCC signal circuit. The loss of fluid pressure in the TCC signal circuit releases the TCC.

If the VCM detects low TCC slip when the TCC is commanded OFF, then DTC P0742 sets. DTC P0742 is a type D DTC. For California emissions vehicles DTC P0742 is a type B DTC.

Conditions for Running the DTC

    • No MAP sensor DTCs P0106, P0107, or P0108.
    • No TP sensor DTCs P0121, P0122 or P0123.
    • No OSS DTCs P0502 or P0503.
    • No ISS DTCs P0716 or P0717.
    • No TCC DTCs P0741 or P1860.
    • No TFP manual valve position switch DTC P1810.
    • Engine speed is 900-4,700 RPM.
    • The engine torque must be 75 N·m (60 lb ft) to:
       - 500 N·m (400 lb ft) 5.7L
       - 625 N·m (500 lb ft) 7.4L
    • No TFP manual valve position switch change within 5.0 seconds.
    • The TFP manual valve position switch must indicate D4, for at least 10 seconds.
    • The commanded gear must be 2nd, 3rd, or 4th.
    • Engine speed is 900-4,700 RPM.
    • The throttle position (TP) is 12%-100%.
    • Vehicle speed is 7-75 MPH.

Conditions for Setting the DTC

    • The TCC slip speed must be -10 to +10 RPM for at least 4.0 seconds.
    • All conditions met for 7 occurrences (7.4L, 4 occurrences).

Action Taken When the DTC Sets

    • The VCM illuminates the malfunction indicator lamp (MIL) for California emissions vehicles.
    • The VCM commands maximum line pressure.
    • The VCM freezes shift adapts.
    • The VCM stores DTC P0742 in VCM history.

Conditions for Clearing the MIL/DTC

    • For California emissions, the VCM turns OFF the MIL during the third consecutive trip in which the diagnostic test runs and passes.
    • A scan tool clears the DTC from VCM history.
    • For California emissions, the VCM clears the DTC from VCM history if the vehicle completes 40 consecutive warm-up cycles without an emission related diagnostic fault occurring.
    • For Federal emissions, the VCM clears the DTC from VCM history if the vehicle completes 40 consecutive warm-up cycles without a non-emission related diagnostic fault occurring.
    • The VCM cancels the DTC default actions when the fault no longer exists and the ignition switch is OFF long enough in order to power down the VCM.

Diagnostic Aids

    • If the TCC is mechanically stuck ON with the parking brake applied and any gear range selected, the TCC fluid mechanically applies the TCC. TCC fluid mechanically applying the TCC can cause an engine stall.
    • A stuck TP sensor may set a DTC P0742.
    • First diagnose and clear any engine DTCs or TP sensor codes that are present. Then inspect for any transmission DTCs that may have reset.

Test Description

The numbers below refer to the step numbers on the diagnostic table.

  1. This step tests the mechanical state of the TCC. When the VCM commands the TCC solenoid OFF, the slip speed should increase.

P0742

Step

Action

Value(s)

Yes

No

1

Was the Powertrain On-Board Diagnostic (OBD) System Check performed?

--

Go to Step 2

Go to Powertrain On Board Diagnostic (OBD) System Check (4.3L) or Powertrain On Board Diagnostic (OBD) System Check (5.7L) or Powertrain On Board Diagnostic (OBD) System Check (7.4L)

2

  1. Install the Scan Tool .
  2. With the engine OFF, turn the ignition switch to the RUN position.
  3. Important: Before clearing the DTCs, use the scan tool in order to record the Freeze Frame and Failure Records. Using the Clear Info function erases the Freeze Frame and Failure Records from the VCM.

  4. Record the Freeze Frame and Failure Records.
  5. Clear the DTCs.
  6. Select Scan Tool TP angle and TP sensor.
  7. Apply the accelerator pedal.

Are the TP sensor values within the specified range?

0.2-0.9 volts at 0% to 4.5 volts at 100%

Go to Step 3

Go to Diagnostic Aids

3

Drive the vehicle in the D4 drive range in fourth gear under steady acceleration with a TP sensor angle greater than 12%.

Does the scan tool display a TCC slip speed of -10 to +10 RPM while the displayed TCC duty cycle is 0%?

--

Go to Step 4

Go to Diagnostic Aids

4

The TCC is mechanically stuck ON.

Perform the following inspections:

  1. Inspect the exhaust orifice in the TCC PWM solenoid valve for any clogging.
  2. Inspect the converter clutch apply valve for the possibility of being stuck in the apply position.
  3. Inspect the valve body gasket for misalignment or damage.
  4. Inspect for a restricted release or apply passage.
  5. Inspect for restricted transmission cooler line.
  6. Refer to Symptom Diagnosis TCC Stuck On.

Was the condition found?

--

Go to Step 5

--

5

Perform the following procedure in order to verify the repair:

  1. Select DTC.
  2. Select Clear Info.
  3. Operate the vehicle under the following conditions:
  4. • Operate the vehicle in D4 with the TCC duty cycle 0% and throttle above 12%.
    • Ensure that the TCC slip speed is greater than 175 RPM for 6 seconds.
  5. Select Specific DTC.
  6. Enter DTC P0742.

Has the test run and passed?

--

System OK

Go to Step 1

DTC P0742 TCC System Stuck On Diesel


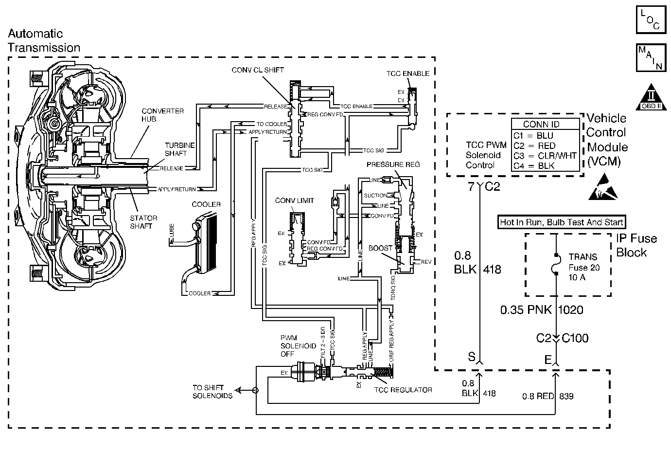
Object Number: 357412  Size: MF
Automatic Transmission Components Diesel
Automatic Transmission Controls Schematics Diesel
OBD II Symbol Description Notice
Handling ESD Sensitive Parts Notice

Circuit Description

The powertrain control module (PCM) energizes the torque converter clutch pulse width modulated (TCC PWM) solenoid valve by grounding circuit 418. This blocks the exhaust for TCC signal fluid and allows filtered 2-3 drive fluid to feed the TCC signal circuit. When the vehicle's operating conditions are appropriate for TCC application, the PCM begins the TCC duty cycle to approximately 30%. This allows TCC signal fluid pressure to move the converter clutch shift valve into the apply position and direct regulated apply fluid to the torque converter. The PCM then increases (ramps) the duty cycle to approximately 60%, where regulated apply fluid pressure, applies the converter clutch. The vehicle application determines the TCC apply rate. Once the TCC applies, the duty cycle immediately increases to approximately 70% to achieve full apply pressure, in the regulated apply fluid circuit.

The TCC PWM solenoid valve is de-energized by the PCM opening circuit 418. This action allows the TCC signal fluid to exhaust through the solenoid and blocks filtered 2-3 drive fluid from entering the TCC signal circuit. The loss of fluid pressure in the TCC signal circuit releases the TCC.

If the PCM detects LOW TCC slip when the TCC is commanded OFF, then DTC P0742 sets. DTC P0742 is a type B DTC.

Conditions for Running the DTC

The following conditions occur once per TCC cycle two consecutive times:

    • No MAP sensor DTCs P0106, P0107, or P0108.
    • No A/T ISS sensor DTCs P0716 or P0717.
    • No TCC stuck on DTC P0741.
    • No OSS sensor DTCs P0722 or P0723.
    • No TFP manual valve position switch DTC P1810
    • No TCC PWM solenoid valve DTC P1860.
    • The engine speed is less than 3,300 RPM.
    • The engine must run more than 475 RPM for greater than 7 seconds.
    • System voltage is 8.0-18.0 volts.
    • The engine torque must be 176-645 N·m (130-475 lb ft).
    • The gear range is D4.
    • The commanded gear must be 2nd, 3rd, or 4th.
    • The APP angle must be greater than 15%.

Conditions for Setting the DTC

    • The TCC slip speed must be -10 to +10 RPM for at least 3 seconds.
    • All conditions for Setting the DTC are met for 4 occurrences.

Action Taken When the DTC Sets

    • The PCM illuminates the malfunction indicator lamp (MIL).
    • The PCM commands maximum line pressure.
    • The PCM freezes shift adapts.
    • The PCM stores DTC P0742 in PCM history.

Conditions for Clearing the MIL/DTC

    • For Federal and California emissions, the PCM turns OFF the MIL during the third consecutive trip in which the diagnostic test runs and passes.
    • A scan tool clears the DTC from PCM history.
    • For Federal and California emissions, the PCM clears the DTC from PCM history if the vehicle completes 40 consecutive warm-up cycles without an emission related diagnostic fault occurring.
    • For vehicles equal to or greater than 15,000 lbs GVW, the PCM clears the DTC from PCM history if the vehicle completes 40 consecutive warm-up cycles without a non-emission related diagnostic fault occurring.
    • The PCM cancels the DTC default actions when the fault no longer exists and the ignition switch is OFF long enough in order to power down the PCM.

Diagnostic Aids

    • If the TCC is mechanically stuck ON with the parking brake applied and any gear range selected, the TCC fluid mechanically applies the TCC. TCC fluid mechanically applying the TCC can cause an engine stall.
    • A stuck or skewed APP sensor may set DTC P0742.
    • First diagnose and clear any engine DTCs that are present. Then inspect for any transmission DTCs that may have reset.

Test Description

The numbers below refer to the step numbers on the diagnostic table.

  1. This step tests the mechanical state of the TCC. When the PCM commands the TCC solenoid OFF, the slip speed should increase.

P0742

Step

Action

Value(s)

Yes

No

1

Was the Powertrain On-Board Diagnostic (OBD) System Check performed?

--

Go to Step 2

Go to Powertrain On Board Diagnostic (OBD) System Check

2

  1. Install the Scan Tool .
  2. With the engine OFF, turn the ignition switch to the RUN position.
  3. Important: Before clearing the DTCs, use the scan tool in order to record the Freeze Frame and Failure Records. Using the Clear Info function erases the Freeze Frame and Failure Records from the PCM.

  4. Record the Freeze Frame and Failure Records.
  5. Clear the DTC.
  6. Verify the APP sensor operation. Use the scan tool.

Are the APP angle values within the specified range?

0% at Closed Throttle

100% at Wide Open Throttle (WOT)

Go to Step 3

Go to Diagnostic Aids

3

Drive the vehicle in the D4 drive range in fourth gear under steady acceleration with a APP angle greater than 15%.

Does the scan tool display a TCC Slip Speed of -10 to +10 RPM while the displayed TCC Duty Cycle is 0%?

--

Go to Step 4

Go to Diagnostic Aids

4

The TCC is mechanically stuck ON.

Perform the following inspections:

  1. Inspect the exhaust orifice in the TCC PWM solenoid valve for any clogging.
  2. Inspect the converter clutch shift valve for the possibility of being stuck in the apply position.
  3. Inspect the valve body gasket for misalignment or damage.
  4. Inspect for a restricted release or apply passage.
  5. Inspect for a restricted transmission cooler line.
  6. Refer to Symptom Diagnosis TCC Stuck On.

Was the condition corrected?

--

Go to Step 5

--

5

Perform the following procedure in order to verify the repair:

  1. Select DTC.
  2. Select Clear Info.
  3. Operate the vehicle under the following conditions:
  4. • Operate the vehicle in D4 with the TCC OFF and APP angle above 15%.
    • Ensure that the TCC slip speed is 175-1,500 RPM for 3 seconds.
  5. Select Specific DTC.
  6. Enter DTC P0742.

Has the test run and passed?

--

System OK

Go to Step 1