GM Service Manual Online
For 1990-2009 cars only
Makes
🢒
Chevrolet
🢒
2000
🢒
Express
🢒
Body and Accessories
🢒
Seats
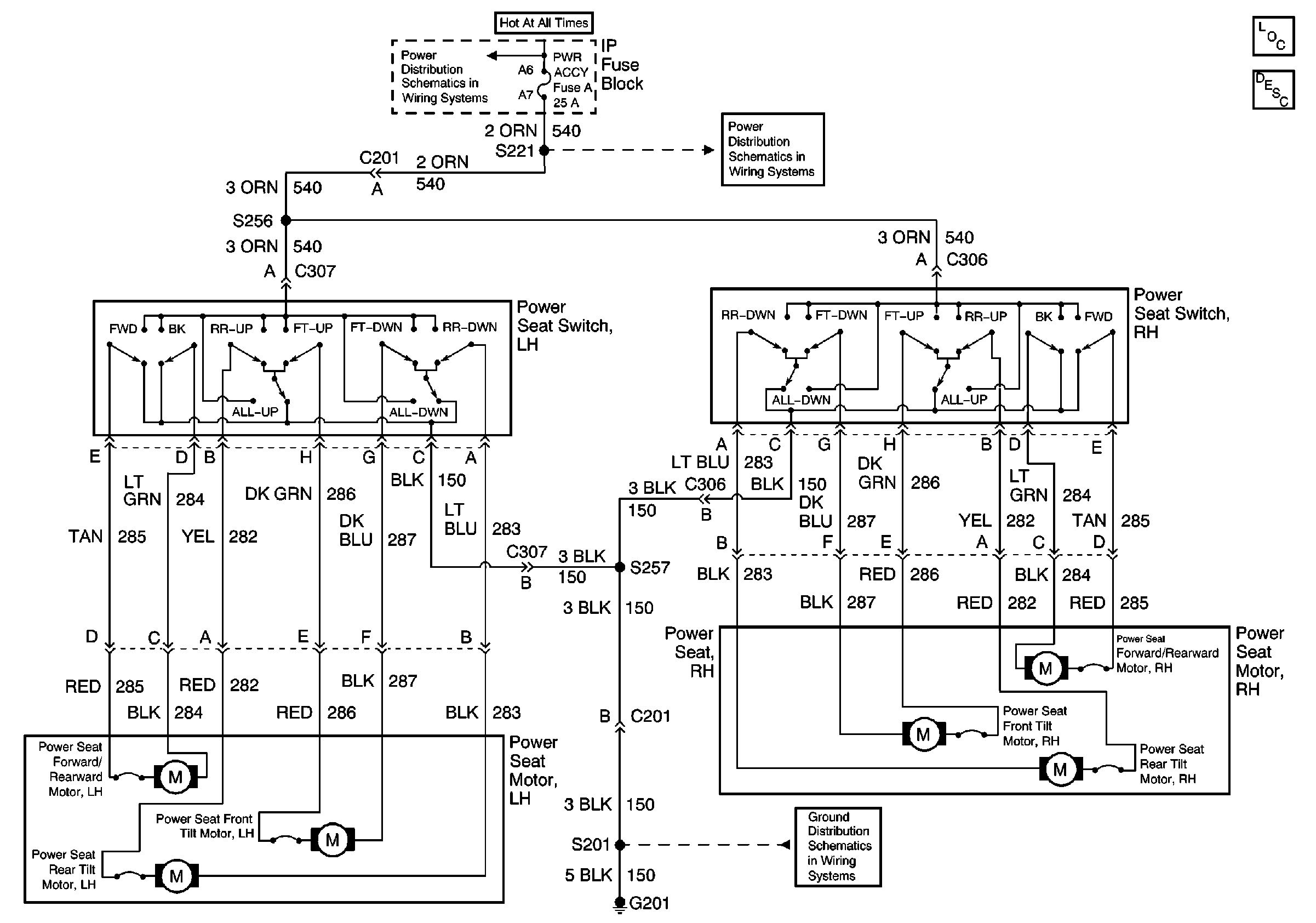
🢒 Power Seats Schematics
Power Seat Systems Components
Power Seats Circuit Description
LIGHTING and BATT Fuses
G201