GM Service Manual Online
For 1990-2009 cars only
Makes
🢒
Chevrolet
🢒
2000
🢒
Express
🢒 Engine Sensors
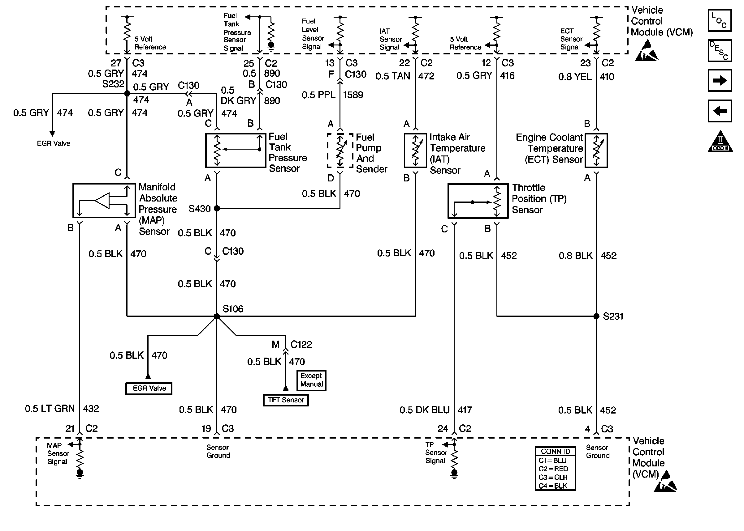
Engine Sensors
Engine Sensors
VCM Connector End Views
OBD II Symbol Description Notice
Fuel Injector Controls
Heated Oxygen Sensors