GM Service Manual Online
For 1990-2009 cars only
Makes
🢒
Chevrolet
🢒
2000
🢒
Express
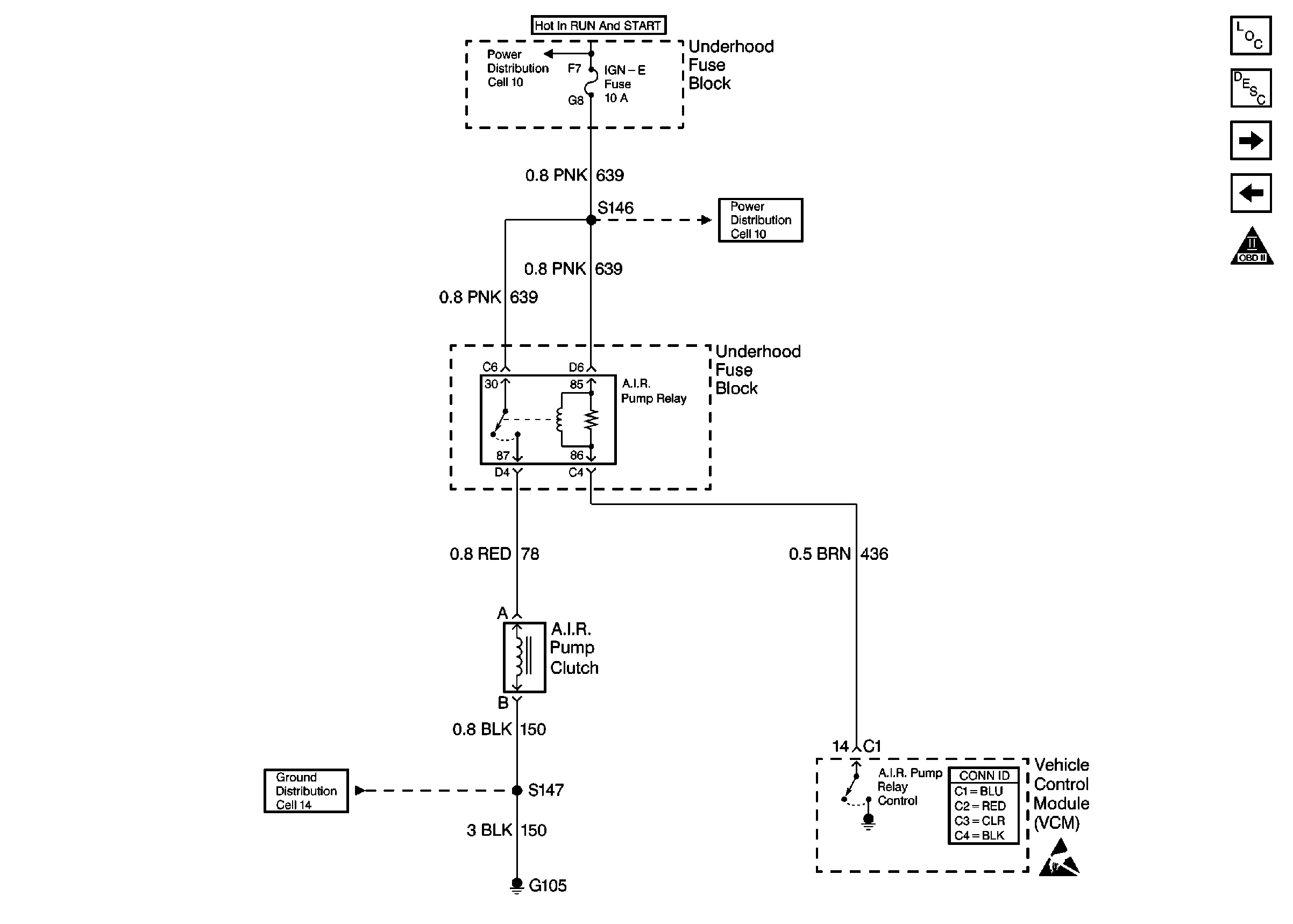
🢒 VCM, Underhood Fuse Relay Center
VCM, Underhood Fuse Relay Center
VCM, Underhood Fuse Relay Center