GM Service Manual Online
For 1990-2009 cars only
Makes
🢒
Chevrolet
🢒
2000
🢒
Express
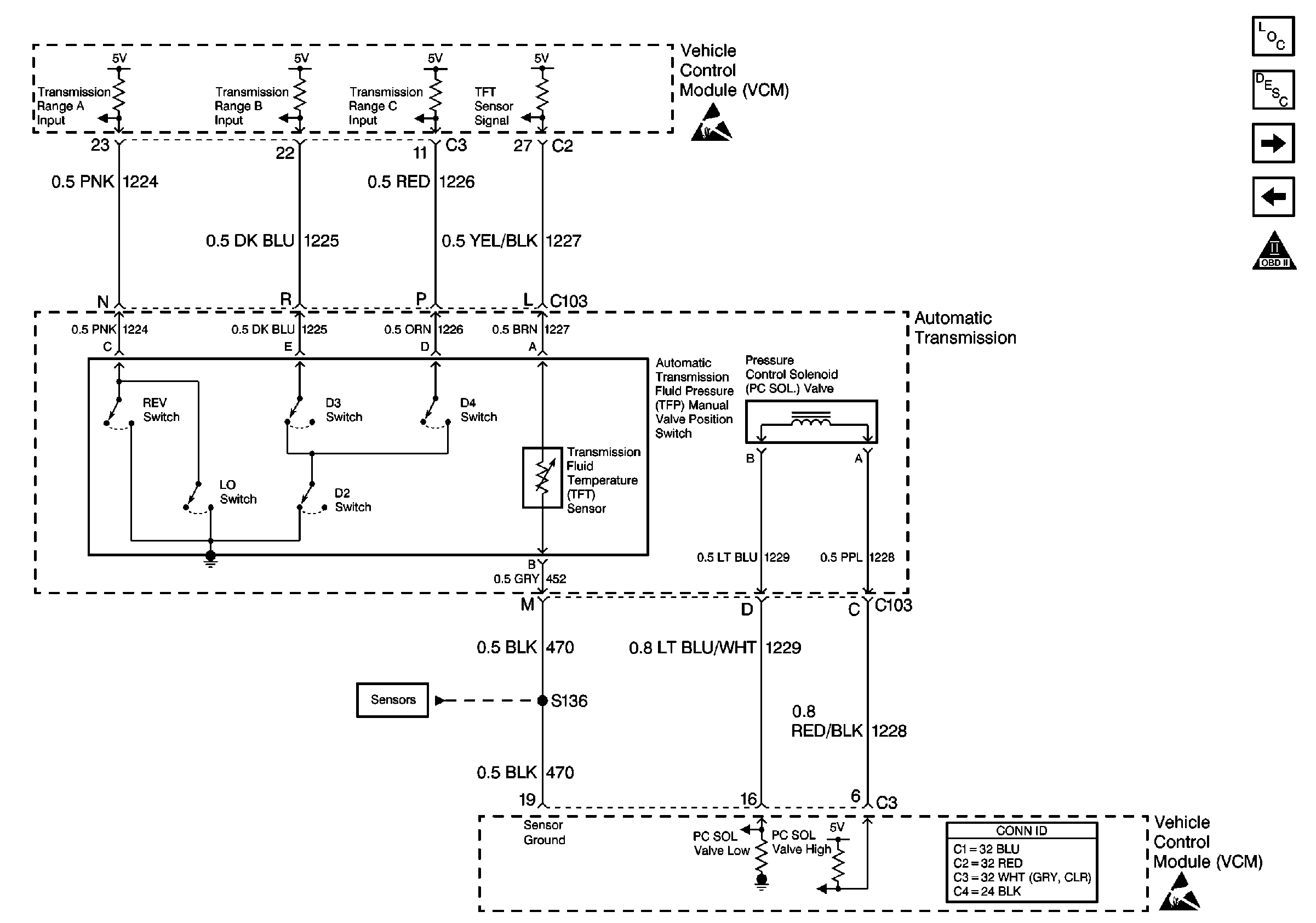
🢒 4L60-E Transmission Switch Controls
4L60-E Transmission Switch Controls
4L60-E Transmission Switch Controls
Engine Controls Components
Vehicle Control Module Description
4L80-E Transmission Solenoid Controls
4L60-E Transmission Solenoid Controls
OBD II Symbol Description Notice
Sensor Controls: MAP, Fuel Tank Pressure Sensor, IAT, TP Sensor, ECT
Handling ESD Sensitive Parts Notice
Handling ESD Sensitive Parts Notice