GM Service Manual Online
For 1990-2009 cars only
Makes
🢒
Chevrolet
🢒
2000
🢒
Express
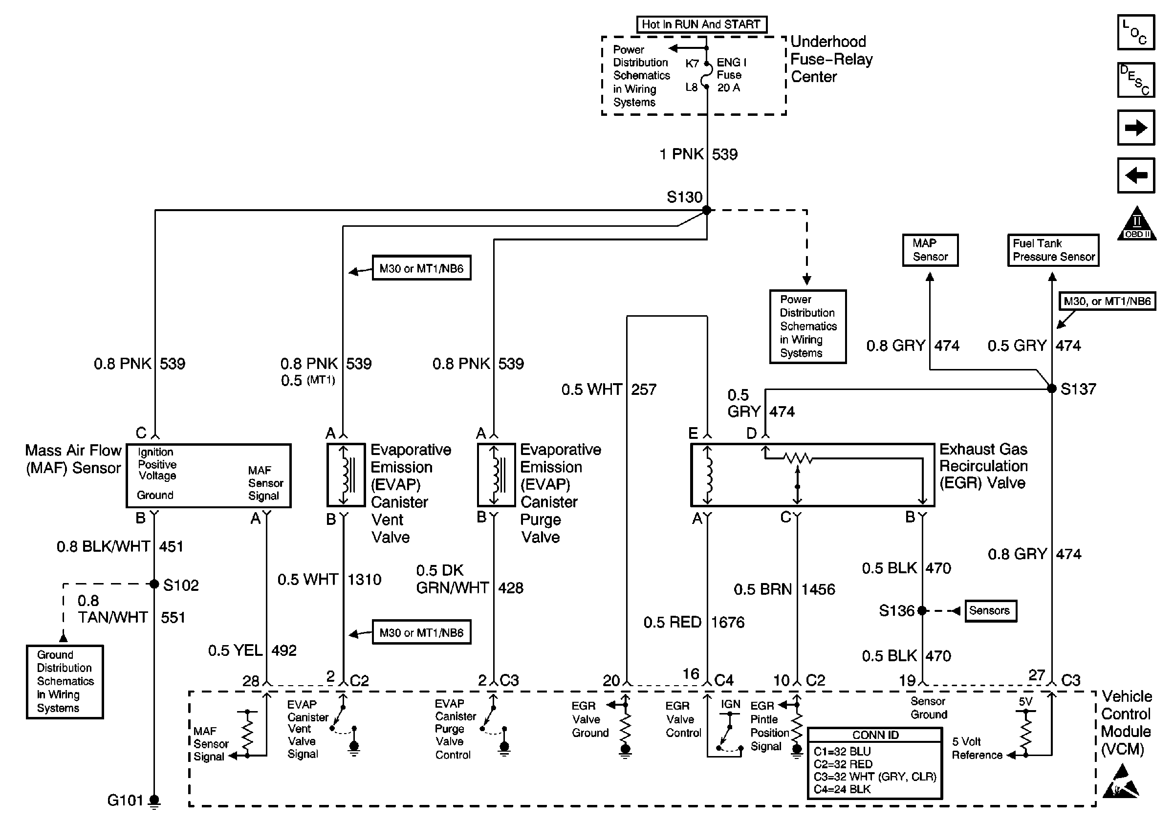
🢒 Sensor Controls: MAF, EGR, and EVAP
Sensor Controls: MAF, EGR, and EVAP
Sensor Controls: MAF, EGR, and EVAP
Engine Controls Components
Vehicle Control Module Description
Sensor Controls: Heated Oxygen Sensor (5.0L, 5.7L with 4L60-E)
Sensor Controls: MAP, Fuel Tank Pressure Sensor, IAT, TP Sensor, ECT
OBD II Symbol Description Notice
IGN A, IGN B Fuses, and Ignition Switch
ENG 1 Fuse (4.3L, 5.0L, and 5.7L)
G101 (Gasoline Engines)
Sensor Controls: MAP, Fuel Tank Pressure Sensor, IAT, TP Sensor, ECT
Sensor Controls: MAP, Fuel Tank Pressure Sensor, IAT, TP Sensor, ECT
Sensor Controls: MAP, Fuel Tank Pressure Sensor, IAT, TP Sensor, ECT
Handling ESD Sensitive Parts Notice