GM Service Manual Online
For 1990-2009 cars only
Makes
🢒
Chevrolet
🢒
2000
🢒
Express
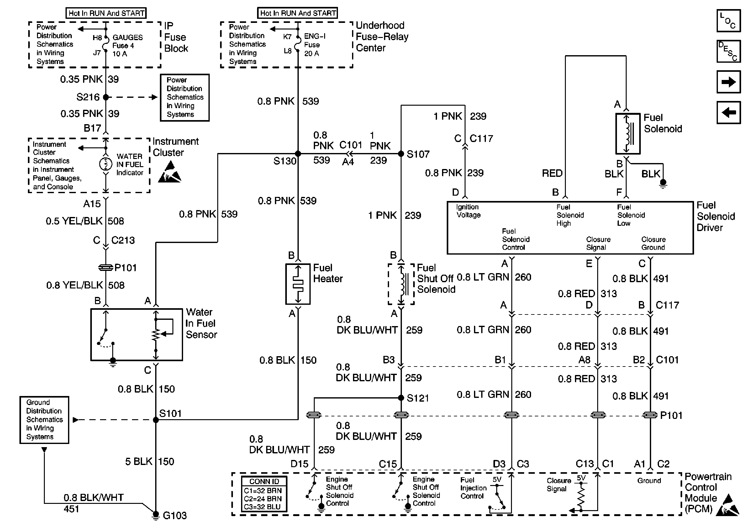
🢒 Fuel Solenoid Controls, Water-in-fuel Sensor
Fuel Solenoid Controls, Water-in-fuel Sensor
Fuel Solenoid Controls, Water-in-fuel Sensor
Engine Controls Components
Powertrain Control Module Description
Fuel Temperature Controls, ITS Motor
Fuel Pump Controls
IGN A, IGN B Fuses, and Ignition Switch
IGN A, IGN B Fuses, and Ignition Switch
GAUGES Fuse
GAUGES Fuse, WATER-IN-FUEL Indicator Sensor, G103
Handling ESD Sensitive Parts Notice
Handling ESD Sensitive Parts Notice
G103 (6.5L Engine)