GM Service Manual Online
For 1990-2009 cars only
Makes
🢒
Chevrolet
🢒
2000
🢒
Express
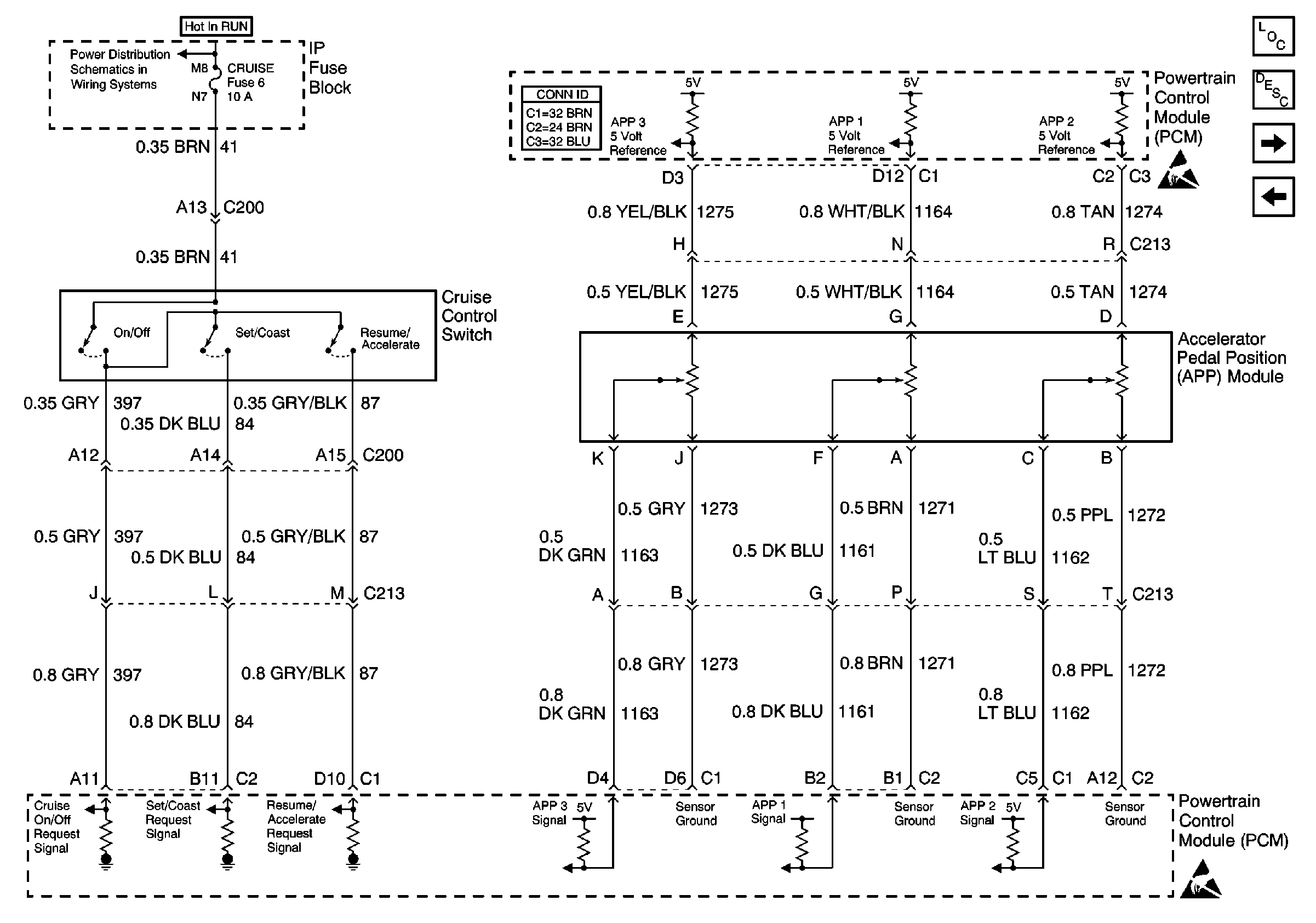
🢒 Cruise Control, APP Module
Cruise Control, APP Module
Cruise Control, APP Module
Engine Controls Components
Powertrain Control Module Description
VSS Controls
Wastegate Controls
IGN A, IGN B Fuses, and Ignition Switch
Handling ESD Sensitive Parts Notice
Handling ESD Sensitive Parts Notice