GM Service Manual Online
For 1990-2009 cars only
Makes
🢒
Chevrolet
🢒
2000
🢒
Express
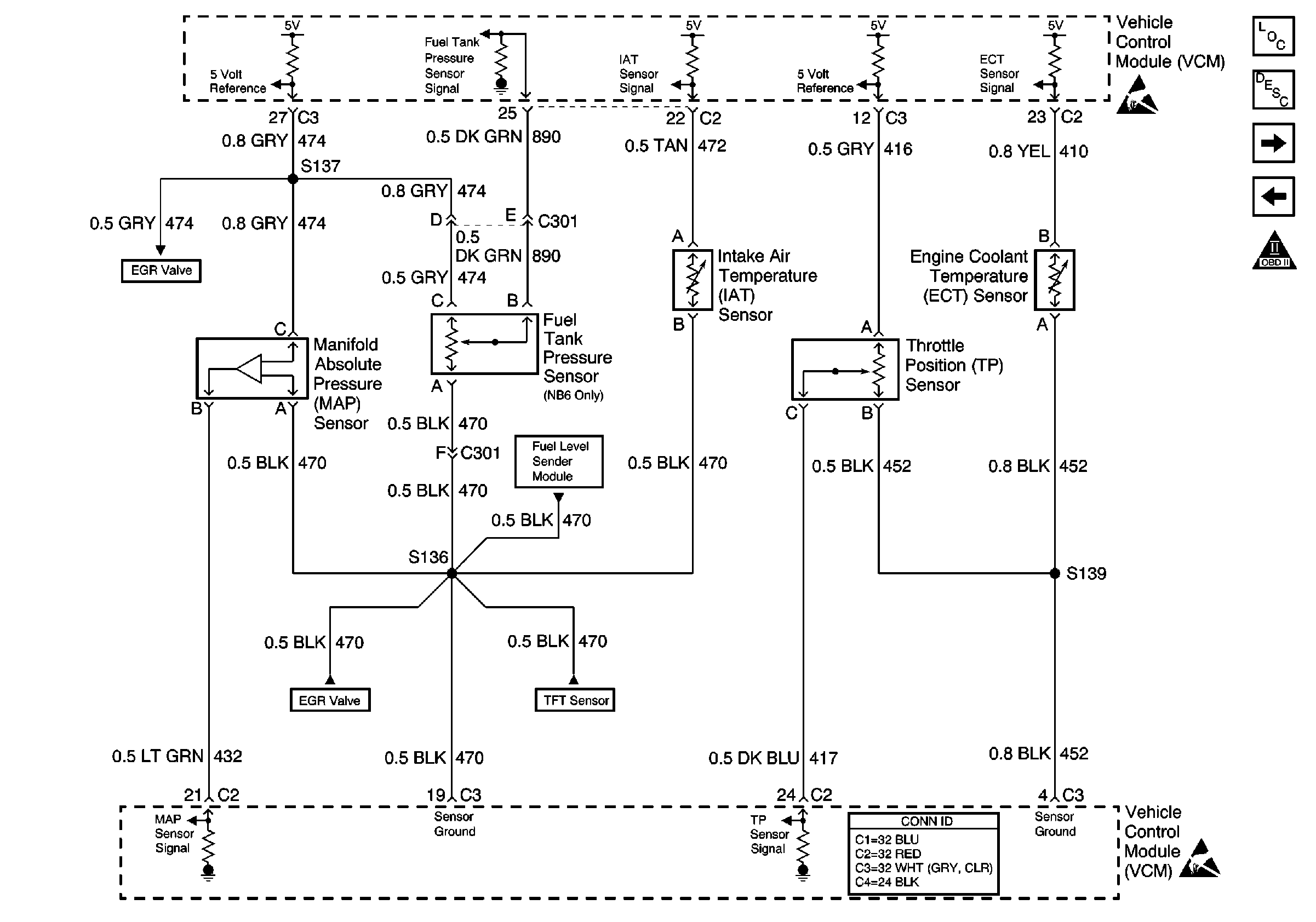
🢒 Sensor Controls: MAP, Fuel Tank Pressure Sensor, IAT, TP Sensor, ECT
Sensor Controls: MAP, Fuel Tank Pressure Sensor, IAT, TP Sensor, ECT
Sensor Controls: MAP, Fuel Tank Pressure Sensor, IAT, TP Sensor, ECT
Engine Controls Components
Vehicle Control Module Description
Sensor Controls: MAF, EGR, and EVAP
Fuel Injector Controls
OBD II Symbol Description Notice
Sensor Controls: MAF, EGR, and EVAP
Sensor Controls: MAF, EGR, and EVAP
Fuel Pump and Sender, Fuel Pump Relay, VCM
4L80-E Transmission Switch Controls
Handling ESD Sensitive Parts Notice
Handling ESD Sensitive Parts Notice