GM Service Manual Online
For 1990-2009 cars only
Makes
🢒
Chevrolet
🢒
2000
🢒
Express
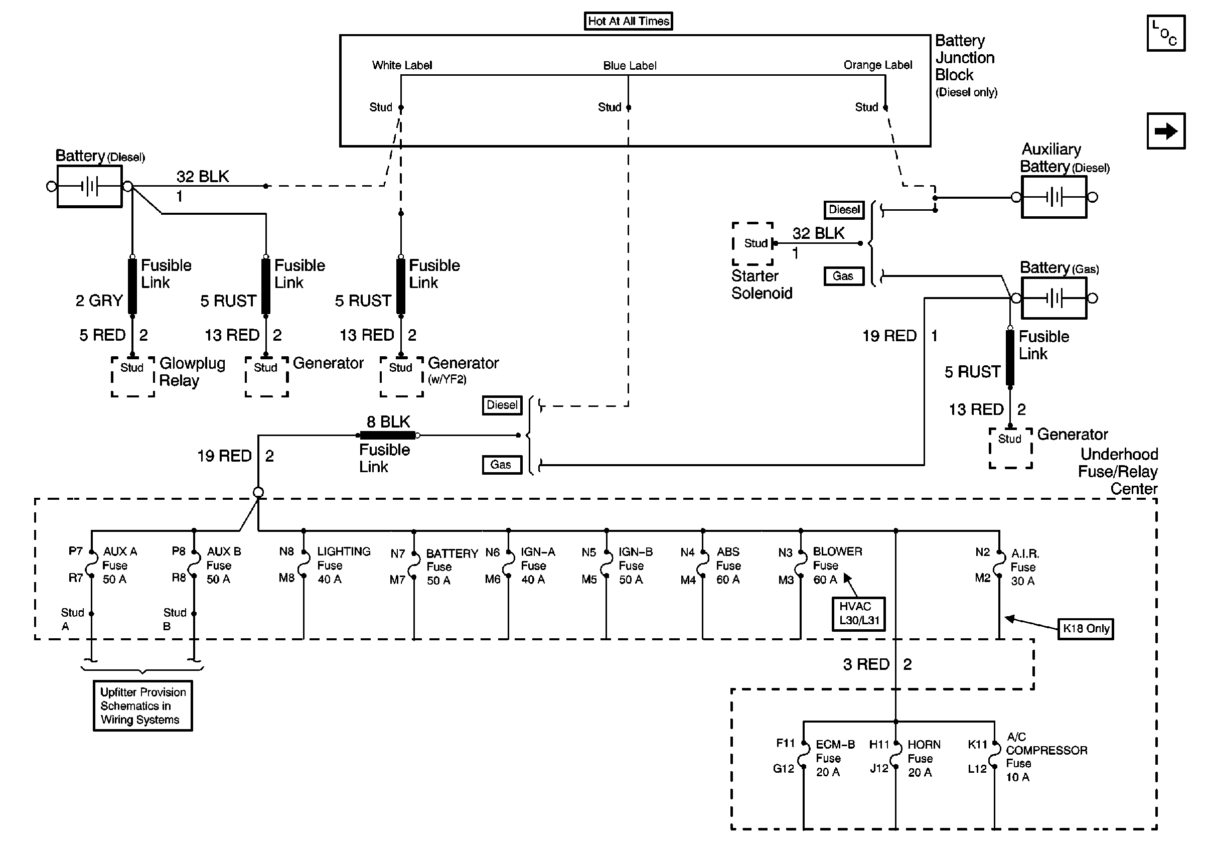
🢒 Battery, Auxiliary Battery, and Underhood Fuse/Relay Center
Battery, Auxiliary Battery, and Underhood Fuse/Relay Center
Battery, Auxiliary Battery, and Underhood Fuse/Relay Center
Power and Grounding Components
LIGHTING and BATT Fuses
RADIO-I, AUX-A, and AUX-B Fuses, Upfitter Provision Relay, G201, andG106