GM Service Manual Online
For 1990-2009 cars only
Makes
🢒
Chevrolet
🢒
2000
🢒
Express
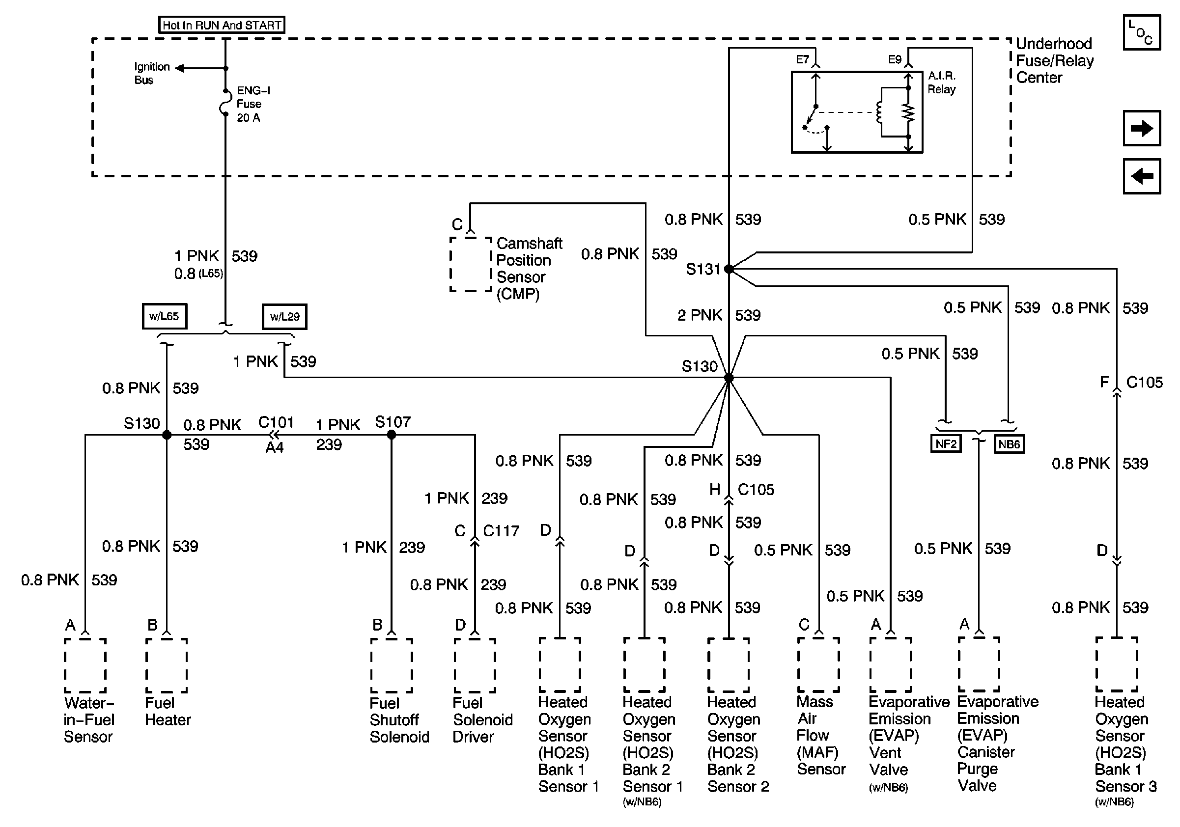
🢒 ENG 1 Fuse (6.5L and 7.4L)
ENG 1 Fuse (6.5L and 7.4L)
ENG 1 Fuse (6.5L and 7.4L)
Power and Grounding Components
ECM 1 and IGN E Fuses (4.3L)
ENG 1 Fuse (4.3L, 5.0L, and 5.7L)
IGN A, IGN B Fuses, and Ignition Switch