GM Service Manual Online
For 1990-2009 cars only
Makes
🢒
Chevrolet
🢒
2000
🢒
Express
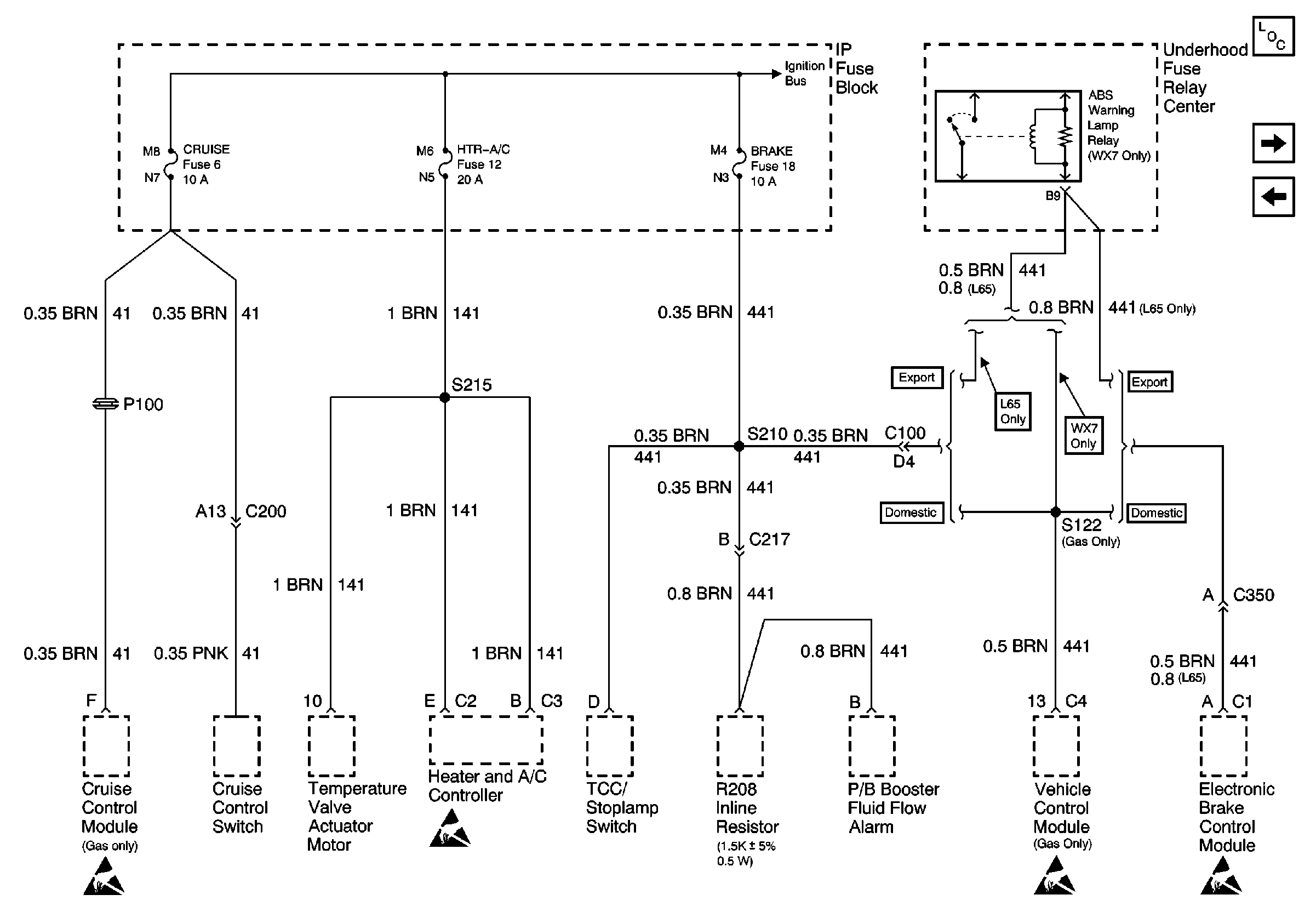
🢒 CRUISE, HTR A/C, and BRAKE Fuses
CRUISE, HTR A/C, and BRAKE Fuses
CRUISE, HTR A/C, and BRAKE Fuses
Power and Grounding Components
RR HVAC Fuse
GAUGES Fuse
Handling ESD Sensitive Parts Notice
Handling ESD Sensitive Parts Notice
Handling ESD Sensitive Parts Notice
Handling ESD Sensitive Parts Notice
IGN A, IGN B Fuses, and Ignition Switch