GM Service Manual Online
For 1990-2009 cars only
Makes
🢒
Chevrolet
🢒
2000
🢒
Express
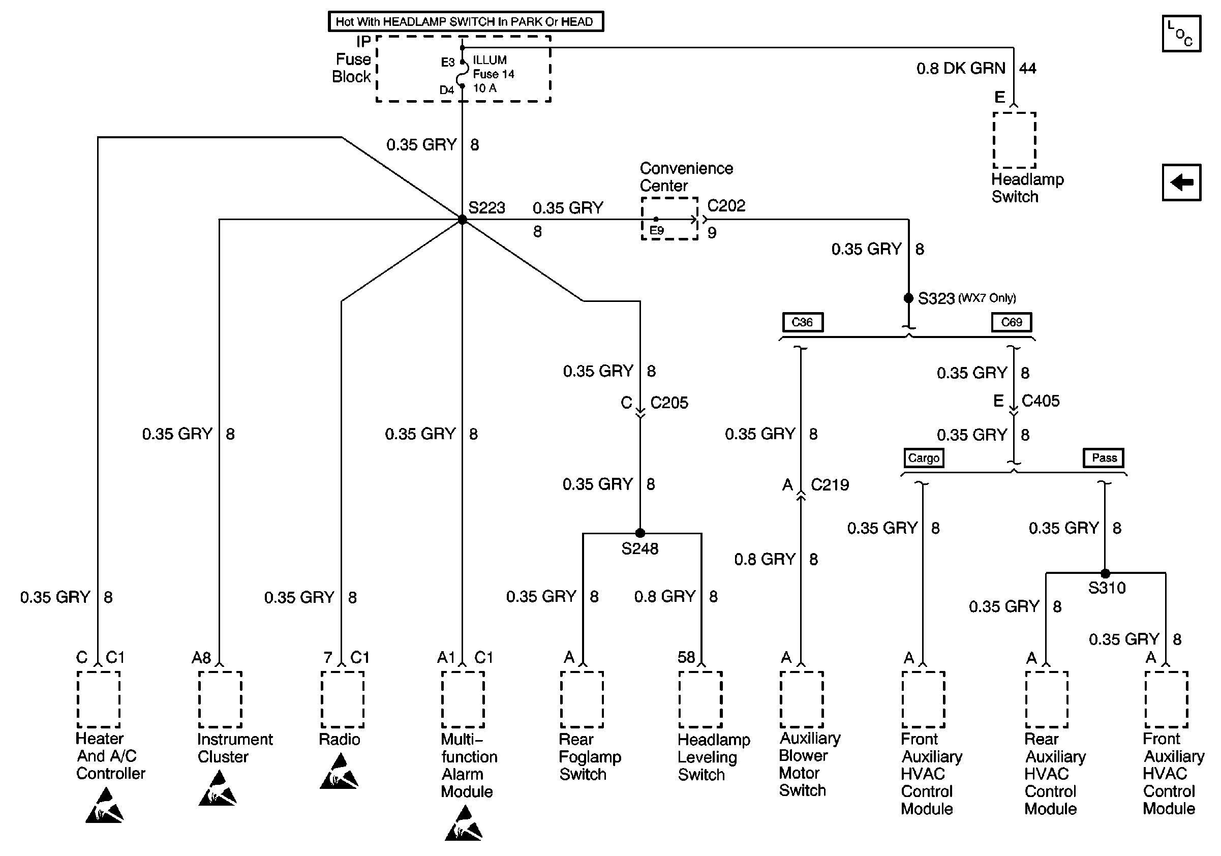
🢒 ILLUM Fuse and Headlamp Switch
ILLUM Fuse and Headlamp Switch
ILLUM Fuse and Headlamp Switch
Power and Grounding Components
RR HVAC Fuse
Handling ESD Sensitive Parts Notice
Handling ESD Sensitive Parts Notice
Handling ESD Sensitive Parts Notice
Handling ESD Sensitive Parts Notice