GM Service Manual Online
For 1990-2009 cars only
Makes
🢒
Chevrolet
🢒
2000
🢒
Express
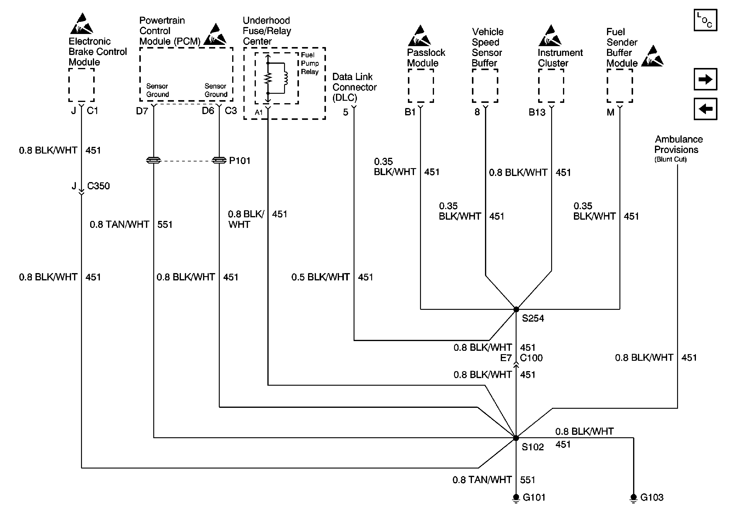
🢒 G101 (Diesel Engine)
G101 (Diesel Engine)
G101 (Diesel Engine)
Power and Grounding Components
G103 (4.3L, 5.0L, and 5.7L Engines)
G101 (Gasoline Engines)
Handling ESD Sensitive Parts Notice
Handling ESD Sensitive Parts Notice
Handling ESD Sensitive Parts Notice
Handling ESD Sensitive Parts Notice
Handling ESD Sensitive Parts Notice