GM Service Manual Online
For 1990-2009 cars only

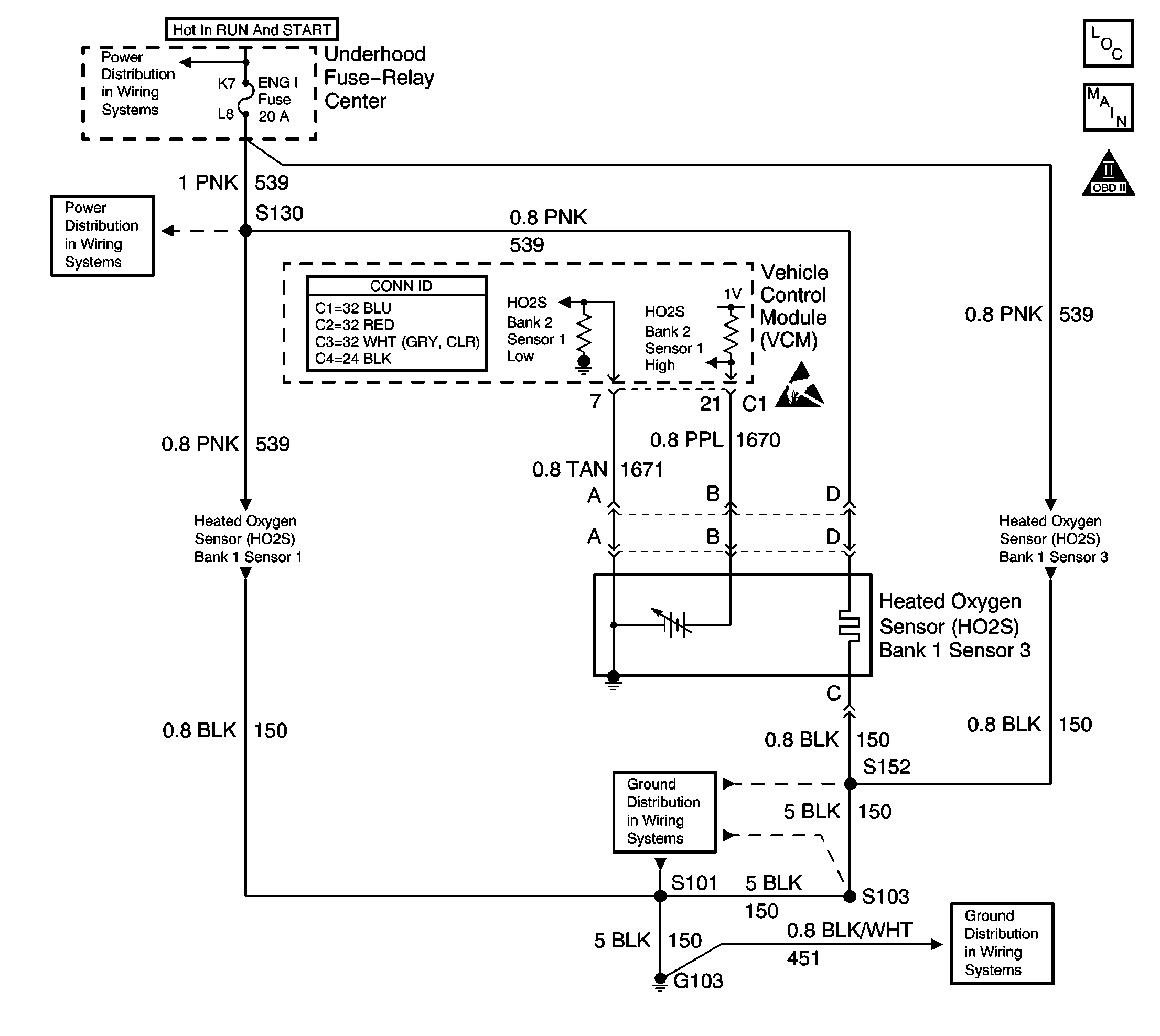
Object Number: 627619  Size: LF
Engine Controls Components
OBD II Symbol Description Notice
Handling ESD Sensitive Parts Notice
Sensor Controls: Heated Oxygen Sensors

Circuit Description

The heated oxygen sensor (HO2S) is a sensor designed to create a voltage relative to the oxygen content in the engine exhaust stream. The control module supplies the HO2S with signal high and low circuits. Ignition voltage and ground are supplied to the HO2S heater by independent circuits. The oxygen content of the exhaust indicates when the engine is operating lean or rich. When the HO2S detects that the engine is operating rich, the signal voltage is high, and decreases the signal voltage as the engine runs leaner. This oscillation above and below the bias voltage, sometimes referred to as activity or switching, can be monitored with the HO2S signal voltage.

The HO2S contains a heater that is necessary in order to quickly warm the sensor to operating temperature. The heater also maintains the operating temperature during extended idle conditions. The HO2S needs to be at a high temperature in order to produce a voltage. When the HO2S reaches operating temperature, the control module monitors the HO2S bias, or reference, voltage. It also monitors the HO2S signal voltage for Closed Loop fuel control. During normal Closed Loop fuel control operation, the control module will add fuel, or enrich the mixture, when the HO2S detects a lean exhaust content. The control module will subtract fuel, or "lean-out" the mixture, when the HO2S detects a rich exhaust condition.

Certain vehicle models utilize an oxygen sensor behind the catalytic converter in order to monitor catalyst efficiency.

This diagnostic trouble code (DTC) determines if the HO2S is functioning properly. It checks for an adequate number of HO2S voltage transitions above and below the bias range of 300-600 mV. This DTC sets when the vehicle control module (VCM) fails to detect a minimum number of voltage transitions above and below the bias range during the test period. Possible causes of this DTC are:

    • An open or a short to voltage on either the HO2S signal or HO2S low circuits
    • A malfunctioning HO2S
    • A problem in the HO2S heater or its circuit
    • A faulty HO2S ground

This DTC is designed to detect an HO2S voltage that remains at a low (lean) voltage for more than a specified number of seconds during the test conditions. This DTC is set under the following conditions:

    • There is an HO2S circuit fault that results in a false lean exhaust condition.
    • The HO2S is correctly detecting a lean air/fuel ratio resulting from either a vacuum leak or a fuel control system problem.

Conditions for Running the DTC

    • No active throttle position (TP) sensor DTCs
    • No active EVAP system DTCs
    • No active intake air temperature (IAT) sensor DTCs
    • No active manifold absolute pressure (MAP) sensor DTCs
    • No active engine coolant temperature (ECT) sensor DTCs
    • No active mass air flow (MAF) sensor DTCs
    • No active misfire DTCs
    • No intrusive test in progress
    • No device controls active
    • The system voltage is 11.7-18 volts

Lean Test Enable

    • The system is in Closed Loop mode
    • The air/fuel ratio is 14.5-14.8
    • The throttle position is 3.5-99 percent

Power Enrichment Lean Test Enable

    • The system is in Closed Loop mode
    • The Power Enrichment mode is active
    • The high speed fuel cutoff is not active
    • The time elapsed since test enable is at least 1 second

Conditions for Setting the DTC

Lean Test

The O2 sensor voltage is less than 86 mV for more than 50 seconds.

Power Enrichment Lean Test

The O2 sensor voltage is less than 598 mV for more than 30 seconds

Action Taken When the DTC Sets

    • The control module illuminates the malfunction indicator lamp (MIL) if a failure is detected during 2 consecutive key cycles.
    • The control module sets the DTC and records the operating conditions at the time the diagnostic failed. The failure information is stored in the scan tool Freeze Frame/Failure Records.

Conditions for Clearing the MIL or DTC

    • The control module turns OFF the MIL after 3 consecutive drive trips when the test has run and passed.
    • A history DTC will clear if no fault conditions have been detected for 40 warm-up cycles. A warm-up cycle occurs when the coolant temperature has risen 22°C (40°F) from the startup coolant temperature and the engine coolant reaches a temperature that is more than 70°C (158°F) during the same ignition cycle.
    • Use a scan tool in order to clear the DTCs.

Diagnostic Aids

Important: Never solder the HO2S wires. For proper wire and connection repair refer to Wiring Repairs or Connector Repairs in Wiring Systems.

Using the scan tool, observe the LT fuel trim values at the different RPM and the air flow conditions. The scan tool also displays the fuel trim cells, so the LT fuel trim values can be checked in each of the cells in order to determine when the DTC may have set. If the conditions for this DTC exist, the LT fuel trim values measure around 158 or more.

Check for the following conditions:

    • The sensor pigtail may be mispositioned and contacting the exhaust system.
    • An intermittent short to ground in the signal circuit between the VCM connector and the HO2S.
    • A poor VCM to engine block ground.
    • Lean injector.: Perform the Fuel Injector Balance Test. Refer to Fuel Injector Balance Test with Tech 2 .
    • Fuel Contamination. Water, even in small amounts, near the in-tank fuel pump inlet can be delivered to the injectors. The water causes a lean exhaust and can also set this DTC. Refer to Alcohol/Contaminants-in-Fuel Diagnosis .
    • The fuel pressure. If the pressure is too low, the system will be lean. In order to confirm, monitor the fuel pressure while driving the vehicle at various speeds and loads. Refer to Fuel System Diagnosis .
    • Any exhaust leaks. If there is an exhaust leak, the engine may pull the outside air into the exhaust and past the sensor. Refer to Exhaust System Inspection in Engine Exhaust.
    • Any vacuum or crankcase leaks can cause a lean condition or a high idle.

An intermittent may be caused by any of the following conditions:

    • A poor connection
    • Rubbed through wire insulation
    • A broken wire inside the insulation

Thoroughly inspect any circuitry that is suspected of causing the intermittent complaint. Refer to Testing for Intermittent Conditions and Poor Connections in Wiring Systems.

If a repair is necessary, refer to Wiring Repairs or Connector Repairs in Wiring Systems.

Test Description

The numbers below refer to the step numbers on the diagnostic table.

  1. Monitor the HO2S voltage of the opposite bank sensor. If the voltage activity of the opposite bank sensor is similar to the voltage activity of the suspect sensor check for lean conditions that would affect both cylinder banks. An opposite bank sensor with normal HO2S voltage activity indicates the suspect HO2S needs replacement or a lean condition exists only on the suspect HO2S cylinder bank.

Step

Action

Value(s)

Yes

No

1

Did you perform the Powertrain On-Board Diagnostic (OBD) System Check?

--

Go to Step 2

Go to Powertrain On Board Diagnostic (OBD) System Check

2

  1. Run the engine until a normal operating temperature is reached.
  2. Using the scan tool, monitor the HO2S voltage for the sensor that applies to this DTC.

Is the HO2S voltage fixed at less than the specified value?

86 mV

Go to Step 4

Go to Step 3

3

The DTC is intermittent.

Are any additional DTCs stored?

--

Go to the applicable DTC table

Go to Diagnostic Aids

4

  1. Turn the ignition OFF.
  2. Disconnect the HO2S connector for the sensor that applies to this DTC.
  3. Jumper the HO2S low circuit terminal, on the engine harness side, to a known good ground.
  4. Turn the ignition ON, leaving the engine OFF.
  5. Using the scan tool, monitor the HO2S voltage for the sensor that applies to this DTC.

Is the voltage within the specified range?

351-551 mV

Go to Step 5

Go to Step 6

5

  1. The HO2S may be detecting a lean exhaust condition. Check for one of the following conditions:
  2. • Any HO2S connector water intrusion
    • An exhaust leak between the HO2S and the engine. Refer to Exhaust System Inspection in Engine Exhaust.
    • Any vacuum leaks
    • An incorrect fuel pressure
    • Any lean fuel injectors
    • An inaccurate mass air flow (MAF) sensor
  3. Repair any of the above or similar engine conditions as necessary.

Did you find a problem?

--

Go to Step 10

Go to Step 8

6

  1. Turn the ignition OFF.
  2. Remove the jumper from the HO2S low circuit terminal.
  3. Disconnect the VCM connector that contains the HO2S high signal circuit.
  4. Using a digital multimeter (DMM), measure and record the resistance between the HO2S high signal circuit and ground.
  5. Measure and record the resistance between the HO2S high signal circuit and the HO2S low circuit.

Does the resistance equal the specified value on both tests?

Go to Step 9

Go to Step 7

7

Repair the HO2S signal high circuit short to ground or short to the HO2S low circuit. Refer to Wiring Repairs in Wiring Systems.

Is the action complete?

--

Go to Step 10

--

8

Replace the HO2S. Refer to Heated Oxygen Sensor Replacement .

Is the action complete?

--

Go to Step 10

--

9

Important: The replacement VCM must be programmed.

Replace the VCM. Refer to VCM Replacement/Programming .

Is the action complete?

--

Go to Step 10

--

10

  1. Using the scan tool, clear the DTC's.
  2. Start the engine.
  3. Allow the engine to idle until the engine reaches a normal operating temperature.
  4. Select the DTC and the Specific DTC function.
  5. Enter the DTC number which was set.
  6. Operate the vehicle within the Conditions for Setting this DTC until the scan tool indicates the diagnostic Ran.

Does the scan tool indicate that this diagnostic ran and passed?

--

Go to Step 11

Go to Step 2

11

Does the scan tool display any additional undiagnosed DTCs?

--

Go to the applicable DTC table

System OK