GM Service Manual Online
For 1990-2009 cars only

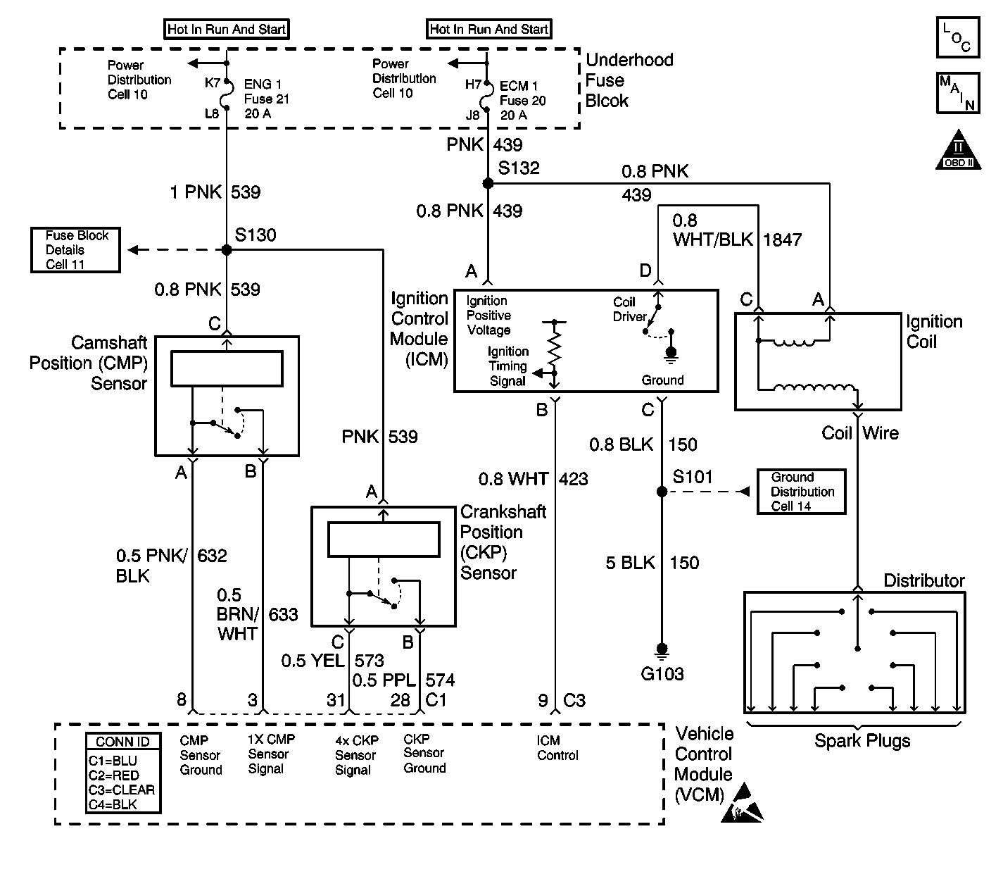
Object Number: 683288  Size: LF
Engine Controls Components
CKP, CMP, ICM, Ignition Coil, VCM, Knock Sensor
OBD II Symbol Description Notice
Handling ESD Sensitive Parts Notice
Handling ESD Sensitive Parts Notice
VCM Connector End Views
Power Distribution Schematics
Power Distribution Schematics

Circuit Description

The crankshaft position (CKP) sensor is a sensor designed to detect changes in a magnetic field. The control module supplies the CKP sensor a signal and ground circuits. Ignition voltage is supplied to the sensor by an independent circuit. The CKP sensor produces a magnetic field whenever the ignition is ON. The CKP sensor is mounted near a reluctor wheel that is attached to the crankshaft. When the crankshaft rotates, when the engine is cranking or running, the toothed reluctor wheel changes the magnetic field. The CKP sensor converts each change in the magnetic field into a PULSE. The number of teeth on the reluctor wheel determines how many pulses the CKP sensor detects per crankshaft rotation. The CKP sensor signal is used in order to determine the engine speed, the crankshaft position, and to detect misfire.

If a loss of the CKP signal or an erratic signal is detected by the VCM while the engine is running, this DTC will be set.

Conditions for Running the DTC

The MAF is at least 5 g/s.

Conditions for Setting the DTC

The measured change in engine speed is 1000 RPM or more during a 125 ms time period.

OR

The measured engine speed is 0 RPM and 4 or more camshaft position sensor pulses have occurred over a period of 2-3 seconds.

Action Taken When the DTC Sets

    • The control module illuminates the malfunction indicator lamp (MIL) if a failure is detected during 2 consecutive key cycles.
    • The control module sets the DTC and records the operating conditions at the time the diagnostic failed. The failure information is stored in the scan tool Freeze Frame/Failure Records.

Conditions for Clearing the MIL or DTC

    • The control module turns OFF the MIL after 3 consecutive drive trips when the test has run and passed.
    • A history DTC will clear if no fault conditions have been detected for 40 warm-up cycles. A warm-up cycle occurs when the coolant temperature has risen 22°C (40°F) from the startup coolant temperature and the engine coolant reaches a temperature that is more than 70°C (158°F) during the same ignition cycle.
    • Use a scan tool in order to clear the DTCs.

Diagnostic Aids

Inspect the face of the CKP sensor for metallic particles. This could result in an intermittent DTC.

Check for the following conditions:

    • A chipped or damaged reluctor wheel.
    • An incorrect reluctor wheel.
    • The incorrect wheel alignment of the CKP sensor to reluctor wheel.
    • Excessive crankshaft end play.
    • Refer to Symptoms .

An intermittent may be caused by any of the following conditions:

    • A poor connection
    • Rubbed through wire insulation
    • A broken wire inside the insulation

Thoroughly inspect any circuitry that is suspected of causing the intermittent complaint. Refer to Testing for Intermittent Conditions and Poor Connections in Wiring Systems.

If a repair is necessary, refer to Wiring Repairs or Connector Repairs in Wiring Systems.

Test Description

The numbers below refer to the step numbers on the diagnostic table.

  1. This step checks the ignition positive voltage circuit to the crankshaft position sensor.

  2. Checks the duty cycle of the crankshaft position sensor.

Step

Action

Values

Yes

No

1

Important: Before clearing the DTCs, use the scan tool Capture Info to save the Freeze Frame and Failure Records for reference. The control modules data is deleted once the Clear Info function is used.

Did you perform the Powertrain On-Board Diagnostic (OBD) System Check?

--

Go to Step 2

Go to Powertrain On Board Diagnostic (OBD) System Check

2

Does the vehicle start and continue to run?

--

Go to Diagnostic Aids

Go to Step 3

3

  1. Disconnect the crankshaft position (CKP) sensor harness connector.
  2. Connect a test lamp to a ground.
  3. Turn ON the ignition, with the engine OFF.
  4. Probe the crankshaft position sensor connector ignition positive voltage circuit.

Is the test lamp ON?

--

Go to Step 4

Go to Step 6

4

Connect the test lamp between the CKP sensor connector ignition positive voltage and ground terminals.

Is the test lamp ON?

--

Go to Step 5

Go to Step 7

5

  1. Turn OFF the ignition.
  2. Install the gray jumpers from the J 35616 connector test adaptor kit between the engine harness connector and the CKP sensor ignition positive voltage and ground circuits.
  3. Install a DMM set to the duty cycle position (select AC voltage and press Hz button twice to display duty cycle), between the CKP sensor (4X) signal circuit and the CKP sensor ground circuit.
  4. Crank the engine.

Is the duty cycle within the specified value?

23 %-43 %

Go to Step 8

Go to Step 9

6

Repair the open or short in the CKP sensor ignition positive voltage circuit. Refer to Wiring Repairs in Wiring Systems.

Is the action complete?

--

Go to Step 16

--

7

Check the CKP sensor ground circuit for an open.

Did you find a problem?

--

Go to Step 14

Go to Step 13

8

Check for an open or short in the CKP sensor (4X) signal circuit.

Did you find a problem?

--

Go to Step 14

Go to Step 11

9

Check the crankshaft position (CKP) sensor and the crankshaft reluctor wheel for damage. Refer to Diagnostic Aids.

Did you find a problem?

--

Go to Step 10

Go to Step 12

10

  1. Replace the crankshaft position (CKP) sensor and/or the crankshaft reluctor wheel, refer to Crankshaft Position Sensor Replacement and/or Crankshaft Position Sensor Reluctor Ring Replacement in Engine Mechanical.
  2. Perform the CKP System Variation Learn Procedure. Refer to Crankshaft Position System Variation Learn .

Is the action complete?

--

Go to Step 16

--

11

Check for a poor connection at the CKP sensor.

Did you find a problem?

--

Go to Step 14

Go to Step 13

12

Important: Inspect the CKP sensor mounting surface to insure the surface is clean and free of debris.

  1. Replace the CKP sensor. Refer to Crankshaft Position Sensor Replacement .
  2. Perform the CKP System Variation Learn Procedure. Refer to Crankshaft Position System Variation Learn .

Is the action complete?

--

Go to Step 16

--

13

Check for a poor connection at the VCM.

Did you find a problem?

--

Go to Step 14

Go to Step 15

14

Repair the circuit as necessary. Refer to Connector Repairs or Wiring Repairs in Wiring Systems.

Is the action complete?

--

Go to Step 16

--

15

  1. Replace the VCM.
  2. Program the new VCM. Refer to VCM Replacement/Programming .
  3. Perform the Passlock Reprogramming Procedure. Refer to PASSLOCK Reprogramming Seed and Key in Theft Deterrent.
  4. Perform the CKP System Variation Learn Procedure. Refer to Crankshaft Position System Variation Learn .

Is the action complete?

--

Go to Step 16

--

16

  1. Using the scan tool clear the DTCs.
  2. Start the engine.
  3. Allow the engine to idle until the engine reaches normal operating temperature.
  4. Select the DTC and the Specific DTC functions.
  5. Enter the DTC number which was set.
  6. Operate the vehicle, with the Conditions for Setting this DTC, until the scan tool indicates the diagnostic Ran.

Does the scan tool indicate the diagnostic Passed?

--

Go to Step 17

Go to Step 2

17

Does the scan tool display any additional undiagnosed DTCs?

--

Go to the applicable DTC table

System OK