GM Service Manual Online
For 1990-2009 cars only

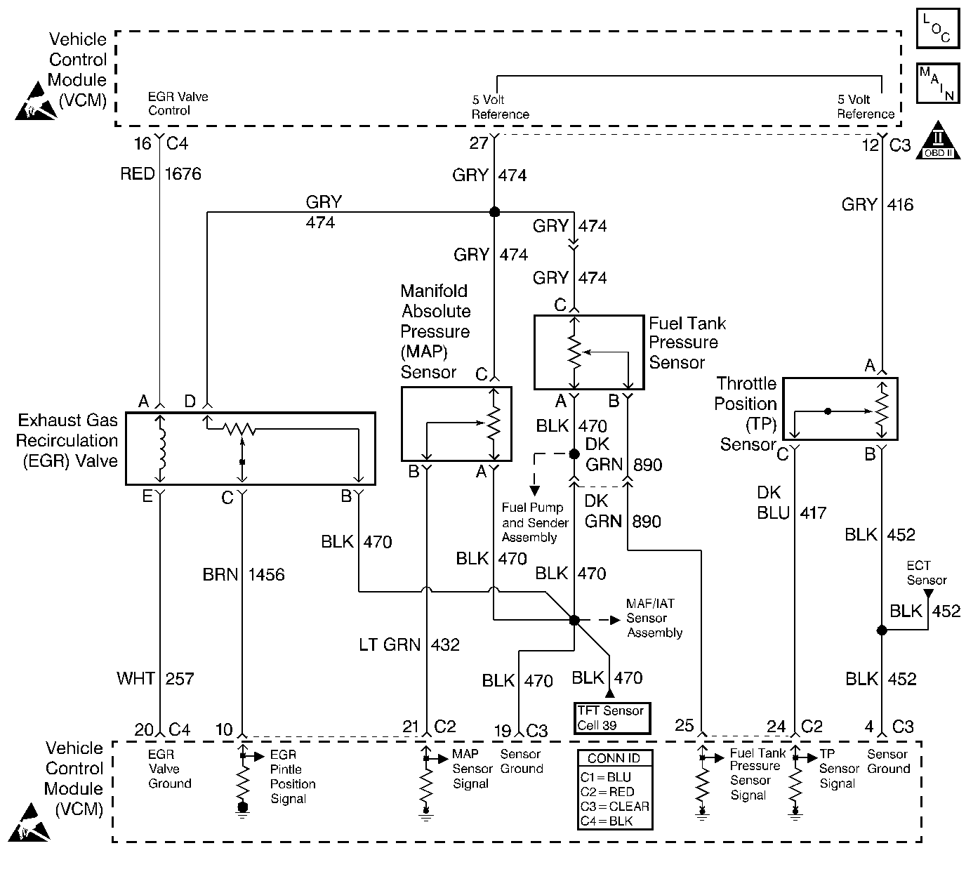
Object Number: 397423  Size: LF
Engine Controls Component Views
Cell 23: EGR and EVAP Controls
OBD II Symbol Description Notice
Handling ESD Sensitive Parts Notice
Handling ESD Sensitive Parts Notice

Circuit Description

An exhaust gas recirculation (EGR) system is used in order to lower oxides of nitrogen (NOx) emission levels caused by high combustion temperatures. The EGR accomplishes this by feeding small amounts of exhaust gases back into the combustion chamber. When the air/fuel mixture is diluted with the exhaust gases, combustion temperatures are reduced.

A linear EGR valve is used on this system. The linear EGR valve is designed in order to accurately supply exhaust gases to the engine without the use of intake manifold vacuum. The valve controls exhaust flow going into the intake manifold from the exhaust manifold through an orifice with a control module controlled pintle valve. The control module commands the EGR by applying a 12 volt duty cycle to the EGR valve. This can be monitored on a scan tool as desired EGR position.

The control module can monitor the pintle position with the EGR pintle position signal. This sensor uses a variable resistor with a 5 volt reference, a signal circuit, and a ground. The signal circuit monitors changes in voltage on the variable resistor as the pintle moves.

The vehicle control module (VCM) will set a DTC P0405 if an unusually low pintle position signal voltage is detected for a calibrated period of time.

Conditions for Running the DTC

    • The engine is running.
    • The system voltage is more than 9.0 volts.

Conditions for Setting the DTC

The EGR feedback signal voltage is less than the calibrated value for more than 2 seconds.

Action Taken When the DTC Sets

    • The control module illuminates the malfunction indicator lamp (MIL) if a failure is detected during 2 consecutive key cycles.
    • The control module sets the DTC and records the operating conditions at the time the diagnostic failed. The failure information is stored in the scan tool Freeze Frame/Failure Records.

Conditions for Clearing the MIL or DTC

    • The control module turns OFF the MIL after 3 consecutive drive trips when the test has run and passed.
    • A history DTC will clear if no fault conditions have been detected for 40 warm-up cycles. A warm-up cycle occurs when the coolant temperature has risen 22°C (40°F) from the startup coolant temperature and the engine coolant reaches a temperature that is more than 70°C (158°F) during the same ignition cycle.
    • Use a scan tool in order to clear the DTCs.

Diagnostic Aids

Be sure to check for intermittents.

An intermittent may be caused by any of the following conditions:

    • A poor connection
    • Rubbed through wire insulation
    • A broken wire inside the insulation

Thoroughly inspect any circuitry that is suspected of causing the intermittent complaint. Refer to Testing for Intermittent Conditions and Poor Connections in Wiring Systems.

If a repair is necessary, refer to Wiring Repairs or Connector Repairs in Wiring Systems.

Test Description

The numbers below refer to the step numbers on the diagnostic table.

  1. Commanding the EGR valve open determines whether the EGR system can control the EGR valve accurately and if the condition is present.

  2. Jumping the 5 volt reference circuit to the signal circuit checks the signal circuit and VCM.

  3. The 5 volt reference of the VCM supply is shared by the MAP, TP, FTP and EGR sensors. A short in any of the sensors 5 volt reference circuits or an internally shorted sensor will cause this DTC to set.

  4. A 5 volt reference circuit short to the EGR valve feed control circuit will ground through the EGR valve when the EGR valve harness connector is connected.

  5. Check the terminals for being backed out, improperly formed, damaged, and for poor tension.

  6. The replacement VCM must be programmed and the Crankshaft Position System Variation Learn Procedure must be performed. Refer to the latest Techline procedures for VCM programming.

  7. Clearing the DTCs is a very important step for this diagnostic. The clearing function allows the EGR valve to relearn a new minimum pintle position.

DTC P0405 - Exhaust Gas Recirculation (EGR) Valve Sensor Signal Low

Step

Action

Value(s)

Yes

No

1

Did you perform the Powertrain On-Board Diagnostic (OBD) System Check?

--

Go to Step 2

Go to Powertrain On Board Diagnostic (OBD) System Check

2

  1. Install the scan tool.
  2. Start the engine.
  3. Monitor the EGR sensor voltage on the scan tool.

Is the voltage more than the specified value?

0.12 V

Go to Step 3

Go to Step 5

3

Command the EGR valve to the specified values.

Does the Actual EGR Position follow the Commanded EGR Position?

20%, 50%, 70%, 100%

Go to Step 4

Go to Exhaust Gas Recirculation (EGR) System Diagnosis

4

This DTC is intermittent.

Are there any additional DTCs stored?

--

Go to the applicable DTC table

Go to Diagnostic Aids

5

  1. Turn OFF the ignition.
  2. Disconnect the EGR valve harness connector.
  3. Turn ON the ignition, leaving the engine OFF.
  4. Probe the 5 volt reference circuit at the EGR valve harness connector with a DMM connected to a ground.

Is the voltage less than the specified value?

4.7 V

Go to Step 8

Go to Step 6

6

Jumper the EGR valve 5 volt reference circuit to the EGR valve pintle position signal circuit.

Does the Actual EGR Position display the specified value?

100%

Go to Step 11

Go to Step 7

7

Probe the EGR valve pintle position signal circuit at the EGR valve harness connector with a test lamp connected to the B+ terminal.

Is the test lamp ON?

--

Go to Step 16

Go to Step 17

8

  1. Turn OFF the ignition.
  2. Disconnect the VCM.
  3. Check for an open in the EGR valve 5 volt reference circuit.

Did you find a problem?

--

Go to Step 18

Go to Step 9

9

  1. Reconnect the VCM.
  2. Probe the 5 volt reference circuit at the EGR valve harness connector with a DMM connected to a ground.
  3. Disconnect the following sensors individually:
   • 

The MAP

   • 

The TP

   • 

The FTP

Is the voltage more than the specified value after any of the sensors was disconnected?

4.7 V

Go to Step 10

Go to Step 12

10

  1. Replace the sensor that caused the voltage to go more than the specified value.
  2. Refer to one of the following:

Is the action complete?

4.7 V

Go to Step 21

--

11

Check for a short between the EGR valve 5 volt reference circuit and the EGR valve feed control circuit.

Did you find a problem?

--

Go to Step 18

Go to Step 13

12

With the sensors disconnected, check for a short to ground in the EGR valve 5 volt reference circuit.

Did you find a problem?

--

Go to Step 18

Go to Step 19

13

Check for a short between the EGR valve pintle position signal circuit and the EGR valve feed control circuit.

Did you find a problem?

--

Go to Step 18

Go to Step 14

14

Check the 5 volt reference and the EGR valve pintle position signal circuits for a poor connection or proper terminal tension.

Did you find a problem?

--

Go to Step 18

Go to Step 15

15

Replace the EGR valve. Refer to Exhaust Gas Recirculation Valve Replacement .

Is the action complete?

--

Go to Step 21

--

16

Check for a short to ground in the EGR valve pintle position signal circuit.

Did you find a problem?

--

Go to Step 18

Go to Step 19

17

Check for an open in the EGR valve pintle position signal circuit.

Did you find a problem?

--

Go to Step 18

Go to Step 19

18

Repair the circuit as necessary. Refer to Wiring Repairs or Connector Repairs in Wiring Systems.

Is the action complete?

--

Go to Step 21

--

19

  1. Check for a poor connection at the VCM.
  2. Repair as necessary. Refer to Connector Repairs in Wiring Systems.

Did you find a problem?

--

Go to Step 21

Go to Step 20

20

Important: The replacement VCM must be programmed.

Replace the VCM. Refer to VCM Replacement/Programming .

Is the action complete?

--

Go to Step 21

--

21

  1. Using the scan tool, clear the DTCs.
  2. Start the engine.
  3. Allow the engine to idle until normal operating temperature is reached.
  4. Select DTC and the Specific DTC function.
  5. Enter the DTC number which was set.
  6. Operate the vehicle, with the Conditions for Setting this DTC, until the scan tool indicates the diagnostic Ran.

Does the scan tool indicate the diagnostic Passed?

--

Go to Step 22

Go to Step 2

22

Does the scan tool display any additional undiagnosed DTCs?

--

Go to the applicable DTC table

System OK