GM Service Manual Online
For 1990-2009 cars only

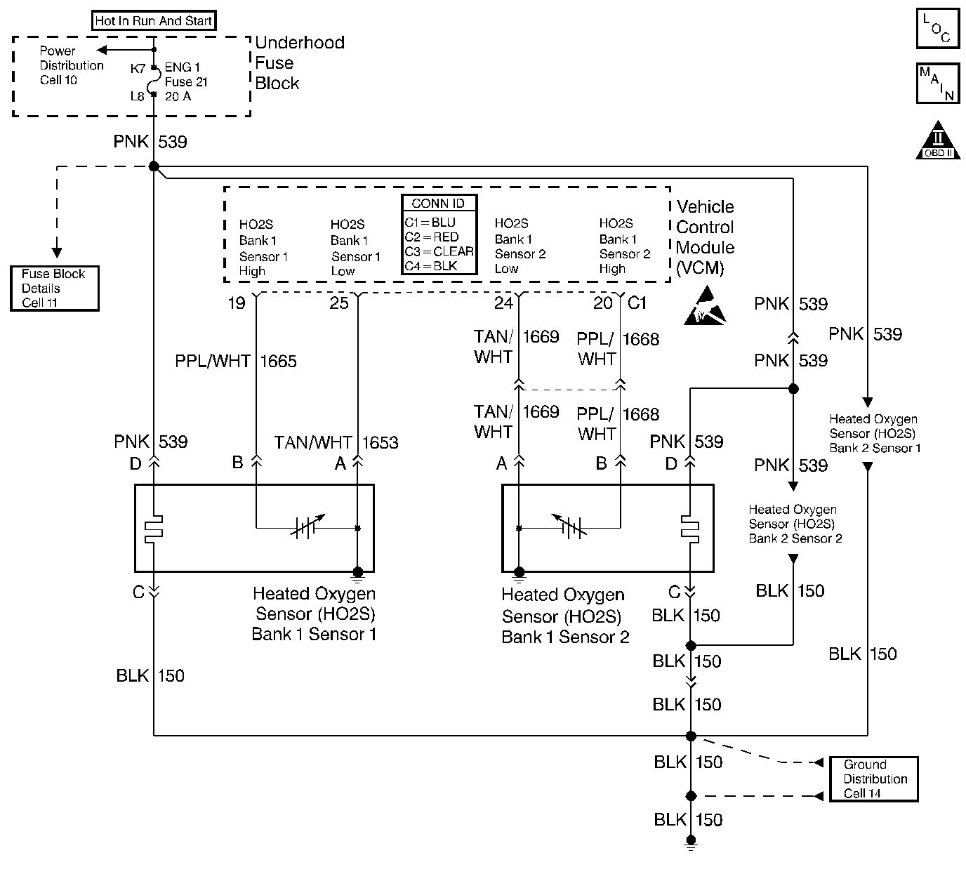
Object Number: 397435  Size: LF
Engine Controls Components
Sensor Controls: Heated Oxygen Sensors
OBD II Symbol Description Notice
Handling ESD Sensitive Parts Notice

Circuit Description

The heated oxygen sensor (HO2S) is a sensor designed to create a voltage relative to the oxygen content in the engine exhaust stream. The control module supplies the HO2S with signal high and low circuits. Ignition voltage and ground are supplied to the HO2S heater by independent circuits. The oxygen content of the exhaust indicates when the engine is operating lean or rich. When the HO2S detects that the engine is operating rich, the signal voltage is high, and decreases the signal voltage as the engine runs leaner. This oscillation above and below the bias voltage, sometimes referred to as activity or switching, can be monitored with the HO2S signal voltage.

The HO2S contains a heater that is necessary in order to quickly warm the sensor to operating temperature. The heater also maintains the operating temperature during extended idle conditions. The HO2S needs to be at a high temperature in order to produce a voltage. When the HO2S reaches operating temperature, the control module monitors the HO2S bias, or reference, voltage. It also monitors the HO2S signal voltage for Closed Loop fuel control. During normal Closed Loop fuel control operation, the control module will add fuel, or enrich the mixture, when the HO2S detects a lean exhaust content. The control module will subtract fuel, or "lean-out" the mixture, when the HO2S detects a rich exhaust condition.

Certain vehicle models utilize an oxygen sensor behind the catalytic converter in order to monitor catalyst efficiency.

This diagnostic trouble code (DTC) determines if the HO2S is functioning properly. It checks for an adequate number of HO2S voltage transitions above and below the bias range of 300-600 mV. This DTC sets when the vehicle control module (VCM) fails to detect a minimum number of voltage transitions above and below the bias range during the test period. Possible causes of this DTC are:

    • An open or a short to voltage on either the HO2S signal or HO2S low circuits
    • A malfunctioning HO2S
    • A problem in the HO2S heater or its circuit
    • A faulty HO2S ground

This DTC is designed to detect an HO2S that produces too few lean to rich and rich to lean signal transitions within a calibrated time window.

Conditions for Running the DTC

    • No active throttle position (TP) sensor DTCs
    • No active evaporative emission (EVAP) system DTCs
    • No active intake air temperature (IAT) sensor DTCs
    • No active manifold absolute pressure (MAP) sensor DTCs
    • No active engine coolant temperature (ECT) sensor DTCs
    • No active mass air flow (MAF) sensor DTCs
    • No active misfire DTCs
    • No intrusive tests in progress
    • No device control in progress
    • The system voltage is more than 9 volts.
    • DTCs P0131, P0132, P0134, and P0135 not active
    • The system is in Closed Loop.
    • The ECT is more than 57°C (135°F)
    • The engine has been running for more than 75 seconds.
    • The MAF is between 23-55 g/s.
    • The engine speed is between 1,200-2,200 RPM.
    • The EVAP canister purge is enabled.
    • The above conditions are present for more than 2 seconds.

Conditions for Setting the DTC

The number of lean-to-rich and rich-to-lean transitions within a 100 second sample period were less than a calibrated number.

Action Taken When the DTC Sets

    • The control module illuminates the malfunction indicator lamp (MIL) if a failure is detected during 2 consecutive key cycles.
    • The control module sets the DTC and records the operating conditions at the time the diagnostic failed. The failure information is stored in the scan tool Freeze Frame/Failure Records.

Conditions for Clearing the MIL or DTC

    • The control module turns OFF the MIL after 3 consecutive drive trips when the test has run and passed.
    • A history DTC will clear if no fault conditions have been detected for 40 warm-up cycles. A warm-up cycle occurs when the coolant temperature has risen 22°C (40°F) from the startup coolant temperature and the engine coolant reaches a temperature that is more than 70°C (158°F) during the same ignition cycle.
    • Use a scan tool in order to clear the DTCs.

Diagnostic Aids

Check for the following conditions:

    • An improperly installed air intake duct
    • The air intake duct for collapsed ducting, restrictions, or a missing or plugged air filter
    • Throttle body and intake manifold vacuum leaks
    • A damaged or blocked throttle body inlet
    • Exhaust system for corrosion, leaks, or loose or missing hardware -- Refer to Exhaust System Inspection in Exhaust Systems.
    • The HO2S is installed securely and the pigtail harness is not contacting the exhaust manifold or wires.
    • HO2S contamination
    • The vacuum hoses for splits, kinks, and proper connections
    • Excessive water, alcohol, or other contaminants in the fuel -- Refer to Alcohol/Contaminants-in-Fuel Diagnosis .
    • VCM sensor grounds that are clean, tight, and properly positioned

An intermittent may be caused by any of the following conditions:

    • A poor connection
    • Rubbed through wire insulation
    • A broken wire inside the insulation

Thoroughly inspect any circuitry that is suspected of causing the intermittent complaint. Refer to Testing for Intermittent Conditions and Poor Connections in Wiring Systems.

If a repair is necessary, refer to Wiring Repairs or Connector Repairs in Wiring Systems.

Test Description

The numbers below refer to the step numbers on the diagnostic table.

  1. HO2S contamination is indicated if multiple response, switching or time ratio HO2S DTCs are set.

  2. The use of leaded fuel may be indicated by the removal or tampering of the fuel filler restrictor.

    An HO2S contaminated by silicon will have a white, powdery deposit on the portion of the HO2S that is exposed to the exhaust stream. The usual cause of silica contamination is the use of un-approved silicon RTV engine gasket material or the use of silicon based sprays or fluids within the engine.

    If the cause of this contamination is not corrected, the replacement HO2S will also get contaminated.

  3. Even small exhaust leaks can cause slow response from the HO2S.

  4. An HO2S contaminated by silicon will have a white, powdery deposit on the portion of the HO2S that is exposed to the exhaust stream. The usual cause of silica contamination is the use of un-approved silicon RTV engine gasket material or the use of silicon based sprays or fluids within the engine. If the cause of this contamination is not corrected, the replacement HO2S will also get contaminated.

  5. If the voltage observed in step 8 is less than the range specified, a short between the HIGH and LOW circuits or a short between the HIGH circuit and ground is indicated. With the HO2S and the VCM disconnected, the resistance between the HIGH and LOW circuits and the resistance between the HIGH circuit and ground should measure infinite.

    If the voltage observed in step 8 is more than the range specified, a short between the HIGH circuit and an ignition voltage source is indicated.

  6. If the voltage observed in step 9 is not below the voltage specified, a high resistance (open) HIGH or LOW circuit is indicated.

    Good circuit continuity measures less than 5 ohms with the VCM and sensor disconnected. Measure between the VCM connector and the HO2S connector. Ensure VCM terminal contact is good.

Step

Action

Value(s)

Yes

No

1

Did you perform the Powertrain On-Board Diagnostic (OBD) System Check?

--

Go to Step 2

Go to Powertrain On Board Diagnostic (OBD) System Check

2

In addition to this DTC, check for the following HO2S DTCs:

    • The opposite bank sensor insufficient switching DTC
    • Either bank sensor transition time ratio DTC
    • Either bank sensor slow response DTC

Are any of the above listed HO2S DTCs set?

--

Go to Step 4

Go to Step 3

3

Are any powertrain component DTCs set?

--

Go to the applicable DTC table

Go to Step 5

4

  1. The HO2S sensors have been contaminated. Replace the affected HO2S sensors. Refer to Heated Oxygen Sensor Replacement .
  2. The contamination source must be removed prior to operating the engine with the replacement sensors. Possible sources include the following :
  3. • The use of incorrect silicon RTV sealant
    • Engine coolant leakage into the combustion chamber
    • Excessive engine oil consumption
    • The use of silicon contaminated fuel
    • The use of fuel containing LEAD

Has the contamination source been removed and the affected sensors replaced?

--

Go to Step 18

--

5

  1. Using the scan tool, store DTC information from the VCM into the scan tool.
  2. Clear the DTC Information from the VCM.
  3. Reset the fuel trim values.
  4. Start and idle the engine until normal operating temperature is reached.
  5. Operate the engine under the Conditions for Running the DTC.

Did this DTC run and fail this ignition?

--

Go to Step 7

Go to Step 6

6

The condition that set this DTC is not present. This DTC may have been set by one of the following conditions:

    • An exhaust system leak between the engine and the HO2S
    • Poor HO2S connector terminal contact
    • HO2S connector water intrusion
    • An improperly torqued HO2S
    • An HO2S with an inoperative heater
    • Poor VCM connector terminal contact
    • An HO2S HIGH or LOW circuit with one of the following conditions:
       - Intermittently open
       - Intermittently shorted
       - Excessive circuit resistance, above 5 ohms
    • A contaminated HO2S
        Contamination can include the following:
       - Contaminated fuel
       - Use of incorrect RTV sealant
       - Excessive engine oil or coolant consumption

Repair any of the above or similar engine conditions as necessary.

Did you find a problem?

--

Go to Step 18

Go to Diagnostic Aids

7

  1. Check the exhaust system for leaks between the HO2S and the engine.
  2. Repair exhaust as necessary.
  3. Check the HO2S and VCM connectors for proper terminal contact.
  4. Repair terminal contact as necessary.

Did you find and repair a problem?

--

Go to Step 18

Go to Step 8

8

  1. Turn the ignition OFF.
  2. Disconnect the HO2S connector for the sensor that applies to this DTC.
  3. Jumper the engine harness side of the HO2S LOW circuit terminal to a known good ground.
  4. Turn the ignition ON, leaving the engine OFF.
  5. Using a scan tool, monitor the HO2S voltage for the sensor that applies to this DTC.

Is the HO2S voltage within the value range specified?

351-551 mV

Go to Step 9

Go to Step 13

9

  1. Jumper the HO2S HIGH signal circuit to ground.
  2. Using a scan tool, monitor the HO2S voltage for the sensor that applies to this DTC.

Is the HO2S voltage less than the value specified?

20 mV

Go to Step 10

Go to Step 14

10

  1. Remove the HO2S LOW circuit jumper.
  2. Connect a test lamp between the engine harness side of the HO2S heater ignition feed circuit terminal and a known good ground. Do not use the HO2S heater ground circuit terminal.

Does the test lamp light?

--

Go to Step 11

Go to Step 15

11

Connect the test lamp between the HO2S heater ignition feed circuit terminal and the HO2S heater ground circuit terminal, both on engine harness side.

Does the test lamp light?

--

Go to Step 12

Go to Step 16

12

  1. Check for contamination sources which may have caused the HO2S to fail.
  2. HO2S contamination sources include the following:

    • Use of incorrect silicon RTV engine sealant
    • Contaminated fuel
    • Excessive engine oil or coolant consumption
  3. Repair or remove source of contamination.

Is the action complete?

--

Go to Step 17

--

13

  1. Check for a short between the HO2S HIGH and LOW circuits or between the HO2S HIGH signal circuit and an ignition voltage source.
  2. Repair as necessary. Refer to Wiring Repairs in Wiring Systems.

Did you find a problem?

--

Go to Step 18

Go to Diagnostic Aids

14

  1. Check the HO2S HIGH signal circuit and the HO2S LOW circuit for an open or high circuit resistance.
  2. Repair the HO2S circuits as necessary. Refer to Wiring Repairs in Wiring Systems.

Is the action complete?

--

Go to Step 18

--

15

Repair the HO2S heater ignition feed circuit. Refer to Wiring Repairs in Wiring Systems.

Is the action complete?

--

Go to Step 18

--

16

Repair the HO2S heater ground circuit. Refer to Wiring Repairs in Wiring Systems.

Is the action complete?

--

Go to Step 18

--

17

Replace the HO2S. Refer to Heated Oxygen Sensor Replacement .

Is the action complete?

--

Go to Step 18

--

18

  1. Reset the fuel trim values using a scan tool.
  2. Start and idle the engine until normal operating temperature is reached.
  3. Operate the engine under the Conditions for Running the DTC.
  4. Observe the DTC status and verify that this DTC runs.

Did this DTC run and pass this ignition?

--

System OK

Go to Step 2