GM Service Manual Online
For 1990-2009 cars only

Starter Replacement 6.5L Diesel

Removal Procedure

  1. Disconnect the battery negative cable. Refer to Battery Negative Cable Disconnection and Connection .
  2. Remove the engine cover. Refer to Engine Cover Replacement .

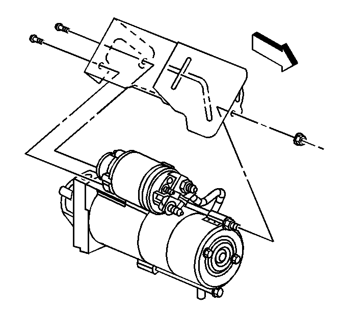
  3. Object Number: 105381  Size: SH
  4. Remove the starter motor nut retaining the starter to the starter motor bracket.
  5. Remove the starter motor bolts from the engine.

  6. Object Number: 184054  Size: SH
  7. Disconnect the electrical connectors from the starter solenoid.

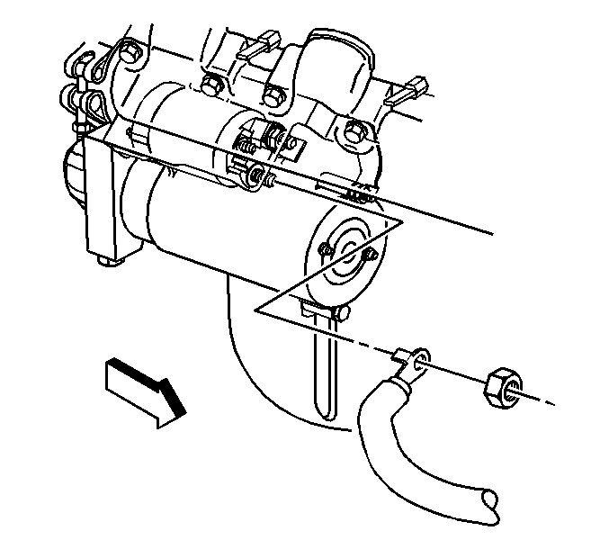
  8. Object Number: 105382  Size: MH
  9. Remove the bolt retaining the starter motor bracket to the engine.
  10. Remove the starter motor from the engine.

Installation Procedure

  1. Install the starter motor to the engine.
  2. Notice: Use the correct fastener in the correct location. Replacement fasteners must be the correct part number for that application. Fasteners requiring replacement or fasteners requiring the use of thread locking compound or sealant are identified in the service procedure. Do not use paints, lubricants, or corrosion inhibitors on fasteners or fastener joint surfaces unless specified. These coatings affect fastener torque and joint clamping force and may damage the fastener. Use the correct tightening sequence and specifications when installing fasteners in order to avoid damage to parts and systems.


    Object Number: 105382  Size: MH
  3. Install the starter motor bracket and bolt to the engine.
  4. Tighten
    Tighten the bolt to 17 N·m (13 lb ft).


    Object Number: 184054  Size: SH
  5. Connect the electrical connectors to the starter solenoid.
  6. Tighten

        • Tighten the battery cable to the solenoid to 10 N·m (89 lb in).
        • Tighten the ignition switch wires to the solenoid to 6 N·m (53 lb in).

    Object Number: 105381  Size: SH
  7. Install the starter motor bolts to the engine.
  8. Tighten
    Tighten the bolts to 45 N·m (33 lb ft).

  9. Install the nut retaining the starter to the starter motor bracket.
  10. Tighten
    Tighten the nut to 10 N·m (89 lb in).

  11. Install the engine cover. Refer to Engine Cover Replacement .
  12. Connect the battery negative cable. Refer to Battery Negative Cable Disconnection and Connection .

Starter Replacement 8.1L

Removal Procedure

Caution: Unless directed otherwise, the ignition and start switch must be in the OFF or LOCK position, and all electrical loads must be OFF before servicing any electrical component. Disconnect the negative battery cable to prevent an electrical spark should a tool or equipment come in contact with an exposed electrical terminal. Failure to follow these precautions may result in personal injury and/or damage to the vehicle or its components.


    Object Number: 749754  Size: SH
  1. Disconnect the negative battery cable (1). Refer to Battery Negative Cable Disconnection and Connection .
  2. Raise and suitably support the vehicle with safety stands. Refer to Lifting and Jacking the Vehicle in General Information.

  3. Object Number: 747161  Size: SH
  4. Remove the starter motor bolts.
  5. Lower the starter motor.

  6. Object Number: 749762  Size: SH
  7. Disconnect the knock sensor (1).
  8. Remove the engine harness nut (2).
  9. Remove the engine harness (3) from the starter.

  10. Object Number: 749765  Size: SH
  11. Remove the positive cable nut.
  12. Remove the positive cable from the starter.
  13. Place the starter motor on a work bench.

  14. Object Number: 747162  Size: SH
  15. If necessary, remove the starter heat shield bolts, nut and shield.

Installation Procedure


    Object Number: 747162  Size: SH

    Notice: Use the correct fastener in the correct location. Replacement fasteners must be the correct part number for that application. Fasteners requiring replacement or fasteners requiring the use of thread locking compound or sealant are identified in the service procedure. Do not use paints, lubricants, or corrosion inhibitors on fasteners or fastener joint surfaces unless specified. These coatings affect fastener torque and joint clamping force and may damage the fastener. Use the correct tightening sequence and specifications when installing fasteners in order to avoid damage to parts and systems.

  1. If necessary, install the starter heat shield, nut and bolts.
  2. Tighten

        • Tighten the starter heat shield bolts to 3 N·m (35 lb in).
        • Tighten the starter shield nut to 5 N·m (44 lb in).
  3. Place the starter motor into position.

  4. Object Number: 749765  Size: SH
  5. Install the positive cable to the starter.
  6. Install the positive cable nut.
  7. Tighten
    Tighten the positive cable nut to 10 N·m (89 lb in).


    Object Number: 749762  Size: SH
  8. Install the engine harness (3) to the starter.
  9. Install the engine harness nut (2).
  10. Tighten
    Tighten the engine harness nut to 2 N·m (18 lb in).


    Object Number: 747162  Size: SH
  11. Raise the starter motor into place.
  12. Install the starter motor bolts.
  13. Tighten
    Tighten the starter motor bolts to 50 N·m (37 lb ft).

  14. Lower the vehicle.

  15. Object Number: 749754  Size: SH
  16. Connect the negative battery cable (1). Refer to Battery Negative Cable Disconnection and Connection .

Starter Replacement 4.3L, 5.0L, and 5.7L

Removal Procedure

    Caution: Unless directed otherwise, the ignition and start switch must be in the OFF or LOCK position, and all electrical loads must be OFF before servicing any electrical component. Disconnect the negative battery cable to prevent an electrical spark should a tool or equipment come in contact with an exposed electrical terminal. Failure to follow these precautions may result in personal injury and/or damage to the vehicle or its components.

  1. Disconnect the battery negative cable. Refer to Battery Negative Cable Disconnection and Connection .

  2. Object Number: 184056  Size: SH
  3. Remove the starter motor brackets and shields, if equipped.

  4. Object Number: 184054  Size: SH
  5. Disconnect the wires from the starter solenoid.

  6. Object Number: 360232  Size: SH
  7. Remove the bolts and the shims, if present, from the starter motor.
  8. Remove the starter motor from the engine.

Installation Procedure


    Object Number: 360232  Size: SH
  1. Install the starter motor to the engine.
  2. Notice: Use the correct fastener in the correct location. Replacement fasteners must be the correct part number for that application. Fasteners requiring replacement or fasteners requiring the use of thread locking compound or sealant are identified in the service procedure. Do not use paints, lubricants, or corrosion inhibitors on fasteners or fastener joint surfaces unless specified. These coatings affect fastener torque and joint clamping force and may damage the fastener. Use the correct tightening sequence and specifications when installing fasteners in order to avoid damage to parts and systems.

  3. Install the bolts and the shims, if present, to the starter motor.
  4. Tighten
    Tighten the bolts to 45 N·m (33 lb ft).


    Object Number: 184054  Size: SH
  5. Connect the wires to the starter solenoid.
  6. Tighten

        • Tighten the battery cable to the solenoid to 10 N·m (89 lb in).
        • Tighten the ignition switch wires to the solenoid to 2 N·m (18 lb in).

    Object Number: 184056  Size: SH
  7. Install the starter motor brackets and shields.
  8. Connect the battery negative cable. Refer to Battery Negative Cable Disconnection and Connection .