GM Service Manual Online
For 1990-2009 cars only

Generator Replacement 4.3L, 5.0L and 5.7L

Removal Procedure

    Caution: Unless directed otherwise, the ignition and start switch must be in the OFF or LOCK position, and all electrical loads must be OFF before servicing any electrical component. Disconnect the negative battery cable to prevent an electrical spark should a tool or equipment come in contact with an exposed electrical terminal. Failure to follow these precautions may result in personal injury and/or damage to the vehicle or its components.

  1. Disconnect the battery negative cable. Refer to Battery Negative Cable Disconnection and Connection .
  2. Remove the coolant reservoir. Refer to Coolant Recovery Reservoir Replacement in Engine Cooling.
  3. Remove the air cleaner assembly. Refer to one of the following procedures:
  4. •  Air Cleaner Assembly Replacement in Engine Controls - 4.3L
    •  Air Cleaner Assembly Replacement in Engine Controls - 5.0L and 5.3L
  5. Remove the upper fan shroud. Refer to Fan Shroud Replacement in Engine Cooling.
  6. Remove the drive belt from the generator. Refer to one of the following procedures:
  7. •  Drive Belt Replacement in Engine Mechanical - 4.3L
    •  Drive Belt Replacement in Engine Mechanical - 5.0L and 5.3L
  8. Remove the heater hose pipe from the generator.

  9. Object Number: 184051  Size: SH
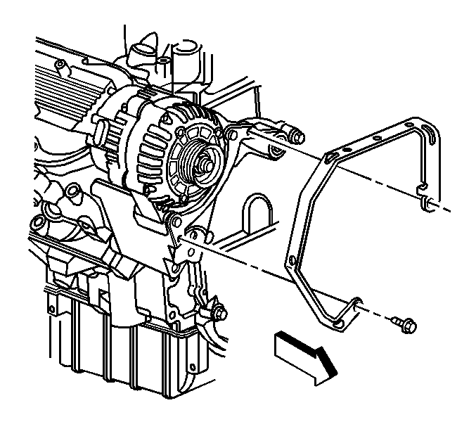
  10. Remove the oil fill tubes from the support bracket.

  11. Object Number: 184032  Size: SH
  12. Remove the support bracket from the generator bracket.

  13. Object Number: 360237  Size: SH
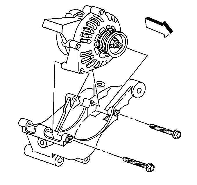
  14. Remove the generator mounting bolts.
  15. Remove the generator from the engine.

  16. Object Number: 184024  Size: SH
  17. Disconnect the electrical connectors.

Installation Procedure

    Notice: Use the correct fastener in the correct location. Replacement fasteners must be the correct part number for that application. Fasteners requiring replacement or fasteners requiring the use of thread locking compound or sealant are identified in the service procedure. Do not use paints, lubricants, or corrosion inhibitors on fasteners or fastener joint surfaces unless specified. These coatings affect fastener torque and joint clamping force and may damage the fastener. Use the correct tightening sequence and specifications when installing fasteners in order to avoid damage to parts and systems.


    Object Number: 184024  Size: SH
  1. Connect the electrical connectors to the generator.
  2. Tighten
    Tighten the generator output (BAT) terminal nut to 18 N·m (13 lb ft).


    Object Number: 360237  Size: SH
  3. Install the generator to the engine.
  4. Install the generator mounting bolts.
  5. Tighten

        • Tighten the generator front mounting bolts to 50 N·m (37 lb ft).
        • Tighten the generator rear mounting bolt to 25 N·m (18 lb ft).

    Object Number: 184032  Size: SH
  6. Install the oil fill tube support bracket to the generator bracket.
  7. Install the oil fill tube support bracket bolt and stud.
  8. Tighten
    Tighten the oil fill tube support bracket bolt and stud to 25 N·m (18 lb ft).


    Object Number: 184051  Size: SH
  9. Install the oil fill tube to the support bracket.
  10. Install the oil fill tube screw to the support bracket.
  11. Tighten
    Tighten the oil fill tube screw to 5 N·m (44 lb in).

  12. Install the heater hose pipe to the generator.
  13. Install the drive belt to the generator. Refer to one of the following procedures:
  14. •  Drive Belt Replacement in Engine Mechanical - 4.3L
    •  Drive Belt Replacement in Engine Mechanical - 5.0 and 5.3L
  15. Install the upper fan shroud. Refer to Fan Shroud Replacement in Engine Cooling.
  16. Install the air cleaner. Refer to one of the following procedures:
  17. •  Drive Belt Replacement in Engine Controls - 4.3L
    •  Drive Belt Replacement in Engine Controls - 5.0 and 5.3L
  18. Install the coolant reservoir. Refer to Coolant Recovery Reservoir Replacement in Engine Cooling.
  19. Connect the battery negative cable. Refer to Battery Negative Cable Disconnection and Connection .

Generator Replacement 8.1L

Removal Procedure

Caution: Unless directed otherwise, the ignition and start switch must be in the OFF or LOCK position, and all electrical loads must be OFF before servicing any electrical component. Disconnect the negative battery cable to prevent an electrical spark should a tool or equipment come in contact with an exposed electrical terminal. Failure to follow these precautions may result in personal injury and/or damage to the vehicle or its components.


    Object Number: 749754  Size: SH
  1. Disconnect the negative battery cable (1). Refer to Battery Negative Cable Disconnection and Connection .
  2. Remove the drive belt. Refer to Drive Belt Replacement in Engine Mechanical - 8.1L.
  3. Remove the fan shroud (upper). Refer to Fan Shroud Replacement in Engine Cooling.

  4. Object Number: 749924  Size: SH
  5. Remove the indicator tube bracket bolts and reposition the bracket.

  6. Object Number: 749617  Size: SH
  7. Remove the heater inlet pipe bolt from the bracket.
  8. Remove the indicator tube bracket.

  9. Object Number: 747120  Size: SH
  10. Remove the generator bolts (1).
  11. Reposition the generator.

  12. Object Number: 749919  Size: SH
  13. Reposition the positive cable boot at the generator.
  14. Remove the positive cable nut.
  15. Remove the positive cable from the generator.

  16. Object Number: 749921  Size: SH
  17. Disconnect the generator electrical connector.

Installation Procedure


    Object Number: 749921  Size: SH
  1. Connect the generator electrical connector.

  2. Object Number: 749919  Size: SH
  3. Install the positive cable to the generator.
  4. Notice: Use the correct fastener in the correct location. Replacement fasteners must be the correct part number for that application. Fasteners requiring replacement or fasteners requiring the use of thread locking compound or sealant are identified in the service procedure. Do not use paints, lubricants, or corrosion inhibitors on fasteners or fastener joint surfaces unless specified. These coatings affect fastener torque and joint clamping force and may damage the fastener. Use the correct tightening sequence and specifications when installing fasteners in order to avoid damage to parts and systems.

  5. Install the positive cable nut.
  6. Position the positive cable boot at the generator.

  7. Object Number: 747120  Size: SH
  8. Install the generator.
  9. Install the generator bolts (1).
  10. Tighten
    Tighten the generator bolts to 50 N·m (37 lb ft).


    Object Number: 749617  Size: SH
  11. Install the indicator tube bracket.
  12. Install the heater inlet pipe bolt to the bracket.
  13. Tighten
    Tighten the heater inlet pipe bolt to 5 N·m (44 lb in).


    Object Number: 749924  Size: SH
  14. Position the bracket and install the indicator tube bracket bolts.
  15. Tighten
    Tighten the indicator tube bracket bolts to 25 N·m (18 lb ft).


    Object Number: 749754  Size: SH
  16. Install the fan shroud (upper). Refer to Fan Shroud Replacement in Engine Cooling.
  17. Install the drive belt. Refer to Drive Belt Replacement in Engine Mechanical - 8.1L.
  18. Connect the negative battery cable (1). Refer to Battery Negative Cable Disconnection and Connection .

Generator Replacement 6.5L

Removal Procedure

  1. Disconnect the battery negative cable. Refer to Battery Negative Cable Disconnection and Connection .
  2. Remove the surge tank. Refer to Radiator Surge Tank Replacement in Engine Cooling.
  3. Remove the air cleaner assembly. Refer to Air Cleaner Assembly Replacement in Engine Controls- 6.5L (L65).
  4. Remove the upper fan shroud. Refer to Fan Shroud Replacement in Engine Cooling.
  5. Remove the drive belt from the generator. Refer to Drive Belt Replacement in Engine Mechanical- 6.5L.

  6. Object Number: 105618  Size: SH
  7. Remove the generator mounting bolts.
  8. Remove the generator from the engine.

  9. Object Number: 184024  Size: SH
  10. Disconnect the electrical connectors.

Installation Procedure

    Notice: Use the correct fastener in the correct location. Replacement fasteners must be the correct part number for that application. Fasteners requiring replacement or fasteners requiring the use of thread locking compound or sealant are identified in the service procedure. Do not use paints, lubricants, or corrosion inhibitors on fasteners or fastener joint surfaces unless specified. These coatings affect fastener torque and joint clamping force and may damage the fastener. Use the correct tightening sequence and specifications when installing fasteners in order to avoid damage to parts and systems.


    Object Number: 184024  Size: SH
  1. Connect the electrical connectors to the generator.
  2. Tighten
    Tighten the generator output BAT terminal nut to 18 N·m (13 lb ft).


    Object Number: 105618  Size: SH
  3. Install the generator to the engine.
  4. Install the generator mounting bolts.
  5. Tighten

        • Tighten the generator front mounting bolts to 50 N·m (37 lb ft).
        • Tighten the generator rear mounting bolt to 25 N·m (18 lb ft).
  6. Install the drive belt to the generator. Refer to Drive Belt Replacement in Engine Mechanical-6.5L.
  7. Install the upper fan shroud. Refer to Fan Shroud Replacement in Engine Cooling.
  8. Install the air cleaner assembly. Refer to Air Cleaner Assembly Replacement in Engine Controls-6.5L (L65).
  9. Install the surge tank. Refer to Radiator Surge Tank Replacement in Engine Cooling.
  10. Connect the battery negative cable. Refer to Battery Negative Cable Disconnection and Connection .