GM Service Manual Online
For 1990-2009 cars only

Removal Procedure

Important: The intake manifold, throttle body, fuel rail, and injectors may be removed as an assembly. If not servicing the individual components, remove the manifold as a complete assembly.


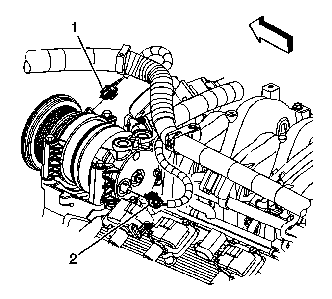
    Object Number: 749313  Size: SH
  1. Disconnect the following electrical connectors:
  2. • Mass airflow (MAF) sensor (1)
    • Intake air temperature (IAT) sensor (2)

    Object Number: 749314  Size: SH
  3. Loosen the clamp at the air cleaner.
  4. Remove the air cleaner bolts.
  5. Remove the air cleaner.

  6. Object Number: 712022  Size: SH
  7. Loosen the clamp (2) at the throttle body (1).
  8. Remove the air cleaner duct (3).

  9. Object Number: 71686  Size: SH
  10. Remove the coolant recovery reservoir bolt.
  11. Reposition the coolant recovery reservoir to the side.
  12. Remove the engine cover. Refer to Engine Cover Replacement in Interior Trim.
  13. Relieve the fuel system pressure. Refer to Fuel Pressure Relief in Engine Controls - 8.1L.

  14. Object Number: 748489  Size: SH
  15. Remove the oil fill tube bracket bolt and tube.

  16. Object Number: 652350  Size: SH
  17. Remove the air conditioning (A/C) compressor bolts.

  18. Object Number: 748482  Size: SH
  19. Disconnect the following A/C compressor electrical connectors:
  20. • A/C compressor (1)
    • A/C high pressure switch (2)
  21. Reposition the A/C compressor.

  22. Object Number: 728006  Size: SH
  23. Remove the exhaust gas recirculation (EGR) valve pipe bolts (2) from the EGR valve.
  24. Reposition the EGR valve pipe.

  25. Object Number: 748480  Size: SH
  26. Disconnect the following electrical connectors:
  27. • Purge valve solenoid (1)
    • Ignition coil harness (2)
    • Engine coolant temperature (ECT) sensor (3)
  28. Remove the ECT sensor wire clip from the ignition coil harness.

  29. Object Number: 748483  Size: SH
  30. Disconnect the following electrical connectors:
  31. • Manifold absolute pressure (MAP) sensor (1)
    • EGR valve (2)
  32. Disconnect the vacuum hose from the rear of the intake manifold.

  33. Object Number: 748484  Size: SH
  34. Disconnect the following electrical connectors:
  35. • Ignition coil (1)
    • Throttle position sensor (TPS) (3)
    • Electronic throttle control (ETC) (4)
  36. Remove the passenger rear, and the drivers front and rear harness clip bolts from the top of the intake manifold.
  37. Open the passenger front harness clip. Remove the harness from the clip.
  38. Reposition the engine wiring harness.

  39. Object Number: 745770  Size: SH
  40. Disconnect the evaporative emission canister tube from the purge solenoid.

  41. Object Number: 745772  Size: SH
  42. Disconnect the EVAP canister tube clip from the fuel rail.
  43. Disconnect the EVAP canister tube from the canister.
  44. Remove the EVAP canister tube.
  45. Disconnect the fuel line quick connect fittings. Refer to Metal Collar Quick Connect Fitting Service or Plastic Collar Quick Connect Fitting Service in Engine Controls - 8.1L.

  46. Object Number: 470775  Size: SH
  47. Remove the intake manifold bolts.
  48. Important: Do not attempt to loosen the manifold by prying under the gasket surface with any tool.

  49. Remove the intake manifold.

  50. Object Number: 470779  Size: SH

    Important: The intake manifold gaskets are not reusable.

  51. Remove and discard the intake manifold side gaskets.

  52. Object Number: 470783  Size: SH
  53. Remove and discard the lower intake manifold end seals.

  54. Object Number: 470786  Size: SH

    Important: The splash shield is secured using a snap-in fit. Do not distort the splash shield. The splash shield is reusable.

  55. Remove the splash shield.

  56. Object Number: 470760  Size: SH
  57. If replacement of the intake manifold is required, remove the throttle body nuts. Remove the throttle body and gasket.

  58. Object Number: 470770  Size: SH
  59. If replacement of the intake manifold is required, remove the fuel pressure regulator vacuum hose.

  60. Object Number: 470774  Size: SH
  61. If replacement of the intake manifold is required, remove the fuel rail studs and nuts. Remove the fuel rail and injectors.

  62. Object Number: 471015  Size: SH
  63. If replacement of the intake manifold is required, remove the purge solenoid bolt and purge solenoid.

  64. Object Number: 471023  Size: SH
  65. If replacement of the intake manifold is required, remove the MAP sensor bolt and sensor. Inspect the MAP sensor for damage.

  66. Object Number: 728005  Size: SH
  67. If replacement of the intake manifold is required, remove the EGR valve nuts (1). Remove the EGR valve (2) and gasket (3).
  68. Discard the gasket.

Installation Procedure


    Object Number: 728005  Size: SH

    Notice: Use the correct fastener in the correct location. Replacement fasteners must be the correct part number for that application. Fasteners requiring replacement or fasteners requiring the use of thread locking compound or sealant are identified in the service procedure. Do not use paints, lubricants, or corrosion inhibitors on fasteners or fastener joint surfaces unless specified. These coatings affect fastener torque and joint clamping force and may damage the fastener. Use the correct tightening sequence and specifications when installing fasteners in order to avoid damage to parts and systems.

  1. If replacement of the intake manifold was required, install a NEW EGR valve gasket (3), the EGR valve (2), and EGR valve nuts (1).
  2. Tighten
    Tighten the EGR valve nuts to 22 N·m (16 lb ft).


    Object Number: 471023  Size: SH

    Important: Lubricate the port of the MAP sensor with clean engine oil. Avoid dipping the sensor port directly into the lubricant or using a solid type of lubricant, as they may block the vacuum port signal.

  3. If replacement of the intake manifold was required, install the MAP sensor and bolt.
  4. Tighten
    Tighten the MAP sensor bolt to 12 N·m (106 lb in).


    Object Number: 471015  Size: SH

    Important: Apply a very light film of clean engine oil to the purge solenoid seal.

  5. If replacement of the intake manifold was required, install the purge solenoid and bolt.
  6. Tighten
    Tighten the purge solenoid bolt to 10 N·m (89 lb in).


    Object Number: 470774  Size: SH
  7. If replacement of the intake manifold was required, install the fuel rail with injectors. Install the fuel rail studs and nuts.
  8. Tighten
    Tighten the fuel rail studs and nuts to 12 N·m (106 lb in).


    Object Number: 470770  Size: SH
  9. If replacement of the intake manifold was required, install the fuel pressure regulator vacuum hose.

  10. Object Number: 470760  Size: SH
  11. If replacement of the intake manifold is required, install a NEW throttle body gasket and the throttle body. Install the throttle body nuts.
  12. Tighten
    Tighten the throttle body nuts to 10 N·m (89 lb in).


    Object Number: 470786  Size: SH
  13. Install the intake manifold splash shield.

  14. Object Number: 413867  Size: SH
  15. Ensure the splash shield (2) snap fits between the cylinder heads (1).

  16. Object Number: 470783  Size: SH
  17. Install NEW intake manifold end seals.

  18. Object Number: 470779  Size: SH
  19. Install NEW intake manifold side gaskets.

  20. Object Number: 470778  Size: SH
  21. Ensure the intake manifold gasket tabs align with the hole in the head gasket.
  22. Ensure the intake manifold gasket tabs align with the slot in the intake manifold end seals.

  23. Object Number: 470775  Size: SH
  24. Install the intake manifold.

  25. Object Number: 640010  Size: SH
  26. Apply threadlock GM U.S. P/N 12345382, Canada P/N 10953489, or equivalent to a minimum of eight threads of the intake manifold bolts.
  27. Important: 

       • The entire intake manifold tightening sequence must be followed exactly, or an oil leak resulting in engine damage may occur. Ensure the intake manifold is tightened without allowing the intake manifold to shift.
       • The entire intake manifold tightening sequence must be promptly completed due to anaerobic thread adhesive. The final pass of the tightening sequence must be completed before the adhesive starts to cure, or false torque readings and ineffective thread locking may result.

  28. Install the intake manifold bolts.
  29. Tighten the intake manifold bolts in sequence, using four passes.
  30. Tighten

    1. Snug the intake manifold bolts in sequence to 5 N·m (44 lb in) on the first pass.
    2. Snug the intake manifold bolts in sequence to 5 N·m (44 lb in) on the second pass. Inspect the intake manifold joints for signs of intake manifold shifting. Correct as required.
    3. Tighten the intake manifold bolts in sequence to 10 N·m (89 lb in) on the third pass.
    4. Tighten the intake manifold bolts in sequence to 12 N·m (106 lb in) on the final pass.
  31. Connect the fuel line quick connect fittings.

  32. Object Number: 745772  Size: SH
  33. Install the EVAP canister tube.
  34. Connect the EVAP canister tube to the canister.
  35. Connect the EVAP canister tube clip to the fuel rail.

  36. Object Number: 745770  Size: SH
  37. Connect the EVAP emission canister tube to the purge solenoid.

  38. Object Number: 748484  Size: SH
  39. Position the engine wiring harness to the intake manifold.
  40. Install the passenger rear, and the drivers front and rear harness clip bolts to the top of the intake manifold.
  41. Tighten
    Tighten the engine wiring harness clip bolts to 5 N·m (44 lb in).

  42. Install the harness to the passenger front clip. Close the clip.
  43. Connect the following electrical connectors:
  44. • Ignition coil (1)
    • TPS (3)
    • ETC (4)
  45. Connect the vacuum hose to the rear of the intake manifold.

  46. Object Number: 748483  Size: SH
  47. Connect the following electrical connectors:
  48. • MAP sensor (1)
    • EGR valve (2)
  49. Install the ECT sensor wire clip to the ignition coil harness.

  50. Object Number: 748480  Size: SH
  51. Connect the following electrical connectors:
  52. • Purge valve solenoid (1)
    • Ignition coil harness (2)
    • ECT sensor (3)

    Object Number: 728006  Size: SH
  53. Position the EGR valve pipe.
  54. Install the EGR valve pipe bolts (2) to the EGR valve.
  55. Tighten
    Tighten the EGR valve pipe bolts to 25 N·m (19 lb ft).


    Object Number: 748482  Size: SH
  56. Position the A/C compressor.
  57. Connect the following A/C compressor electrical connectors:
  58. • A/C compressor (1)
    • A/C high pressure switch (2)

    Object Number: 652350  Size: SH
  59. Install the A/C compressor bolts.
  60. Tighten
    Tighten the A/C compressor bolts to 50 N·m (37 lb ft).


    Object Number: 748489  Size: SH
  61. Install the oil fill tube and bolt.
  62. Tighten
    Tighten the oil fill tube bracket bolt to 12 N·m (106 lb in).

  63. Install the engine cover. Refer to Engine Cover Replacement in Interior Trim.

  64. Object Number: 71686  Size: SH
  65. Position the coolant recovery reservoir.
  66. Install the coolant recovery reservoir bolt.
  67. Tighten
    Tighten the coolant recovery reservoir bolt to 7 N·m (62 lb in).


    Object Number: 712022  Size: SH
  68. Install the air cleaner duct (3).
  69. Position and tighten the clamp (2) at the throttle body (1).
  70. Tighten
    Tighten the air cleaner duct clamp to 4 N·m (35 lb in).


    Object Number: 749314  Size: SH
  71. Install the air cleaner.
  72. Install the air cleaner bolts.
  73. Tighten
    Tighten the air cleaner bolts to 10 N·m (89 lb in).

  74. Tighten the clamp at the air cleaner.
  75. Tighten
    Tighten the air cleaner duct clamp to 4 N·m (35 lb in).


    Object Number: 749313  Size: SH
  76. Connect the following electrical connectors:
  77. • MAF sensor (1)
    • IAT sensor (2)