GM Service Manual Online
For 1990-2009 cars only

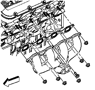
Exhaust Manifold Installation - Left Side C/K/G/C3500HD


    Object Number: 470683  Size: SH

    Notice: Use the correct fastener in the correct location. Replacement fasteners must be the correct part number for that application. Fasteners requiring replacement or fasteners requiring the use of thread locking compound or sealant are identified in the service procedure. Do not use paints, lubricants, or corrosion inhibitors on fasteners or fastener joint surfaces unless specified. These coatings affect fastener torque and joint clamping force and may damage the fastener. Use the correct tightening sequence and specifications when installing fasteners in order to avoid damage to parts and systems.

  1. Install the exhaust manifold studs into the cylinder head (if necessary).
  2. Tighten
    Tighten the exhaust manifold studs to 20 N·m (15 lb ft).


    Object Number: 470679  Size: SH
  3. Install the NEW left exhaust manifold gasket.
  4. Install the left exhaust manifold.
  5. Install the left exhaust manifold nuts and center bolt.
  6. Tighten

        • Tighten the left exhaust manifold center bolt to 35 N·m (26 lb ft).
        • Tighten the left exhaust manifold nuts to 16 N·m (12 lb ft).

    Object Number: 470676  Size: SH
  7. Install the left exhaust manifold heat shield.
  8. Install the left exhaust manifold heat shield bolts and nuts.
  9. Tighten
    Tighten the left exhaust manifold heat shield bolts and nuts to 25 N·m (18 lb ft).


    Object Number: 470690  Size: SH
  10. Install the left spark plugs.
  11. Tighten
    Tighten the left spark plugs to 20 N·m (15 lb ft).


    Object Number: 470666  Size: SH

    Important: Fully install the spark plug wire by pushing on the exposed end of the spark plug boot. Do not push the spark plug wire onto the spark plug by using the metal heat shield.

  12. Install the left spark plug wires to the spark plugs and ignition coils.

  13. Object Number: 470641  Size: SH
  14. Install the secondary air injection pipe and NEW secondary air injection pipe gaskets.
  15. Connect the secondary air injection pipe to the secondary air injection pump pipe.
  16. Install the secondary air injection pipe bolts to the left exhaust manifold.
  17. Tighten
    Tighten the secondary air injection pipe bolts to 25 N·m (18 lb ft).

  18. Install the secondary air injection pipe nut to the fuel injection fuel rail stud.
  19. Tighten
    Tighten the secondary air injection pipe nut to 12 N·m (106 lb in).

Exhaust Manifold Installation - Left Side Medium Duty


    Object Number: 470683  Size: SH

    Notice: Use the correct fastener in the correct location. Replacement fasteners must be the correct part number for that application. Fasteners requiring replacement or fasteners requiring the use of thread locking compound or sealant are identified in the service procedure. Do not use paints, lubricants, or corrosion inhibitors on fasteners or fastener joint surfaces unless specified. These coatings affect fastener torque and joint clamping force and may damage the fastener. Use the correct tightening sequence and specifications when installing fasteners in order to avoid damage to parts and systems.

  1. Install the exhaust manifold studs into the cylinder head, if necessary.
  2. Tighten
    Tighten the exhaust manifold studs to 20 N·m (15 lb ft).


    Object Number: 470686  Size: SH
  3. Install the NEW left exhaust manifold gasket.
  4. Install the left exhaust manifold.
  5. Install the left exhaust manifold nuts and center bolt.
  6. Tighten

        • Tighten the left exhaust manifold center bolt to 35 N·m (26 lb ft).
        • Tighten the left exhaust manifold nuts to 16 N·m (12 lb ft).

    Object Number: 470678  Size: SH
  7. Install the left exhaust manifold heat shield.
  8. Install the left exhaust manifold heat shield nuts.
  9. Tighten
    Tighten the left exhaust manifold heat shield nuts to 25 N·m (19 lb ft).


    Object Number: 470690  Size: SH
  10. Install the left spark plugs.
  11. Tighten
    Tighten the left spark plugs to 20 N·m (15 lb ft).


    Object Number: 470666  Size: SH

    Important: Fully install the spark plug wire by pushing on the exposed end of the spark plug boot. Do not push the spark plug wire onto the spark plug by using the metal heat shield.

  12. Install the left spark plug wires to the spark plugs and ignition coils.