GM Service Manual Online
For 1990-2009 cars only

Removal Procedure

  1. Open the hood
  2. Remove the air cleaner assembly. Refer to the following procedures:
  3. •  Air Cleaner Assembly Replacement in Engine Controls-4.3L
    •  Air Cleaner Assembly Replacement in Engine Controls-5.0L and 5.7L
    •  Air Cleaner Assembly Replacement in Engine Controls-6.5L (L65)
    •  Air Cleaner Assembly Replacement in Engine Controls-8.1L

    Object Number: 567860  Size: SH

    Notice: Do not remove the C-clip from the cruise control connector. The C-clip was not designed for removal. Damage may occur when removing.

  4. The C-clip was not designed for removal. Do NOT remove the C-clip.

  5. Object Number: 567851  Size: SH

    Important: Do not remove the adjuster screw from the end of the cruise control cable.

  6. Cable adjustment will be needed for proper operation.

  7. Object Number: 580222  Size: SH
  8. Remove the cruise control cable end (2) from the throttle linkage (1).
  9. Use a suitable tool to lightly pry off the end of the cruise control cable end (2) from the throttle linkage.


    Object Number: 580239  Size: SH
  10. Disconnect the cruise control cable from the cable bracket by squeezing the retaining tabs on the cable.
  11. Disconnect the cruise cable from the retaining clip on the fan shroud.
  12. Squeeze the retaining tabs on the cruise control cable fitting to expose the cable bead (3) and the buckle (1) of the ribbon.

  13. Object Number: 332348  Size: SH

    Important: Do not allow the cruise control ribbon to retract into the module assembly.

  14. Disconnect the cruise control cable from the cruise control module.
  15. Disconnect the cruise control cable bead (3) from the buckle (1) on the end of the ribbon.
  16. Remove the cruise control cable from the vehicle.

Installation Procedure


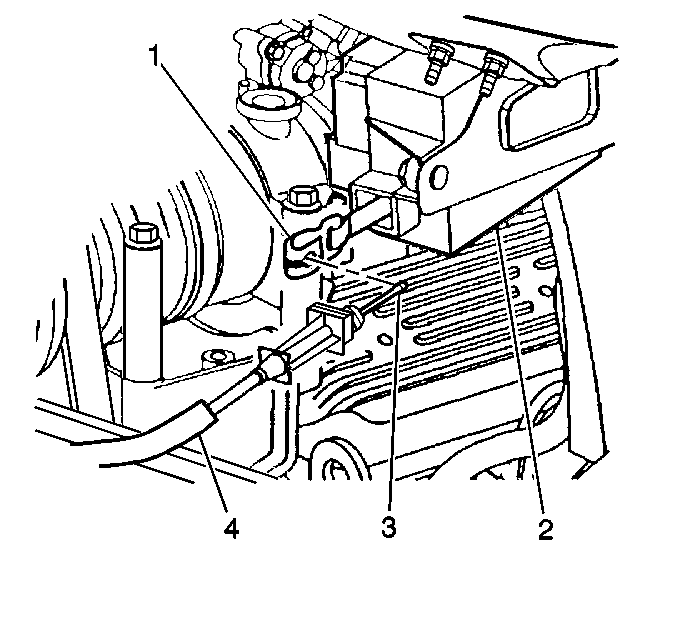
    Object Number: 587245  Size: SH
  1. Route the cruise control cable (4) from the cruise control module (3) to the throttle body.

  2. Object Number: 7386  Size: SH

    Important: Do not twist the cruise control module ribbon.

  3. Remove all bends and twists from the cruise control module ribbon and cable, by rotating the ribbon.
  4. Pull the cruise control cable from the throttle linkage end until the cable is taut.

  5. Object Number: 332348  Size: SH
  6. Install the cable bead (3) to the buckle (1) on the end of the ribbon on the cruise control module.

  7. Object Number: 293695  Size: SH
  8. Check the orientation of the cruise control ribbon buckle to the cable end fitting.
  9. Snap the cruise control cable fitting into the cruise control module.

  10. Object Number: 580230  Size: SH

    Important: Verify that the cable fitting locking tabs are expanded, and that the tabs are locked in the bracket hole.

  11. Install the cruise control cable fitting into the round hole in the cable bracket.

  12. Object Number: 580222  Size: SH
  13. Connect the cruise control cable end (2) to the throttle linkage (1).
  14. Adjust the cruise control cable.
  15. Install the air cleaner assembly. Refer to the following procedures:
  16. •  Air Cleaner Assembly Replacement in Engine Controls-4.3L
    •  Air Cleaner Assembly Replacement in Engine Controls-5.0L and 5.7L
    •  Air Cleaner Assembly Replacement in Engine Controls-6.5L (L65)
    •  Air Cleaner Assembly Replacement in Engine Controls-8.1L
  17. Close the hood.