GM Service Manual Online
For 1990-2009 cars only

Disassembled Views M/L Van and G Van

Figure 1:

Upper and Lower Intake Manifold View


Object Number: 334238  Size: LF
(1)Fuel Pipe Retainer Bracket Nut
(2)Fuel Pipe Retainer
(3)Fuel Pipe
(4)Fuel Pipe Bolt
(5)Fuel Seal Retainer
(6)Upper Fuel Seal (Yellow O-ring)
(7)Spacer Ring (Metal Flat Washer)
(8)Lower Fuel Seal (Black O-ring)
(9)Upper Manifold Attaching Stud
(10)Upper Intake Manifold
(11)Upper Intake to Lower Intake Manifold Gasket
(12)Fuel Meter Body Seal (O-ring)
(13)Fuel Meter Body
(14)Intake Manifold
(15)Throttle Body to Upper Intake Manifold Gasket
(16)Throttle Body
(17)Throttle Body Attaching Stud
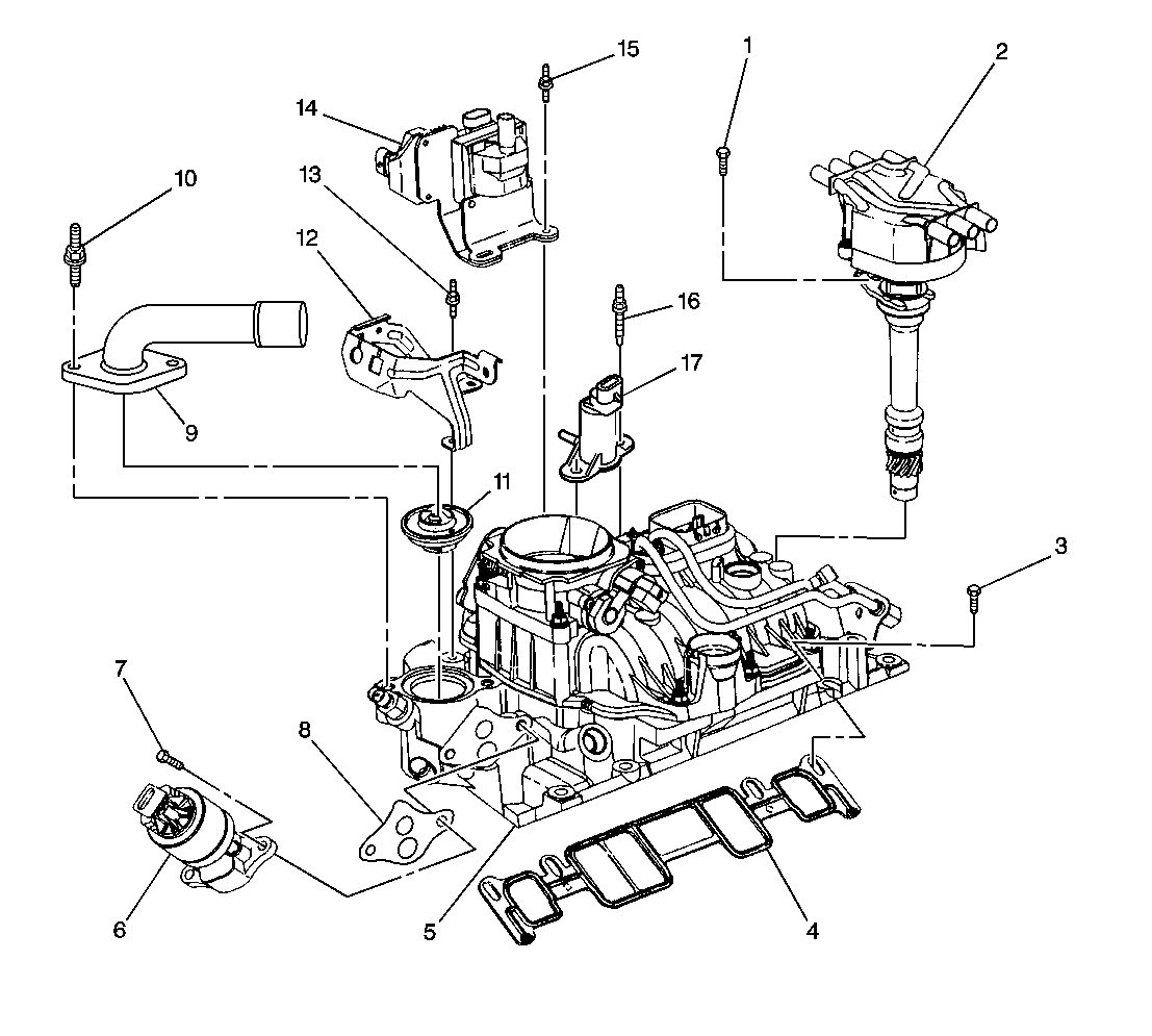
Figure 2:

Upper Engine View 1


Object Number: 480504  Size: LF
(1)Distributor Bolt
(2)Distributor
(3)Intake Manifold Bolt - Lower
(4)Intake Manifold Gasket - Lower
(5)Intake Manifold Assembly
(6)EGR Valve
(7)EGR Valve Bolt
(8)EGR Valve Gasket
(9)Water Outlet
(10)Water Outlet Stud
(11)Engine Coolant Thermostat
(12)Accelerator Control Cable Bracket
(13)Accelerator Control Cable Bracket Stud
(14)Ignition Coil
(15)Ignition Coil Stud
(16)EVAP Canister Purge Solenoid Valve Stud
(17)EVAP Canister Purge Solenoid Valve
Figure 3:

Upper Engine View 2


Object Number: 480513  Size: LF
(1)Valve Rocker Arm Cover
(2)Valve Rocker Arm Cover Gasket
(3)Valve Rocker Arm Assembly
(4)Valve Rocker Arm Support
(5)Spark Plug Wire Support
(6)Spark Plug Wire Support Bolt
(7)Exhaust Manifold Gasket
(8)Exhaust Manifold
(9)Exhaust Manifold Bolt
(10)Spark Plug Wire Shields
(11)Exhaust Manifold Gasket
(12)Valve Lifter
(13)Valve Lifter Pushrod Guide
(14)Valve Pushrod
(15)Cylinder Head Gasket
(16)Engine Lift Front Bracket
(17)Cylinder Head Bolt
(18)Cylinder Head
Figure 4:

Lower Engine View 1


Object Number: 480515  Size: LF
(1)Oil Level Indicator Tube Bolt
(2)Oil Level Indicator
(3)Oil Level Indicator Tube
(4)Engine Oil Pressure Sensor Fitting
(5)Balance Shaft Bearing - Rear
(6)Knock Sensor
(7)Expansion Cup Plug - Balance Shaft Rear Bearing Hole
(8)Engine Block Rear Oil Gallery Plug
(9)Expansion Cup Plug - Camshaft Rear Bearing Hole
(10)Engine Block
(11)Dowel Straight Pin - Transmission Locator
(12)Left Side Oil Gallery Plug
(13)Oil Filter Adapter Gasket
(14)Oil Filter Adapter Seal - O-ring
(15)Oil Filter Adapter - Typical
(16)Oil Filter Adapter Bolt
(17)Oil Filter
(18)Oil Filter Fitting
(19)Oil Filter Adapter Bolt
(20)Oil Filter Bypass Valve
(21)Engine Coolant Drain Hole Plug
(22)Engine Block Core Hole Plug
(23)Dowel Pin - Cylinder Head Locator
(24)Water Pump Gasket
(25)Water Pump
(26)Water Pump Bolt
(27)Front Oil Gallery Plug
(28)Camshaft Bearings
(29)Engine Camshaft
(30)Camshaft Retainer
(31)Camshaft Retainer Bolt
(32)Balance Shaft Drive Gear
(33)Camshaft Sprocket
(34)Camshaft Timing Chain
(35)Camshaft Sprocket Bolt
(36)Balance Shaft Gear Bolt
(37)Balance Shaft Driven Gear
(38)Balance Shaft Retainer Bolt
(39)Balance Shaft Retainer
(40)Balance Shaft
(41)Piston Ring Set
(42)Piston
(43)Piston Pin
(44)Connecting Rod Bolt
(45)Connecting Rod
(46)Connecting Rod Bearings
(47)Connecting Rod Cap
(48)Hex Nut
Figure 5:

Lower Engine View 2


Object Number: 480518  Size: LF
(1)Crankshaft Rear Oil Seal Housing Retainer Stud
(2)Crankshaft Rear Oil Seal Housing Nut
(3)Flywheel Locator Pin
(4)Crankshaft Rear Oil Seal Housing Bolt
(5)Crankshaft Rear Oil Seal Housing
(6)Crankshaft Rear Oil Seal Housing Gasket
(7)Crankshaft
(8)Oil Pump Drive Shaft
(9)Oil Pump Locator Pin
(10)Oil Pump Drive Shaft Retainer
(11)Oil Pump
(12)Oil Pump Bolt
(13)Oil Pan
(14)Oil Pan Bolt
(15)Oil Pan Gasket
(16)Crankshaft Bearing Cap Bolt
(17)Crankshaft Bearing Cap
(18)Crankshaft Bearings - Lower
(19)Crankshaft Sprocket
(20)Crankshaft Position Sensor Reluctor Ring
(21)Engine Front Cover
(22)Crankshaft Front Oil Seal
(23)Crankshaft Balancer
(24)Crankshaft Balancer Bolt
(25)Crankshaft Balancer Key
(26)Crankshaft Bearings - Upper

Disassembled Views S/T Truck

Figure 1:

Upper and Lower Intake Manifold View


Object Number: 334238  Size: LF
(1)Fuel Pipe Retainer Bracket Nut
(2)Fuel Pipe Retainer
(3)Fuel Pipe
(4)Fuel Pipe Bolt
(5)Fuel Seal Retainer
(6)Upper Fuel Seal (Yellow O-ring)
(7)Spacer Ring (Metal Flat Washer)
(8)Lower Fuel Seal (Black O-ring)
(9)Upper Manifold Attaching Stud
(10)Upper Intake Manifold
(11)Upper Intake to Lower Intake Manifold Gasket
(12)Fuel Meter Body Seal (O-ring)
(13)Fuel Meter Body
(14)Intake Manifold
(15)Throttle Body to Upper Intake Manifold Gasket
(16)Throttle Body
(17)Throttle Body Attaching Stud
Figure 2:

Upper Engine View 1


Object Number: 480498  Size: LF
(1)Distributor Bolt
(2)Distributor
(3)Intake Manifold Bolt - Lower
(4)Intake Manifold Gasket - Lower
(5)Intake Manifold Assembly
(6)EGR Valve
(7)EGR Valve Bolt
(8)EGR Valve Gasket
(9)Water Outlet
(10)Water Outlet Stud
(11)Engine Coolant Thermostat
(12)Accelerator Control Cable Bracket
(13)Accelerator Control Cable Bracket Stud
(14)Ignition Coil
(15)Ignition Coil Stud
(16)EVAP Canister Purge Solenoid Valve Stud
(17)EVAP Canister Purge Solenoid Valve
Figure 3:

Upper Engine View 2


Object Number: 480511  Size: LF
(1)Valve Rocker Arm Cover
(2)Valve Rocker Arm Cover Gasket
(3)Valve Rocker Arm Assembly
(4)Valve Rocker Arm Support
(5)Spark Plug Wire Support
(6)Spark Plug Wire Support Bolt
(7)Exhaust Manifold Gasket
(8)Exhaust Manifold
(9)Exhaust Manifold Bolt
(10)Exhaust Manifold Gasket
(11)Valve Lifter
(12)Valve Lifter Pushrod Guide
(13)Valve Pushrod
(14)Cylinder Head Gasket
(15)Engine Lift Front Bracket
(16)Cylinder Head Bolt
(17)Cylinder Head
Figure 4:

Lower Engine View 1


Object Number: 480515  Size: LF
(1)Oil Level Indicator Tube Bolt
(2)Oil Level Indicator
(3)Oil Level Indicator Tube
(4)Engine Oil Pressure Sensor Fitting
(5)Balance Shaft Bearing - Rear
(6)Knock Sensor
(7)Expansion Cup Plug - Balance Shaft Rear Bearing Hole
(8)Engine Block Rear Oil Gallery Plug
(9)Expansion Cup Plug - Camshaft Rear Bearing Hole
(10)Engine Block
(11)Dowel Straight Pin - Transmission Locator
(12)Left Side Oil Gallery Plug
(13)Oil Filter Adapter Gasket
(14)Oil Filter Adapter Seal - O-ring
(15)Oil Filter Adapter - Typical
(16)Oil Filter Adapter Bolt
(17)Oil Filter
(18)Oil Filter Fitting
(19)Oil Filter Adapter Bolt
(20)Oil Filter Bypass Valve
(21)Engine Coolant Drain Hole Plug
(22)Engine Block Core Hole Plug
(23)Dowel Pin - Cylinder Head Locator
(24)Water Pump Gasket
(25)Water Pump
(26)Water Pump Bolt
(27)Front Oil Gallery Plug
(28)Camshaft Bearings
(29)Engine Camshaft
(30)Camshaft Retainer
(31)Camshaft Retainer Bolt
(32)Balance Shaft Drive Gear
(33)Camshaft Sprocket
(34)Camshaft Timing Chain
(35)Camshaft Sprocket Bolt
(36)Balance Shaft Gear Bolt
(37)Balance Shaft Driven Gear
(38)Balance Shaft Retainer Bolt
(39)Balance Shaft Retainer
(40)Balance Shaft
(41)Piston Ring Set
(42)Piston
(43)Piston Pin
(44)Connecting Rod Bolt
(45)Connecting Rod
(46)Connecting Rod Bearings
(47)Connecting Rod Cap
(48)Hex Nut
Figure 5:

Lower Engine View 2


Object Number: 480518  Size: LF
(1)Crankshaft Rear Oil Seal Housing Retainer Stud
(2)Crankshaft Rear Oil Seal Housing Nut
(3)Flywheel Locator Pin
(4)Crankshaft Rear Oil Seal Housing Bolt
(5)Crankshaft Rear Oil Seal Housing
(6)Crankshaft Rear Oil Seal Housing Gasket
(7)Crankshaft
(8)Oil Pump Drive Shaft
(9)Oil Pump Locator Pin
(10)Oil Pump Drive Shaft Retainer
(11)Oil Pump
(12)Oil Pump Bolt
(13)Oil Pan
(14)Oil Pan Bolt
(15)Oil Pan Gasket
(16)Crankshaft Bearing Cap Bolt
(17)Crankshaft Bearing Cap
(18)Crankshaft Bearings - Lower
(19)Crankshaft Sprocket
(20)Crankshaft Position Sensor Reluctor Ring
(21)Engine Front Cover
(22)Crankshaft Front Oil Seal
(23)Crankshaft Balancer
(24)Crankshaft Balancer Bolt
(25)Crankshaft Balancer Key
(26)Crankshaft Bearings - Upper

Disassembled Views C/K 800 Truck

Figure 1:

Upper and Lower Intake Manifold View


Object Number: 334238  Size: LF
(1)Fuel Pipe Retainer Bracket Nut
(2)Fuel Pipe Retainer
(3)Fuel Pipe
(4)Fuel Pipe Bolt
(5)Fuel Seal Retainer
(6)Upper Fuel Seal (Yellow O-ring)
(7)Spacer Ring (Metal Flat Washer)
(8)Lower Fuel Seal (Black O-ring)
(9)Upper Manifold Attaching Stud
(10)Upper Intake Manifold
(11)Upper Intake to Lower Intake Manifold Gasket
(12)Fuel Meter Body Seal (O-ring)
(13)Fuel Meter Body
(14)Intake Manifold
(15)Throttle Body to Upper Intake Manifold Gasket
(16)Throttle Body
(17)Throttle Body Attaching Stud
Figure 2:

Upper Engine View 1


Object Number: 480498  Size: LF
(1)Distributor Bolt
(2)Distributor
(3)Intake Manifold Bolt - Lower
(4)Intake Manifold Gasket - Lower
(5)Intake Manifold Assembly
(6)EGR Valve
(7)EGR Valve Bolt
(8)EGR Valve Gasket
(9)Water Outlet
(10)Water Outlet Stud
(11)Engine Coolant Thermostat
(12)Accelerator Control Cable Bracket
(13)Accelerator Control Cable Bracket Stud
(14)Ignition Coil
(15)Ignition Coil Stud
(16)EVAP Canister Purge Solenoid Valve Stud
(17)EVAP Canister Purge Solenoid Valve
Figure 3:

Upper Engine View 2


Object Number: 480513  Size: LF
(1)Valve Rocker Arm Cover
(2)Valve Rocker Arm Cover Gasket
(3)Valve Rocker Arm Assembly
(4)Valve Rocker Arm Support
(5)Spark Plug Wire Support
(6)Spark Plug Wire Support Bolt
(7)Exhaust Manifold Gasket
(8)Exhaust Manifold
(9)Exhaust Manifold Bolt
(10)Spark Plug Wire Shields
(11)Exhaust Manifold Gasket
(12)Valve Lifter
(13)Valve Lifter Pushrod Guide
(14)Valve Pushrod
(15)Cylinder Head Gasket
(16)Engine Lift Front Bracket
(17)Cylinder Head Bolt
(18)Cylinder Head
Figure 4:

Lower Engine View 1


Object Number: 569262  Size: LF
(1)Oil Level Indicator Tube Bolt
(2)Oil Level Indicator
(3)Oil Level Indicator Tube
(4)Engine Oil Pressure Sensor Fitting
(5)Balance Shaft Bearing - Rear
(6)Knock Sensor
(7)Expansion Cup Plug - Balance Shaft Rear Bearing Hole
(8)Engine Block Rear Oil Gallery Plug
(9)Expansion Cup Plug - Camshaft Rear Bearing Hole
(10)Engine Block
(11)Dowel Straight Pin - Transmission Locator
(12)Left Side Oil Gallery Plug
(13)Oil Filter
(14)Oil Filter Fitting
(15)Oil Filter Bypass Valve
(16)Engine Coolant Drain Hole Plug
(17)Engine Block Core Hole Plug
(18)Dowel Pin - Cylinder Head Locator
(19)Water Pump Gasket
(20)Water Pump
(21)Water Pump Bolt
(22)Front Oil Gallery Plug
(23)Camshaft Bearings
(24)Engine Camshaft
(25)Camshaft Retainer
(26)Camshaft Retainer Bolt
(27)Balance Shaft Drive Gear
(28)Camshaft Sprocket
(29)Camshaft Timing Chain
(30)Camshaft Sprocket Bolt
(31)Balance Shaft Gear Bolt
(32)Balance Shaft Driven Gear
(33)Balance Shaft Retainer Bolt
(34)Balance Shaft Retainer
(35)Balance Shaft
(36)Piston Ring Set
(37)Piston
(38)Piston Pin
(39)Connecting Rod Bolt
(40)Connecting Rod
(41)Connecting Rod Bearings
(42)Connecting Rod Cap
(43)Hex Nut
Figure 5:

Lower Engine View 2


Object Number: 480518  Size: LF
(1)Crankshaft Rear Oil Seal Housing Retainer Stud
(2)Crankshaft Rear Oil Seal Housing Nut
(3)Flywheel Locator Pin
(4)Crankshaft Rear Oil Seal Housing Bolt
(5)Crankshaft Rear Oil Seal Housing
(6)Crankshaft Rear Oil Seal Housing Gasket
(7)Crankshaft
(8)Oil Pump Drive Shaft
(9)Oil Pump Locator Pin
(10)Oil Pump Drive Shaft Retainer
(11)Oil Pump
(12)Oil Pump Bolt
(13)Oil Pan
(14)Oil Pan Bolt
(15)Oil Pan Gasket
(16)Crankshaft Bearing Cap Bolt
(17)Crankshaft Bearing Cap
(18)Crankshaft Bearings - Lower
(19)Crankshaft Sprocket
(20)Crankshaft Position Sensor Reluctor Ring
(21)Engine Front Cover
(22)Crankshaft Front Oil Seal
(23)Crankshaft Balancer
(24)Crankshaft Balancer Bolt
(25)Crankshaft Balancer Key
(26)Crankshaft Bearings - Upper