GM Service Manual Online
For 1990-2009 cars only

Removal Procedure

  1. Remove the oil pan, gasket, and filter. Refer to Automatic Transmission Fluid and Filter Replacement

  2. Object Number: 5443  Size: SH
  3. Disconnect the electrical connectors from the control valve body components.
  4. The electrical connectors locations are referenced by callouts (1) through (6).


    Object Number: 29454  Size: SH
  5. Remove the bolts securing the pressure switch to the control valve body.

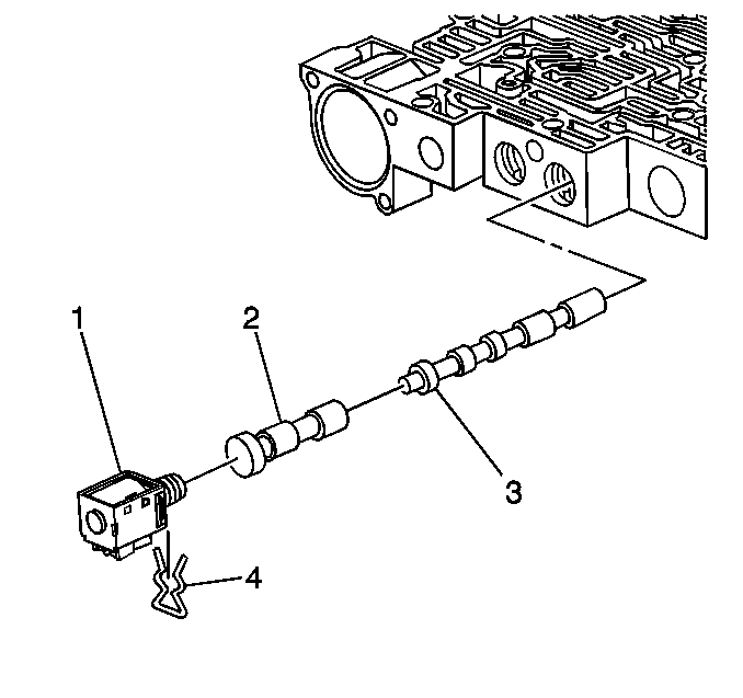
  6. Object Number: 409065  Size: SH
  7. Remove the torque converter clutch solenoid bolts.

  8. Object Number: 508043  Size: SH
  9. Remove the retainer clip (2) and torque converter clutch solenoid (1).
  10. Remove the wiring harness bolts and let the wiring harness hang.

  11. Object Number: 13895  Size: SH
  12. Remove the manual shift detent spring bolt.
  13. Remove the manual shift detent spring assembly.
  14. Remove the remaining control valve body bolts.

  15. Object Number: 29460  Size: SH
  16. Remove the manual valve link and the control valve body from the transmission case.
  17. Remove the accumulator, spacer plate, and gaskets. Refer to Accumulator Assembly, Spacer Plate, and Gaskets

Disassembly Procedure


    Object Number: 473252  Size: SH
  1. Remove the solenoid retainer (4) and the 1-2 shift solenoid (1).
  2. Remove the 1-2 shift valve (2) and the 1-2 shift valve spring  (3).

  3. Object Number: 473254  Size: SH
  4. Remove the solenoid retainer (4) and the 2-3 shift solenoid (1).
  5. Remove the 2-3 shuttle valve (2) and the 2-3 shift valve (3).

  6. Object Number: 473257  Size: SH
  7. Remove the coiled spring pin (1).
  8. Remove the 1-2 accumulator valve sleeve (2).
  9. Remove the 1-2 accumulator valve (3) and the 1-2 accumulator valve spring (4).

  10. Object Number: 473263  Size: SH
  11. Remove the solenoid retainer bolt (7) and the solenoid retainer (6). Remove the pressure control solenoid (1).
  12. Compress the actuator feed limit valve spring (3).
  13. Remove the bore plug retainer (2) and release the spring slowly.
  14. Remove the bore plug (5).
  15. Remove the actuator feed limit valve spring (3) and the actuator feed limit valve (4).

  16. Object Number: 473266  Size: SH
  17. Remove the solenoid retainer (4) and the 3-2 control solenoid (1).
  18. Remove the 3-2 control valve (2) and the 3-2 control valve spring (3).

  19. Object Number: 473267  Size: SH
  20. Remove the bore plug retainer (1) and the bore plug (8).
  21. Remove the 3-2 downshift valve spring (2) and the 3-2 downshift valve (3).
  22. Remove the coiled spring pin (4) and the bore plug (7).
  23. Remove the reverse abuse valve spring (5) and the reverse abuse valve (6).

  24. Object Number: 473270  Size: SH
  25. Remove the bore plug retainer (1) and the bore plug (4).
  26. Remove the 3-4 shift valve spring (2) and the 3-4 shift valve (3).

  27. Object Number: 473275  Size: SH
  28. Remove the bore plug retainer (1) and the bore plug (5).
  29. Remove the 3-4 relay valve (2) and the 4-3 sequence valve (3) and the 4-3 sequence valve spring (4).

  30. Object Number: 473272  Size: SH
  31. Remove the bore plug retainer (1) and the bore plug (5).
  32. Remove the regulator apply valve (4) and the regulator apply spring (3) and the isolator valve (2).

Assembly Procedure


    Object Number: 473272  Size: SH
  1. Install the following items:
  2. • The isolator valve (2)
    • The regulator apply spring (3)
    • The regulator apply valve (4)
    • The bore plug (5)
    • The bore plug retainer (1)

    Object Number: 473275  Size: SH

    Important: Lubricate all parts with Dexron®-lll automatic transmission fluid before installation.

  3. Install the following items:
  4. • The 4-3 sequence valve spring (4)
    • The 4-3 sequence valve (3)
    • The 3-4 relay valve (2)
    • The bore plug (5)
    • The bore plug retainer (1)

    Object Number: 473270  Size: SH
  5. Install the following items:
  6. • The 3-4 shift valve (3)
    • The 3-4 shift valve spring (2)
    • The bore plug (4)
    • The bore plug retainer (1)

    Object Number: 473267  Size: SH
  7. Install the following items:
  8. • The reverse abuse valve (6)
    • The reverse abuse valve spring (5)
    • The bore plug (7)
    • The coiled spring pin (4)
    • The 3-2 downshift valve (3)
    • The 3-2 downshift valve spring (2)
    • The bore plug (8)
    • The bore plug retainer (1)

    Object Number: 473266  Size: SH
  9. Install the following items:
  10. • The 3-2 control valve spring (3)
    • The 3-2 control valve (2)
    • The 3-2 control solenoid (1)
    • The solenoid retainer (4)

    Object Number: 473263  Size: SH
  11. Install the following items:
  12. • The actuator feed limit valve (4)
    • The actuator feed limit valve spring (3)
    • The bore plug (5)
    • The bore plug retainer (2)
    • The pressure control solenoid (1)
    • The solenoid retainer (6)
    • The solenoid retainer bolt (7)

    Object Number: 473257  Size: SH
  13. Install the following items:
  14. • The 1-2 accumulator valve spring (4)
    • The 1-2 accumulator valve (3) in the 1-2 accumulator valve sleeve (2)
    • The 1-2 accumulator valve and sleeve assembly
    • The coiled spring pin (1)

    Object Number: 473254  Size: SH
  15. Install the following items:
  16. • The 2-3 shift valve (3)
    • The 2-3 shuttle valve (2)
    • The 2-3 shift solenoid valve (1)
    • The solenoid retainer (4)

    Object Number: 473252  Size: SH
  17. Install the following items:
  18. • The 1-2 shift valve spring (3)
    • The 1-2 shift valve (2)
    • The 1-2 shift solenoid valve (1)
    • The solenoid valve retainer (4)

    Object Number: 473247  Size: SH
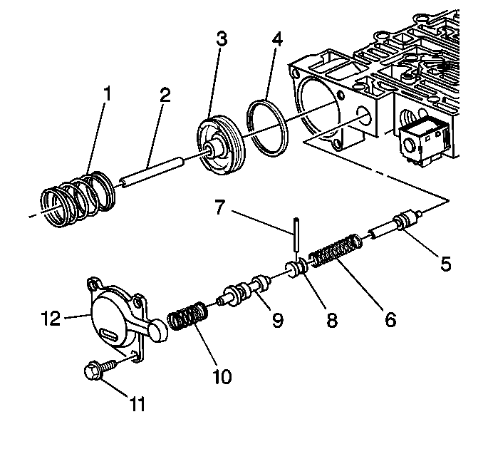
  19. Install the following items:
  20. • The forward abuse valve (5)
    • The forward abuse valve spring (6)
    • The bore plug (8)
    • The coiled spring pin (7)
    • The low overrun valve (9)
    • The low overrun valve spring (10)
  21. Install the following items:
  22. • The forward accumulator oil seal (4) on the forward accumulator piston (3)
    • The forward accumulator pin (2)
    • The forward accumulator piston (3)
    • The forward accumulator spring (1)
    • The forward accumulator cover (12)
    • The forward accumulator cover bolts (11)

    Object Number: 473246  Size: SH
  23. Install the manual valve  (1).

Installation Procedure

  1. Install the accumulator, spacer plate, and gaskets. Refer to Accumulator Assembly, Spacer Plate, and Gaskets

  2. Object Number: 29460  Size: SH
  3. Install the manual valve link and the control valve body to the transmission case.
  4. Notice: Refer to Fastener Notice in the Preface section.


    Object Number: 7748  Size: SH
  5. Install the remaining control valve body bolts in sequence.
  6. Tighten
    Tighten the bolts to 11 N·m (8 lb ft).

  7. Install the manual shift detent spring assembly.
  8. Install the manual shift detent spring bolt.

  9. Object Number: 508043  Size: SH
  10. Install the torque converter clutch solenoid (1) and retainer clip (2).
  11. Install the wiring harness and bolts.
  12. Tighten
    Tighten the bolts to 11 N·m (8 lb ft).


    Object Number: 409065  Size: SH
  13. Install the torque converter clutch solenoid bolts.
  14. Tighten
    Tighten the bolts to 11 N·m (8 lb ft).


    Object Number: 29454  Size: SH
  15. Install the bolts securing the pressure switch to the control valve body.
  16. Tighten
    Tighten the bolts to 11 N·m (8 lb ft).


    Object Number: 7750  Size: SH
  17. Connect the electrical connectors to the control valve body components.
  18. The electrical connectors locations are referenced by callouts (1) through  (6).

  19. Install the filter, gasket, and oil pan . Refer to Automatic Transmission Fluid and Filter Replacement
  20. Important: It is recommended that the transmission adaptive pressure (TAP) information be reset.

    Resetting the TAP values using a scan tool will erase all learned values in all cells. As a result, the ECM, PCM or TCM will need to relearn the TAP values. Transmission performance may be affected as new TAP values are learned.

  21. Reset the TAP values. Refer to Adapt Function .