| • | J 24319-B Universal Steering Linkage Puller |
| • | J 29107-A Pitman Arm Puller |
| • | J 6632-01 Pitman Arm Puller |
| • | J 29193 Steering Linkage Installer (12 mm) |
Caution: To avoid any vehicle damage, serious personal injury or death when major components are removed from the vehicle and the vehicle is supported by a hoist, support the vehicle with jack stands at the opposite end from which the components are being removed and strap the vehicle to the hoist.
Important: Do not free the ball stud by using a pickle fork or a wedge-type tool. Damage to the seal or bushing may result.
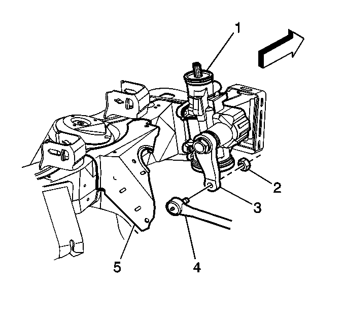
Mark the pitman arm and the pitman shaft in order to properly align at reassembly.
Notice: Do not hammer on the pitman arm, pitman arm shaft or puller. Damage to the pitman arm or steering gear may result.
Notice: If a clamp-type pitman arm is used, spread the pitman arm just enough with a wedge to slip the arm onto the pitman shaft. Do not spread the pitman arm more than required to slip over the pitman shaft with hand pressure. Do not hammer. Damage to the steering gear may result.
Line up the marks made at removal.
Use a new torque prevailing nut.
Notice: Use the correct fastener in the correct location. Replacement fasteners must be the correct part number for that application. Fasteners requiring replacement or fasteners requiring the use of thread locking compound or sealant are identified in the service procedure. Do not use paints, lubricants, or corrosion inhibitors on fasteners or fastener joint surfaces unless specified. These coatings affect fastener torque and joint clamping force and may damage the fastener. Use the correct tightening sequence and specifications when installing fasteners in order to avoid damage to parts and systems.
Tighten
Tighten the pitman arm retaining nut to 250 N·m (184 lb ft).
Make sure the seal is on the stud.
Tighten
Tighten the J 29193
,
or theJ 29194
to 54 N·m
(40 lb ft) in order to seat the tapers.
Tighten
Tighten the connecting rod nut to 47 N·m (35 lb ft).