GM Service Manual Online
For 1990-2009 cars only

Tools Required

J 39400-A Halogen Leak Detector

Removal Procedure

  1. Recover the refrigerant from the A/C system. Refer to Refrigerant Recovery and Recharging .
  2. Remove the coolant recovery or the surge tank. Refer to Coolant Recovery Reservoir Replacement or Radiator Surge Tank Replacement in Engine Cooling.
  3. Remove the A/C lines from the accumulator.
  4. Disconnect the electrical connectors from the low pressure sensor.

  5. Object Number: 557597  Size: SH
  6. Remove the accumulator (1) and the bracket (4) from the vehicle.

Installation Procedure


    Object Number: 557597  Size: SH

    Notice: Use the correct fastener in the correct location. Replacement fasteners must be the correct part number for that application. Fasteners requiring replacement or fasteners requiring the use of thread locking compound or sealant are identified in the service procedure. Do not use paints, lubricants, or corrosion inhibitors on fasteners or fastener joint surfaces unless specified. These coatings affect fastener torque and joint clamping force and may damage the fastener. Use the correct tightening sequence and specifications when installing fasteners in order to avoid damage to parts and systems.

  1. Install the accumulator (1) and the bracket (4) to the vehicle.
  2. Tighten

        • Tighten the screws (5) to the evaporator case to 6 N·m (53 lb in).
        • Tighten the nut (6) retaining the accumulator (1) to the A/C evaporator and blower module stud (2) to 16 N·m (12 lb ft).
  3. Connect the electrical connectors to the low pressure sensor.

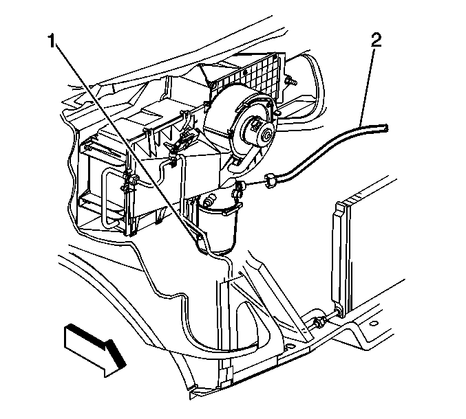
  4. Object Number: 557648  Size: SH
  5. Install the compressor hose assembly (2) to the accumulator (1).
  6. Tighten
    Tighten the compressor hose assembly (2) to the accumulator (1) to 48 N·m (35 lb ft).

  7. Install the coolant recovery or surge tank. Refer to Coolant Recovery Reservoir Replacement or Radiator Surge Tank Replacement in Engine Cooling.
  8. Evacuate and recharge the A/C system. Refer to Refrigerant Recovery and Recharging .
  9. Leak test the fittings of the component using the J 39400-A .