GM Service Manual Online
For 1990-2009 cars only

Air Conditioning Evaporator Thermal Expansion Valve Screen Replacement C60

Tools Required

J 39400-A Halogen Leak Detector

Important: The A/C refrigerant filter, ACDelco P/N 15-1697 must be installed to the A/C evaporator tube between the condenser and evaporator. The installation of the A/C refrigerant filter eliminates the need for flushing.

  1. Remove the air cleaner. Refer to Air Cleaner Assembly Replacement in Engine Controls.
  2. Remove the engine coolant reservoir. Refer to Coolant Recovery Reservoir Replacement in Engine Cooling.
  3. Remove the grille. Refer to Grille Replacement in Exterior Trim.

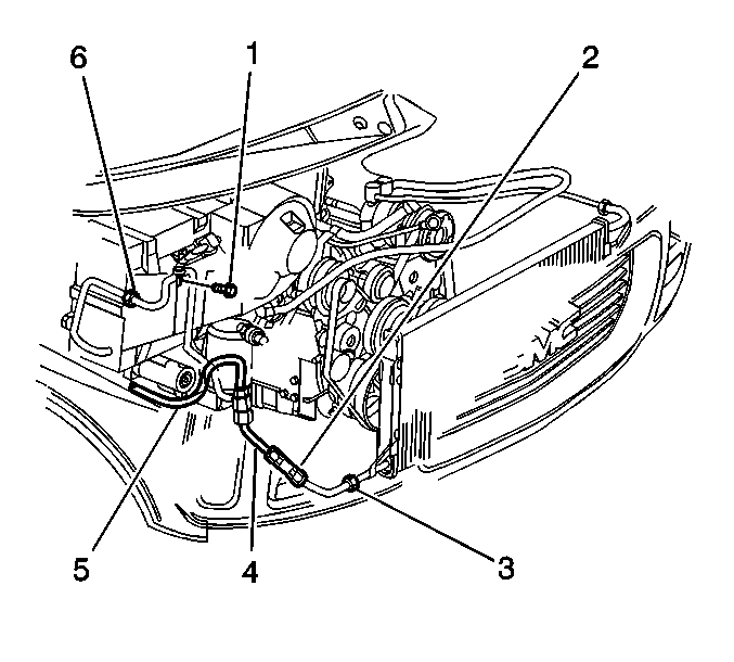
  4. Object Number: 728706  Size: SH
  5. Remove the evaporator tube (2) from the vehicle. Refer to Evaporator Tube Replacement .
  6. Measure 60 mm (2.5 in) from the condenser end of the evaporator tube (2) and mark the location.
  7. Measure 50.8 mm (2 in) from the mark on the evaporator tube (2) from the previous step.
  8. Important: Do not allow metal burrs to enter the evaporator (2) tube during cutting or when removing the burrs.

  9. Using a tubing cutter, cut out the marked section of the evaporator tube (2).
  10. Remove the burrs from the evaporator tube (2).

  11. Object Number: 718864  Size: SH
  12. Remove the nuts (4), the ferrules (3), and the O-rings (2) from the A/C refrigerant filter (1).
  13. Important: DO NOT install the O-rings (2) in this step.

  14. Push the nuts (4) and ferrules (3) over each of the evaporator tube halves.
  15. Install the ferrules (3) with the small end toward the nut (4).

  16. Object Number: 728706  Size: SH
  17. Install the A/C refrigerant filter (3) to the evaporator tube (2) with the flow arrow pointing towards the evaporator.

  18. Object Number: 718864  Size: SH

    Notice: Use the correct fastener in the correct location. Replacement fasteners must be the correct part number for that application. Fasteners requiring replacement or fasteners requiring the use of thread locking compound or sealant are identified in the service procedure. Do not use paints, lubricants, or corrosion inhibitors on fasteners or fastener joint surfaces unless specified. These coatings affect fastener torque and joint clamping force and may damage the fastener. Use the correct tightening sequence and specifications when installing fasteners in order to avoid damage to parts and systems.

  19. While holding the evaporator tube in the A/C refrigerant filter (1), tighten the nuts (4) to the A/C refrigerant filter (1).
  20. Tighten
    Tighten the nuts to 15 N·m (11 lb ft).

  21. Remove the nuts (4) from the A/C refrigerant filter (1).
  22. Coat the O-rings (2) with 525 viscosity refrigerant oil.
  23. Install the O-rings (2) to the evaporator tube.
  24. Install the nuts (4) to the A/C refrigerant filter (1).
  25. Tighten
    Tighten the nuts to 15 N·m (11 lb ft).


    Object Number: 728706  Size: SH
  26. Install the evaporator tube (2) to the vehicle. Refer to Evaporator Tube Replacement .
  27. Recharge the A/C system. Refer to Refrigerant Recovery and Recharging .
  28. Leak test the fitting(s) of the repaired or reinstalled component using the J 39400-A .
  29. Install the grille. Refer to Grille Replacement in Exterior Trim.
  30. Install the engine coolant reservoir. Refer to Coolant Recovery Reservoir Replacement in Engine Cooling.
  31. Install the air cleaner. Refer to Air Cleaner Assembly Replacement in Engine Controls.

Air Conditioning Evaporator Thermal Expansion Valve Screen Replacement C69

Tools Required

J 39400-A Halogen Leak Detector

Important: The A/C refrigerant filter, ACDelco P/N 15-1697 must be installed to the A/C evaporator tube ( liquid line ) between the condenser and evaporator. The installation of the A/C refrigerant filter eliminates the need for flushing.

  1. Remove the air cleaner. Refer to Air Cleaner Assembly Replacement in Engine Controls.
  2. Remove the engine coolant reservoir. Refer to Coolant Recovery Reservoir Replacement in Engine Cooling.
  3. Remove the grille. Refer to Grille Replacement in Exterior Trim.

  4. Object Number: 719853  Size: SH
  5. Remove the evaporator tube (4) from the vehicle. Refer to Evaporator Tube Replacement .
  6. Measure 60 mm (2.5 in) from the condenser end of the evaporator tube (4) and mark the location.
  7. Measure 50.8 mm (2 in) from the mark on the evaporator tube (4) from the previous step.
  8. Important: Do not allow metal burrs to enter the evaporator tube (4) during cutting or when removing the burrs.

  9. Using a tubing cutter, cut the marked section of the evaporator tube (4).
  10. Remove the burrs from the evaporator tube (4).

  11. Object Number: 718864  Size: SH
  12. Remove the nuts (4), the ferrules (3), and the O-rings (2) from the A/C refrigerant filter (1).
  13. Important: DO NOT install the O-rings (2) in this step.

  14. Push the nuts (4) and ferrules (3) over each of the evaporator tube halves.
  15. Install the ferrules (3) with the small end toward the nut (4).

  16. Object Number: 719853  Size: SH
  17. Install the A/C refrigerant filter (2) to the evaporator tube (4) with the flow arrow pointing towards the evaporator.

  18. Object Number: 718864  Size: SH

    Notice: Use the correct fastener in the correct location. Replacement fasteners must be the correct part number for that application. Fasteners requiring replacement or fasteners requiring the use of thread locking compound or sealant are identified in the service procedure. Do not use paints, lubricants, or corrosion inhibitors on fasteners or fastener joint surfaces unless specified. These coatings affect fastener torque and joint clamping force and may damage the fastener. Use the correct tightening sequence and specifications when installing fasteners in order to avoid damage to parts and systems.

  19. While holding the evaporator tube in the A/C refrigerant filter (1), tighten the nuts (4) to the A/C refrigerant filter (1).
  20. Tighten
    Tighten the nuts to 15 N·m (11 lb ft).

  21. Remove the nuts (4) from the A/C refrigerant filter (1).
  22. Coat the O-rings (2) with 525 viscosity refrigerant oil.
  23. Install the O-rings (2) to the evaporator tube.
  24. Install the nuts (4) to the A/C refrigerant filter (1).
  25. Tighten
    Tighten the nuts to 15 N·m (11 lb ft).


    Object Number: 719853  Size: SH
  26. Install the evaporator tube (4) to the vehicle. Refer to Evaporator Tube Replacement .
  27. Recharge the A/C system. Refer to Refrigerant Recovery and Recharging .
  28. Leak test the fitting(s) of the repaired or reinstalled component using the J 39400-A .
  29. Install the grille. Refer to Grille Replacement in Exterior Trim.
  30. Install the engine coolant reservoir. Refer to Coolant Recovery Reservoir Replacement in Engine Cooling.
  31. Install the air cleaner. Refer to Air Cleaner Assembly Replacement in Engine Controls.