GM Service Manual Online
For 1990-2009 cars only
Makes
🢒
Chevrolet
🢒
2001
🢒
Express
🢒
Restraints
🢒
SIR
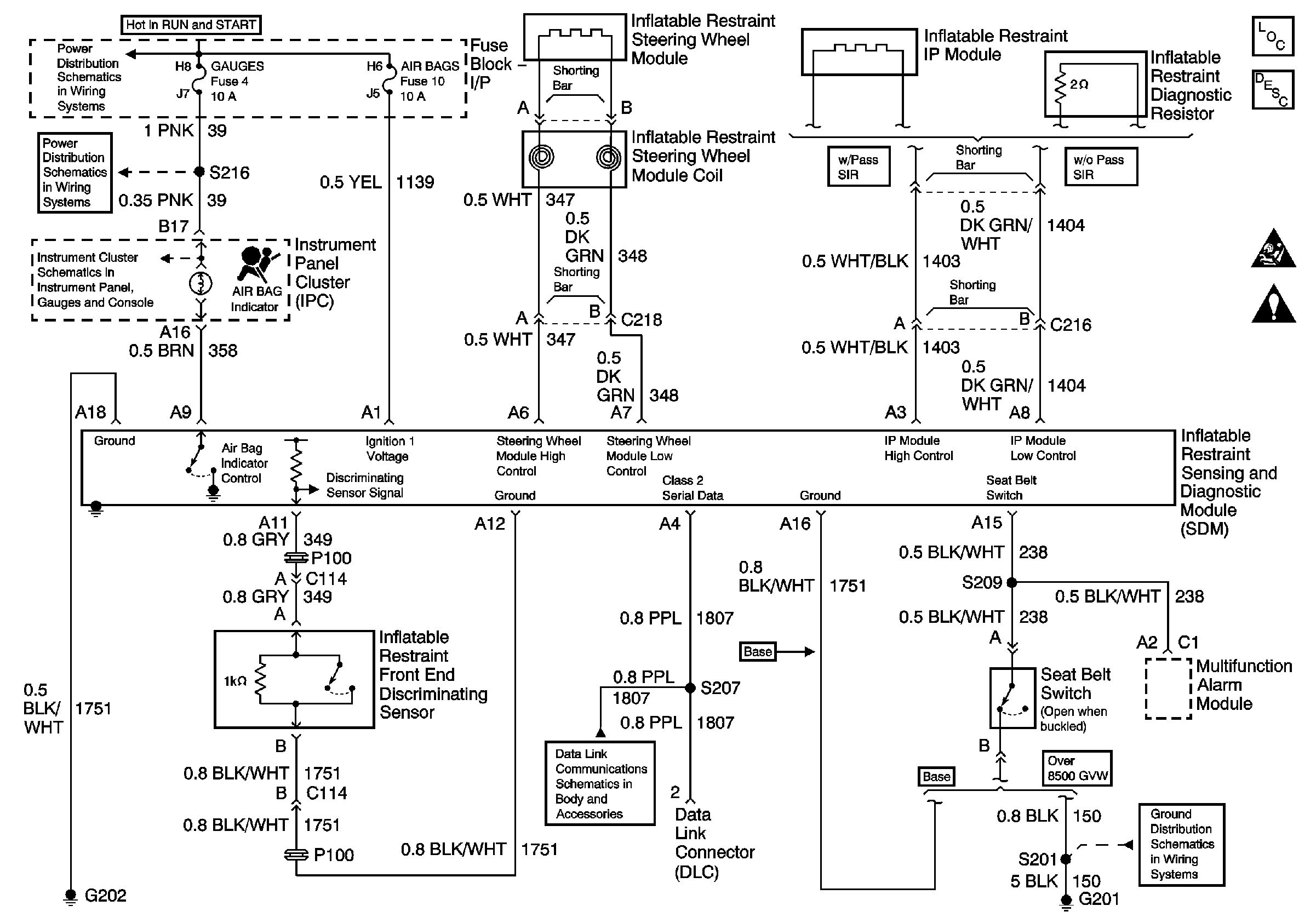
🢒 SIR Schematics
Master Electrical Component List
SIR System Description and Operation
SIR Handling Caution
SIR Schematic Icons
Ignition A, Ignition B Fuses, and Ignition Switch
Gauges Fuse
Indicators 1 of 2 (Diesel)
G201
Data Link Communications