GM Service Manual Online
For 1990-2009 cars only
Makes
🢒
Chevrolet
🢒
2001
🢒
Express
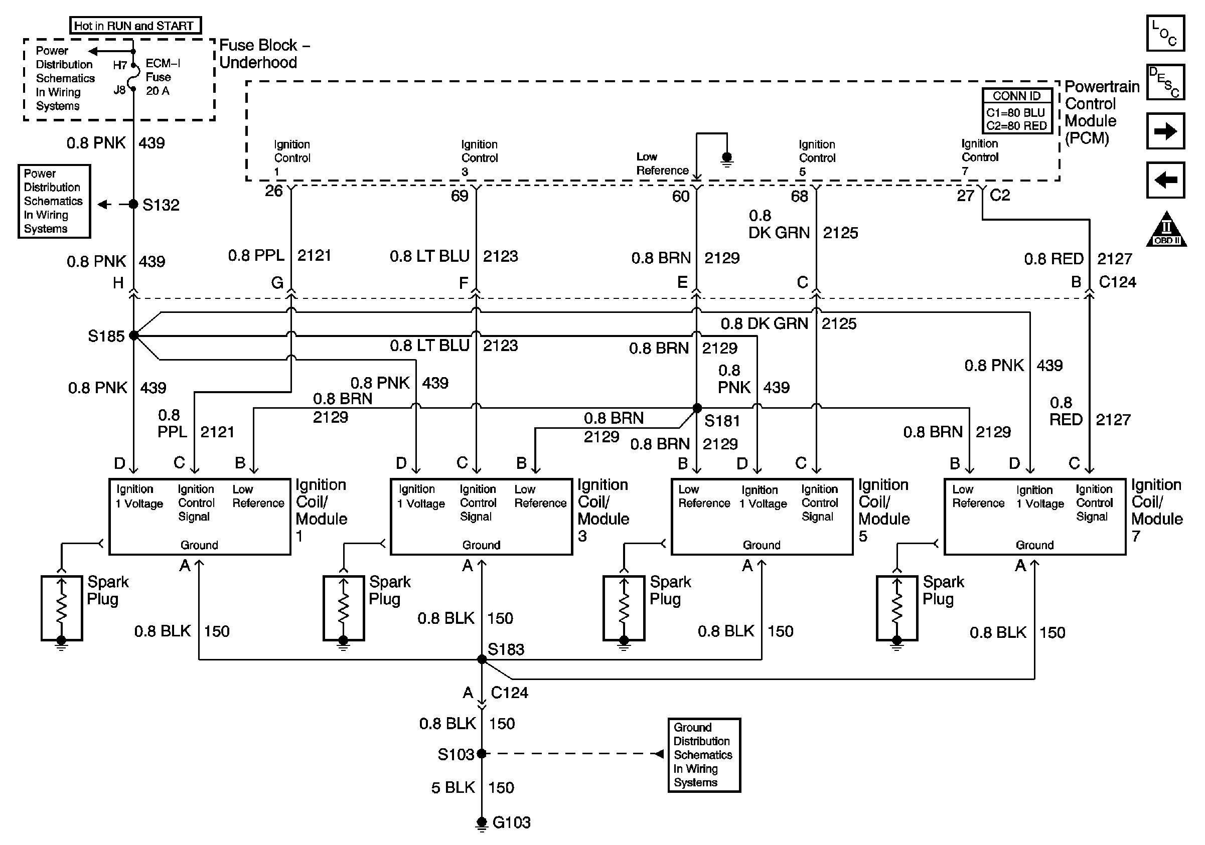
🢒 Ignition Controls: Odd Ignition Coils
Ignition Controls: Odd Ignition Coils
Ignition Controls: Odd Ignition Coils
Master Electrical Component List
Electronic Ignition (EI) System Description
Ignition Controls: Even Ignition Coils
Ignition Controls: CKP and CMP Sensors and KS
OBD II Symbol Description Notice
Ignition A, Ignition B Fuses, and Ignition Switch
ECM 1 and Ignition E Fuses (8.1L)
G103 (8.1L Engine)