GM Service Manual Online
For 1990-2009 cars only
Makes
🢒
Chevrolet
🢒
2001
🢒
Express
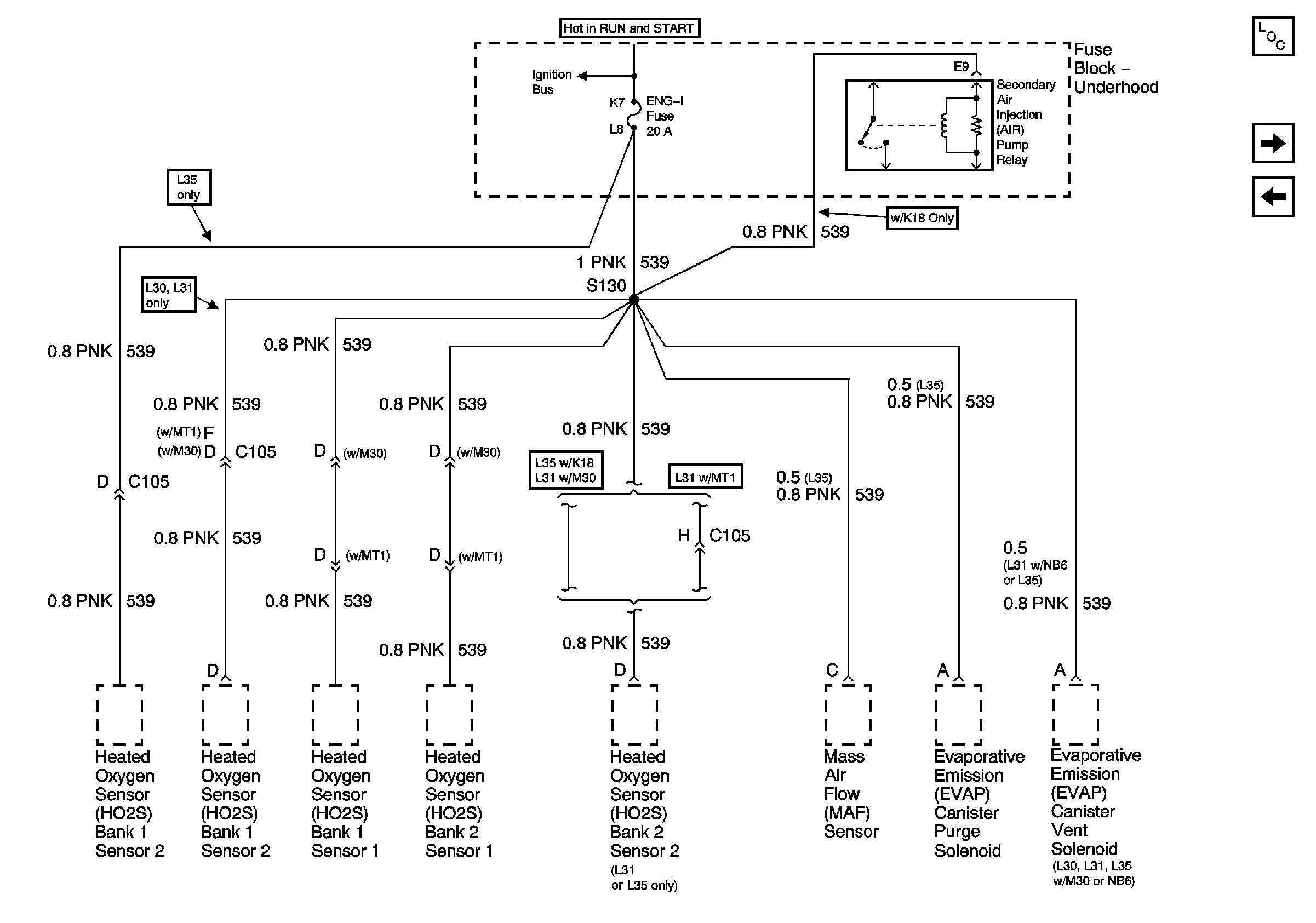
🢒 Engine 1 Fuse (4.3L, 5.0L, and 5.7L)
Engine 1 Fuse (4.3L, 5.0L, and 5.7L)
Engine 1 Fuse (4.3L, 5.0L, and 5.7L)
Master Electrical Component List
Engine 1 Fuse (6.5L and 8.1L)
ECM B, Horn, and A/C Fuses
Ignition A, Ignition B Fuses, and Ignition Switch