GM Service Manual Online
For 1990-2009 cars only
Makes
🢒
Chevrolet
🢒
2001
🢒
Express
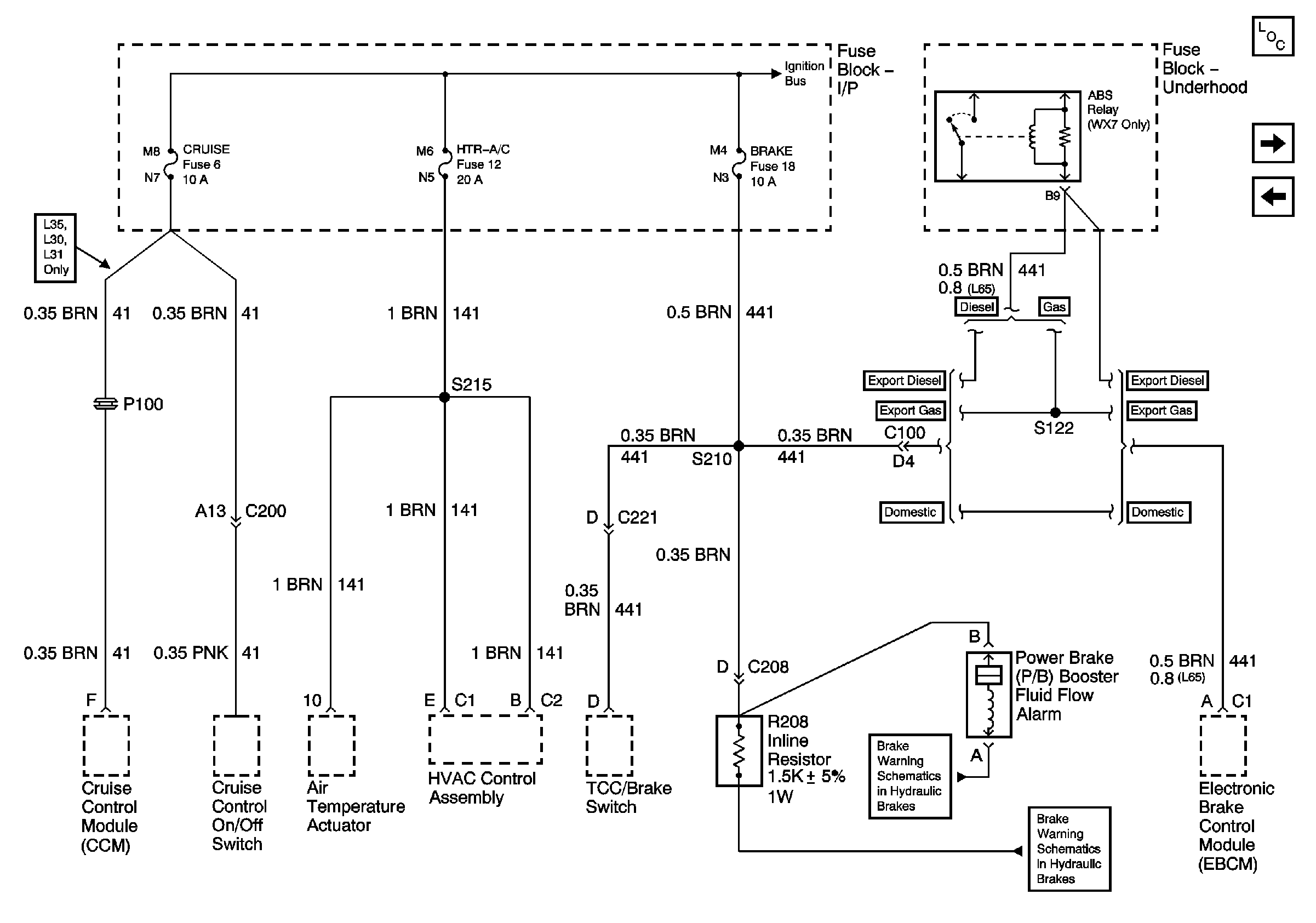
🢒 Cruise, Heater A/C, and Brake Fuses
Cruise, Heater A/C, and Brake Fuses
Cruise, Heater A/C, and Brake Fuses
Master Electrical Component List
Rear HVAC Fuse
Gauges Fuse
Ignition A, Ignition B Fuses, and Ignition Switch