GM Service Manual Online
For 1990-2009 cars only
Makes
🢒
Chevrolet
🢒
2001
🢒
Express
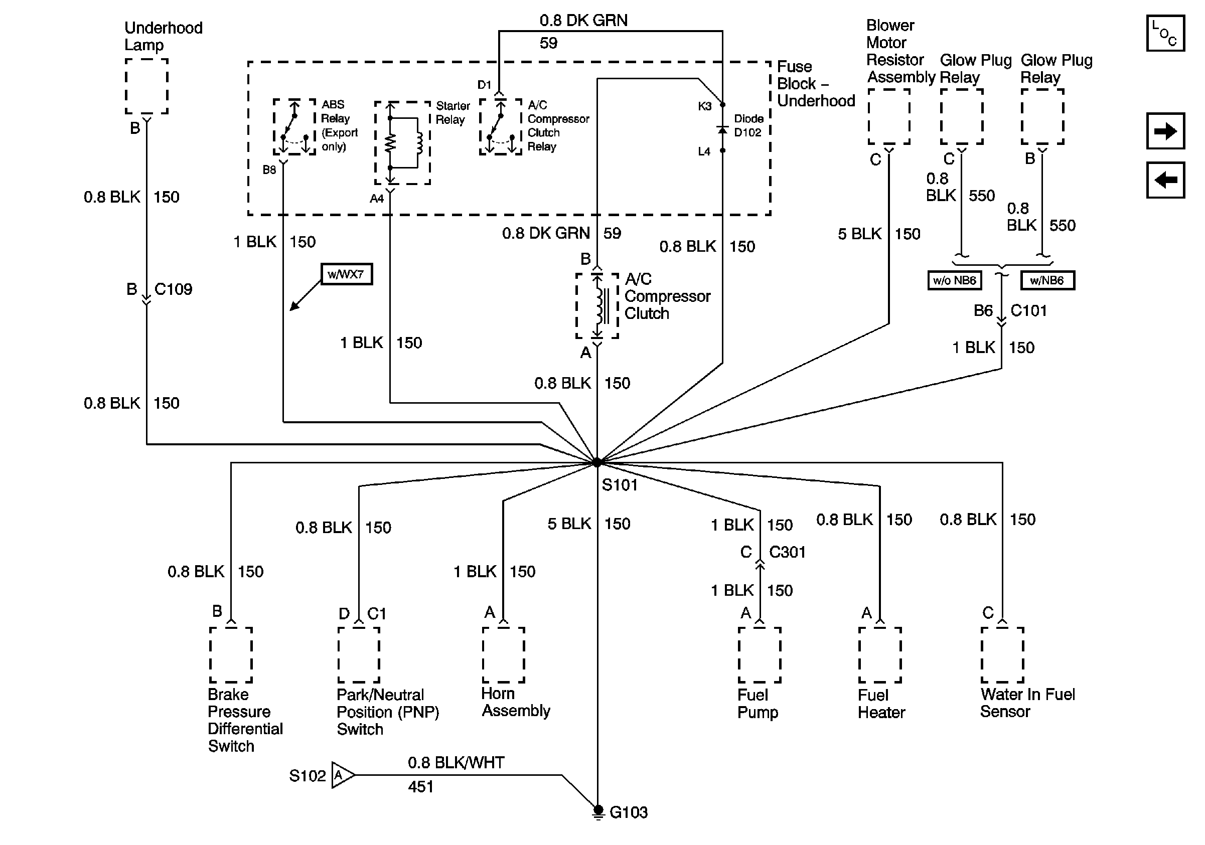
🢒 G103 (6.5L Diesel Engine)
G103 (6.5L Diesel Engine)
G103 (6.5L Diesel Engine)
Master Electrical Component List
Components through S152 to G103 (Gasoline Engines)
G103 (8.1L Engine)
G101 (6.5L Diesel Engine)