GM Service Manual Online
For 1990-2009 cars only
Makes
🢒
Chevrolet
🢒
2001
🢒
Express
🢒 Sensor, Solenoid and GND Controls
Sensor, Solenoid and GND Controls
Sensor, Solenoid and GND Controls
Master Electrical Component List
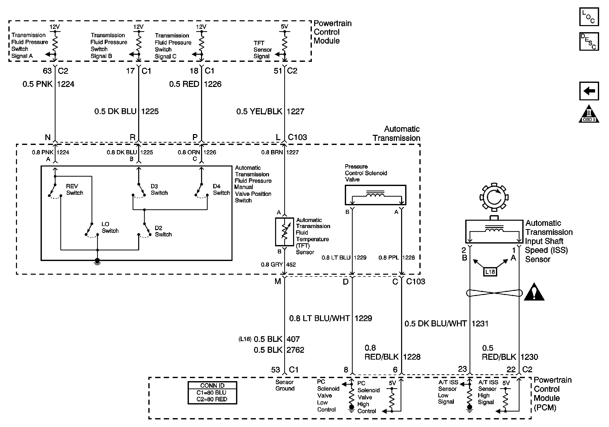
Electronic Component Description
Park/Neutral Position Switch
OBD II Symbol Description Notice
Automatic Transmission Schematic Icons