GM Service Manual Online
For 1990-2009 cars only
Makes
🢒
Chevrolet
🢒
2001
🢒
Express
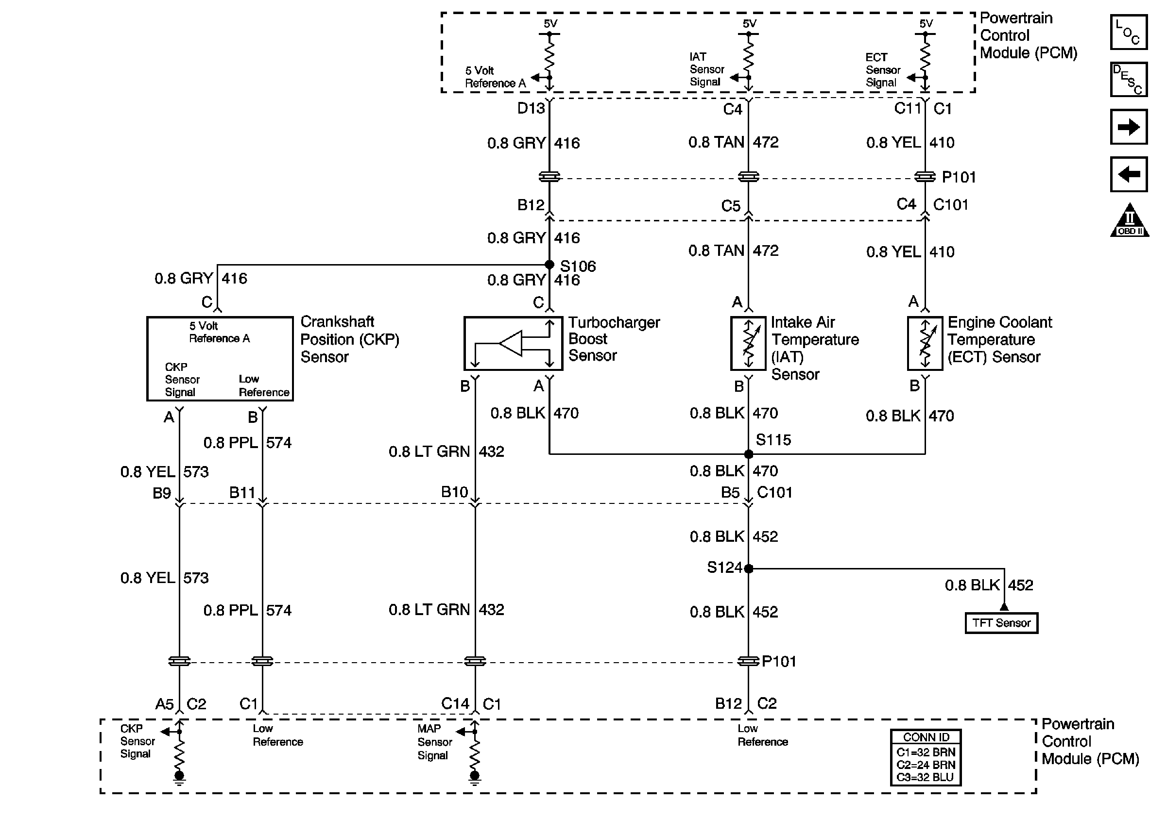
🢒 Sensor Controls: CKP, Boost Pressure Sensor, IAT, ECT
Sensor Controls: CKP, Boost Pressure Sensor, IAT, ECT
Sensor Controls: CKP, Boost Pressure Sensor, IAT, ECT
Master Electrical Component List
Powertrain Control Module Description
Wastegate Controls and APP Module
Fuel Temperature Controls, ITS Motor
OBD II Symbol Description Notice
Automatic Transmission Control References 4L80-E