GM Service Manual Online
For 1990-2009 cars only
Makes
🢒
Chevrolet
🢒
2001
🢒
Express
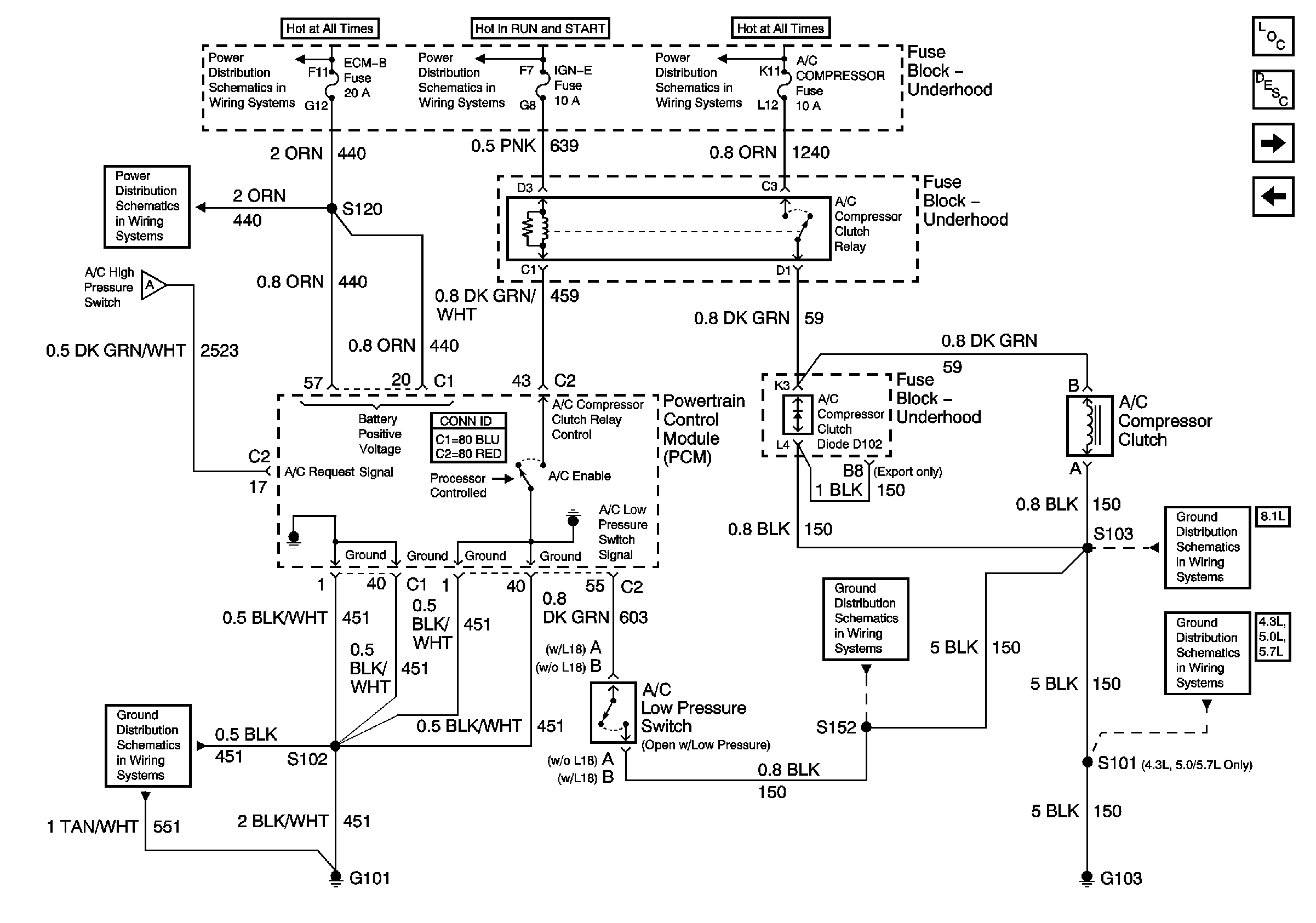
🢒 A/C Fuses; ECM-B, IGN-E, Compressor Clutch, A/C Compressor Low PressurE Cutout Switch, G101, G103 (Gasoline Engines)
A/C Fuses; ECM-B, IGN-E, Compressor Clutch, A/C Compressor Low PressurE Cutout Switch, G101, G103 (Gasoline Engines)
A/C Fuses; ECM-B, IGN-E, Compressor Clutch, A/C Compressor Low Pressure Cutout Switch, G101, G103 (Gasoline Engines)
Master Electrical Component List
Air Delivery Description and Operation
A/C Fuses; ECM-B, IGN-E, Compressor Clutch, G101, G103 (6.5L Diesel)
HTR-A/C Fuse, A/C Compressor High Pressure Cutoff Switch, A/C CompresSor Low Pressure Cutout Switch (Diesel), G201
Battery, Auxiliary Battery, and Underhood Fuse/Relay Center
Ignition A, Ignition B Fuses, and Ignition Switch
Battery, Auxiliary Battery, and Underhood Fuse/Relay Center
ECM B, Horn, and A/C Fuses
HTR-A/C Fuse, A/C Compressor High Pressure Cutoff Switch, A/C CompresSor Low Pressure Cutout Switch (Diesel), G201
G101 (Gasoline Engines)
Components through S152 to G103 (Gasoline Engines)
G103 (8.1L Engine)
G103 (4.3L, 5.0L, and 5.7L Engines)