GM Service Manual Online
For 1990-2009 cars only
Makes
🢒
Chevrolet
🢒
2001
🢒
Express
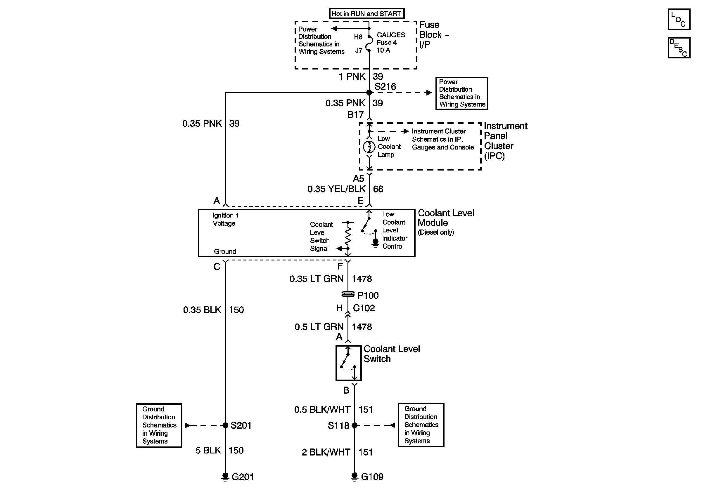
🢒 Low Engine Coolant Idicator Control Module, Low Engine Coolant Idicator Sensor
Low Engine Coolant Idicator Control Module, Low Engine Coolant Idicator Sensor
Master Electrical Component List
Cooling System Description and Operation
Ignition A, Ignition B Fuses, and Ignition Switch
Gauges Fuse
Indicators 1 of 2 (Diesel)
G108 and G109 (Domestic)
G201