GM Service Manual Online
For 1990-2009 cars only
Makes
🢒
Chevrolet
🢒
2001
🢒
Express
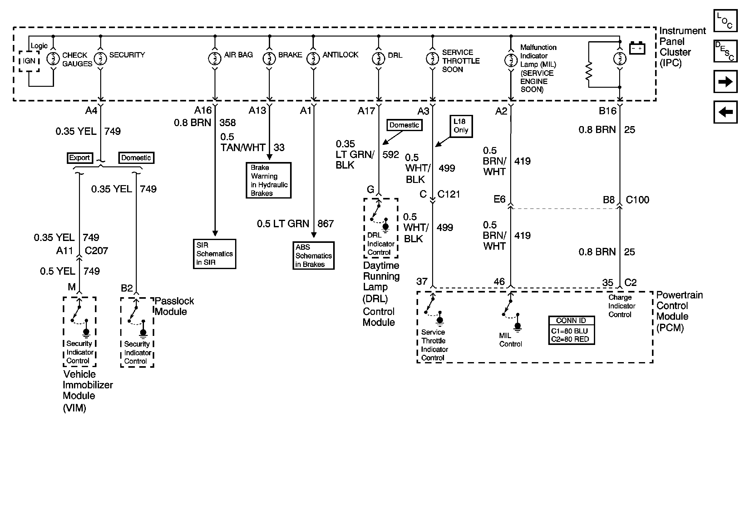
🢒 Indicators 1 of 2 (Gas)
Indicators 1 of 2 (Gas)
Indicators 1 of 2 (Gas)
Master Electrical Component List
Instrument Cluster Description and Operation
Indicators 1 of 2 (Diesel)
Headlamp Switch, Instrument Cluster, Park/Neutral Position Switch
Inflatable Restraint Sensing and Diagnostic Module, Muti-function Alarm Module
PWR, Switch and Alarm Delay Module
Power, Ground, DLC and Indicator