GM Service Manual Online
For 1990-2009 cars only
Makes
🢒
Chevrolet
🢒
2001
🢒
Express
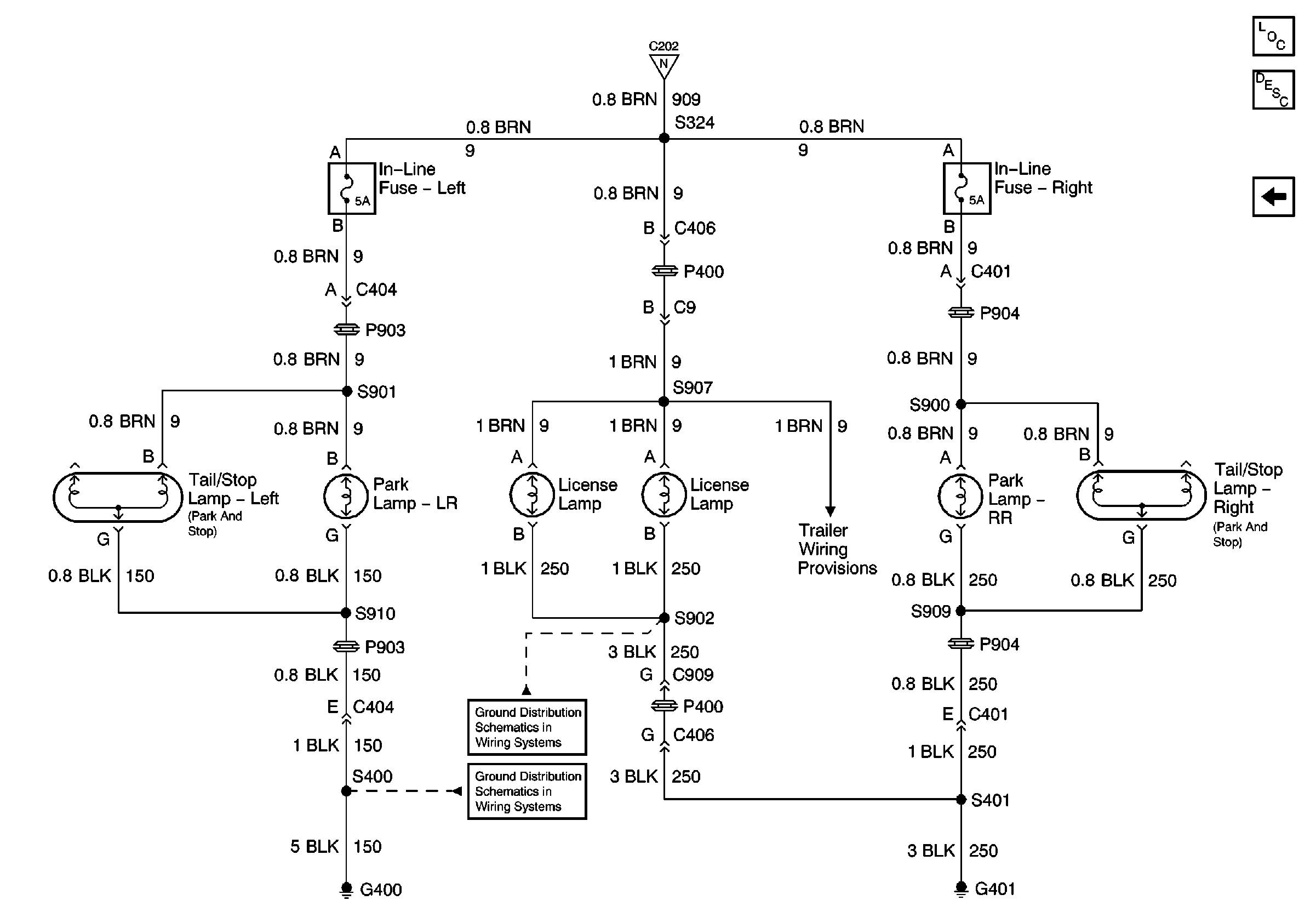
🢒 Rear Lamps
Rear Lamps
Rear Lamps
Master Electrical Component List
Exterior Lighting Systems Description and Operation
Headlamps, Ignition Switch
DRL Rear Parklamp Relay
G401
G400