GM Service Manual Online
For 1990-2009 cars only
Makes
🢒
Chevrolet
🢒
2001
🢒
Express
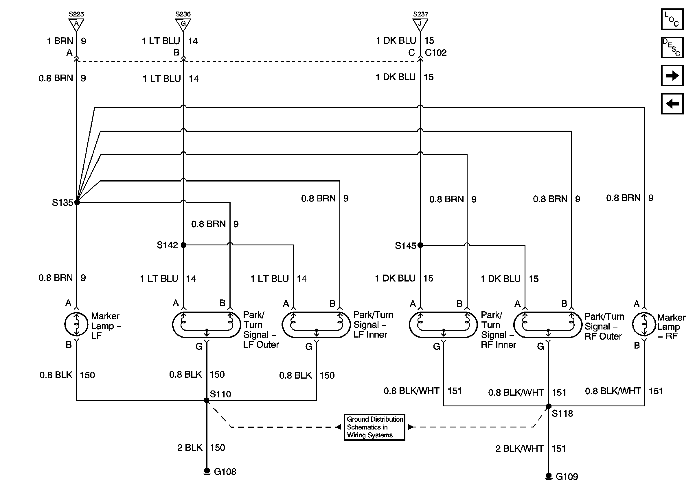
🢒 Front Side Marker Lamps, Front Park and Turn Signal Lamps (Composite)
Front Side Marker Lamps, Front Park and Turn Signal Lamps (Composite)
Front Side Marker Lamps, Front Park and Turn Signal Lamps (Composite)
Master Electrical Component List
Exterior Lighting Systems Description and Operation
Tail Lamps, Rear Park and Turn Signal Lamps, Center High Mounted Stoplamps, License Lamp
Front Side Marker Lamps, Front Park and Turn Signal Lamps
PARK LPS, TURN B/U, HAZARD, STOP Fuses
Hazard Warning Switch, Turn/Hazard Lamp Flasher
Hazard Warning Switch, Turn/Hazard Lamp Flasher
G108 and G109 (Domestic)