GM Service Manual Online
For 1990-2009 cars only
Makes
🢒
Chevrolet
🢒
2001
🢒
Express
🢒 Rear Lamps
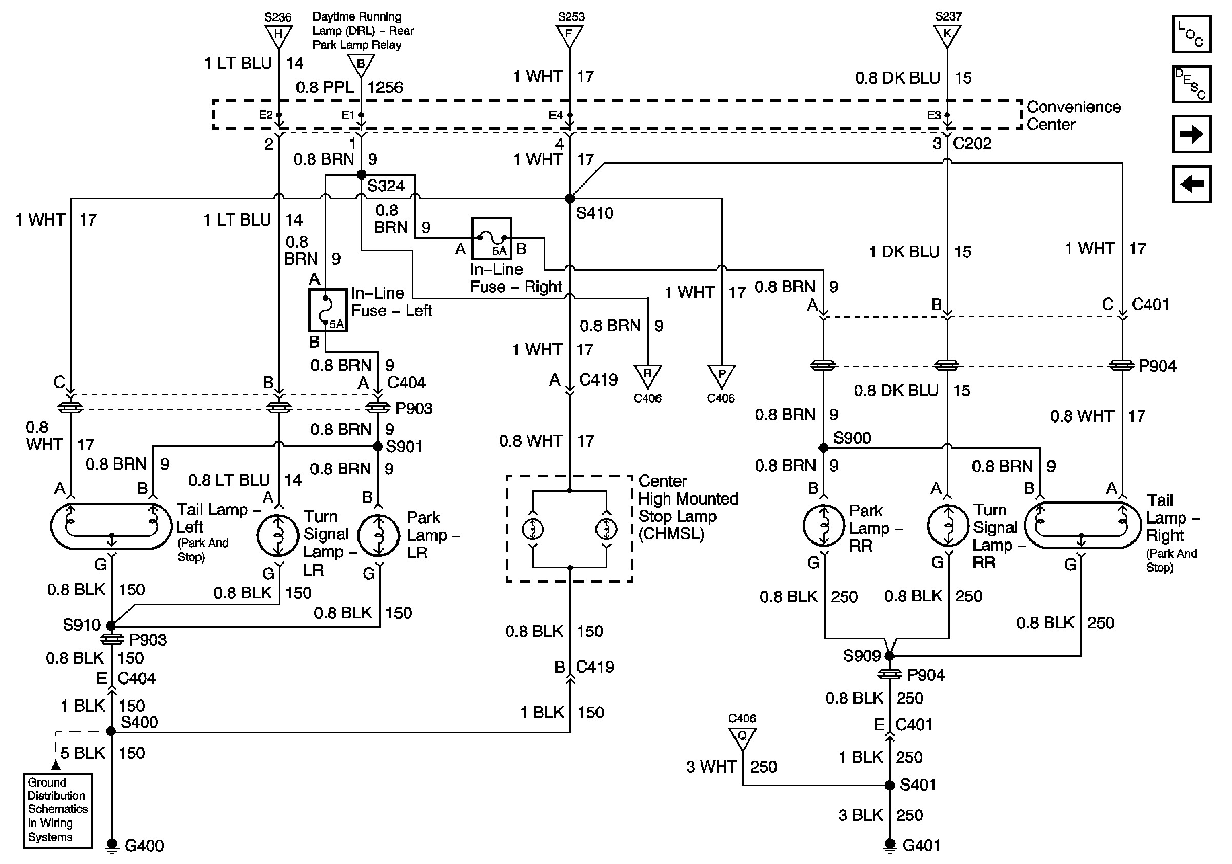
Rear Lamps
Rear Lamps
Master Electrical Component List
Exterior Lighting Systems Description and Operation
Rear License Plate Lamps
Front Lamps
Turn/Hazard Lamp Flasher
PARK LPS, TURN B/U, HAZARD, and STOP Fuses
PARK LPS, TURN B/U, HAZARD, and STOP Fuses
Turn/Hazard Lamp Flasher
Rear License Plate Lamps
G400
Rear License Plate Lamps