GM Service Manual Online
For 1990-2009 cars only
Makes
🢒
Chevrolet
🢒
2001
🢒
Express
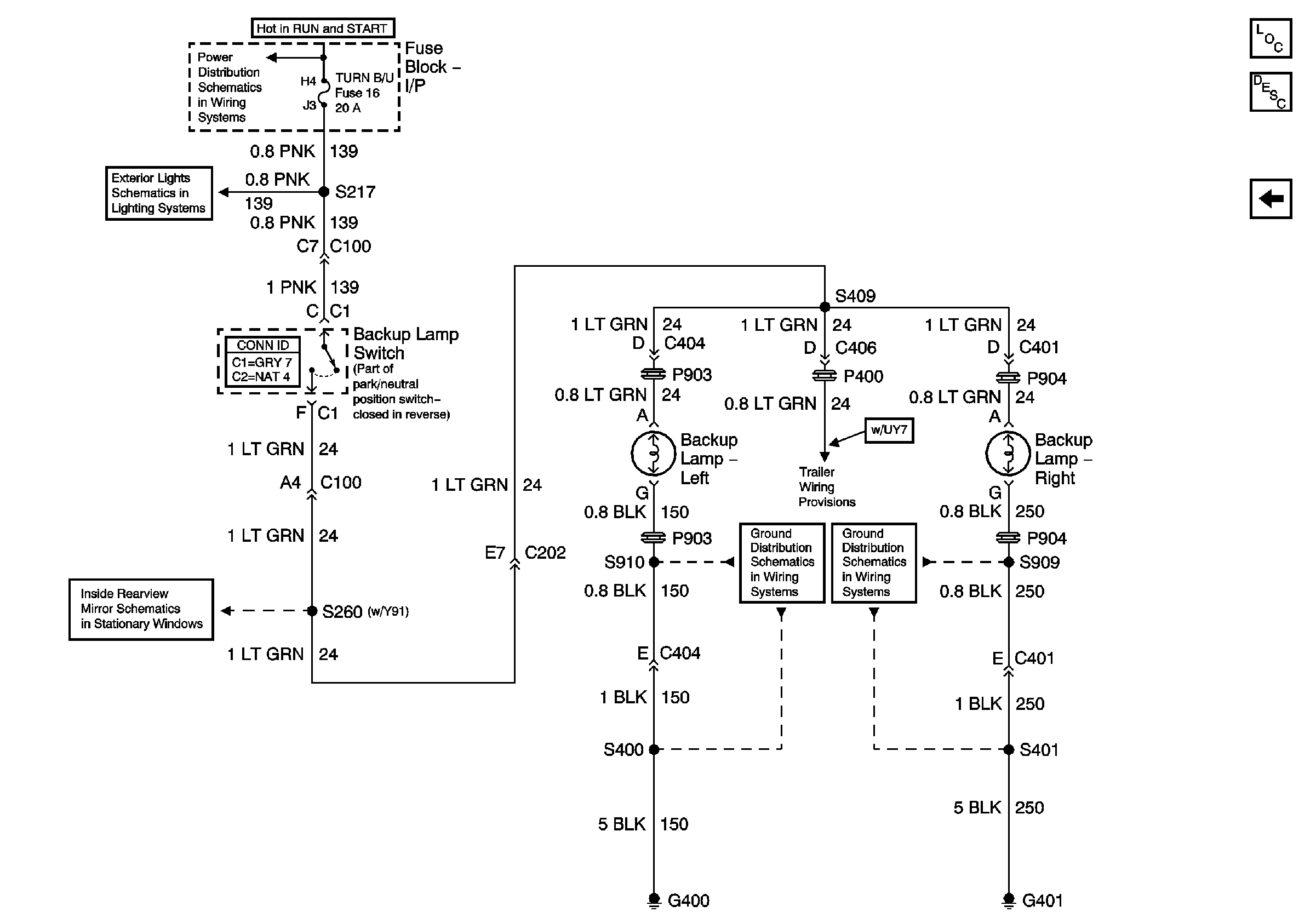
🢒 Backup Lamps
Backup Lamps
Backup Lamps
Master Electrical Component List
Exterior Lighting Systems Description and Operation
Tail Lamps, Rear Park and Turn Signal Lamps, Center High Mounted Stoplamps, License Lamp
Ignition A, Ignition B Fuses, and Ignition Switch
PARK LPS, TURN B/U, HAZARD, STOP Fuses
G400
G401
Inside Rearview Mirror Schematics