GM Service Manual Online
For 1990-2009 cars only
Makes
🢒
Chevrolet
🢒
2001
🢒
Express
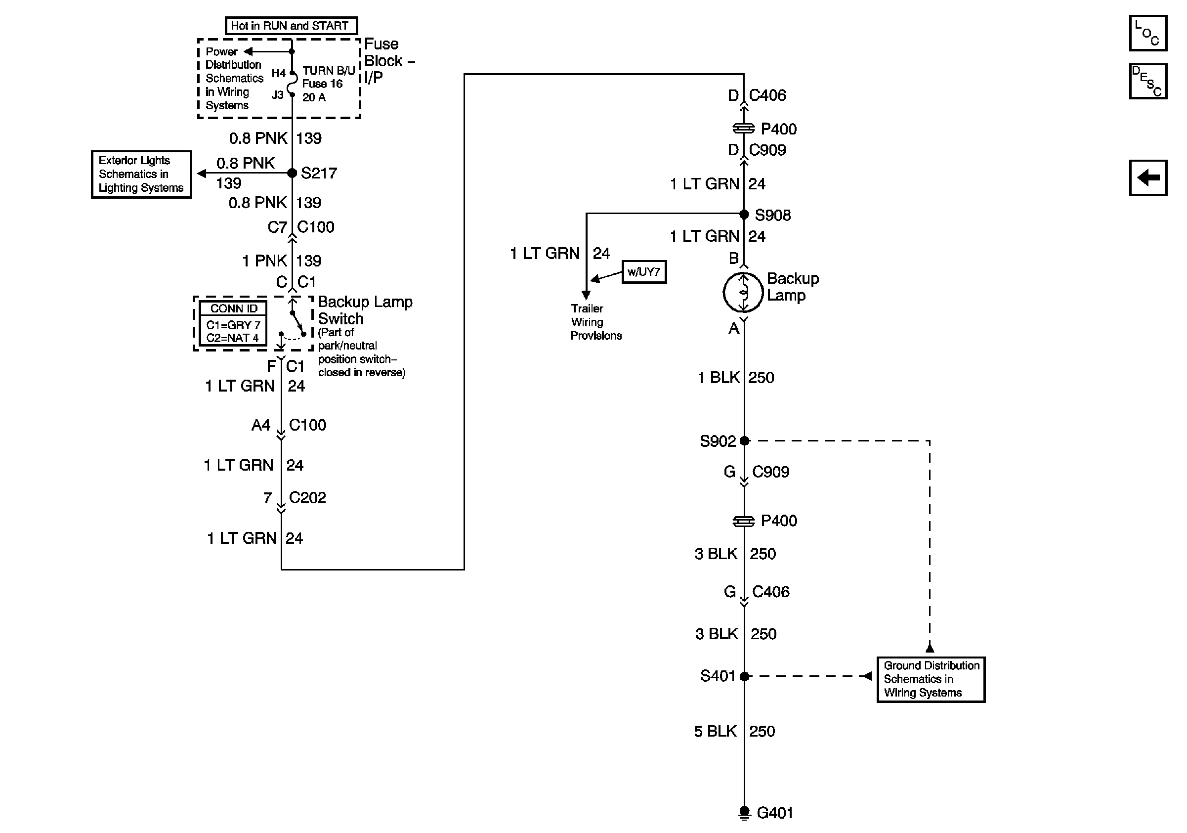
🢒 Backup Lamps
Backup Lamps
Backup Lamps
Master Electrical Component List
Exterior Lighting Systems Description and Operation
Theft Deterrent Flasher
Ignition A, Ignition B Fuses, and Ignition Switch
PARK LPS, TURN B/U, HAZARD, STOP Fuses
G401