GM Service Manual Online
For 1990-2009 cars only
Makes
🢒
Chevrolet
🢒
2001
🢒
Express
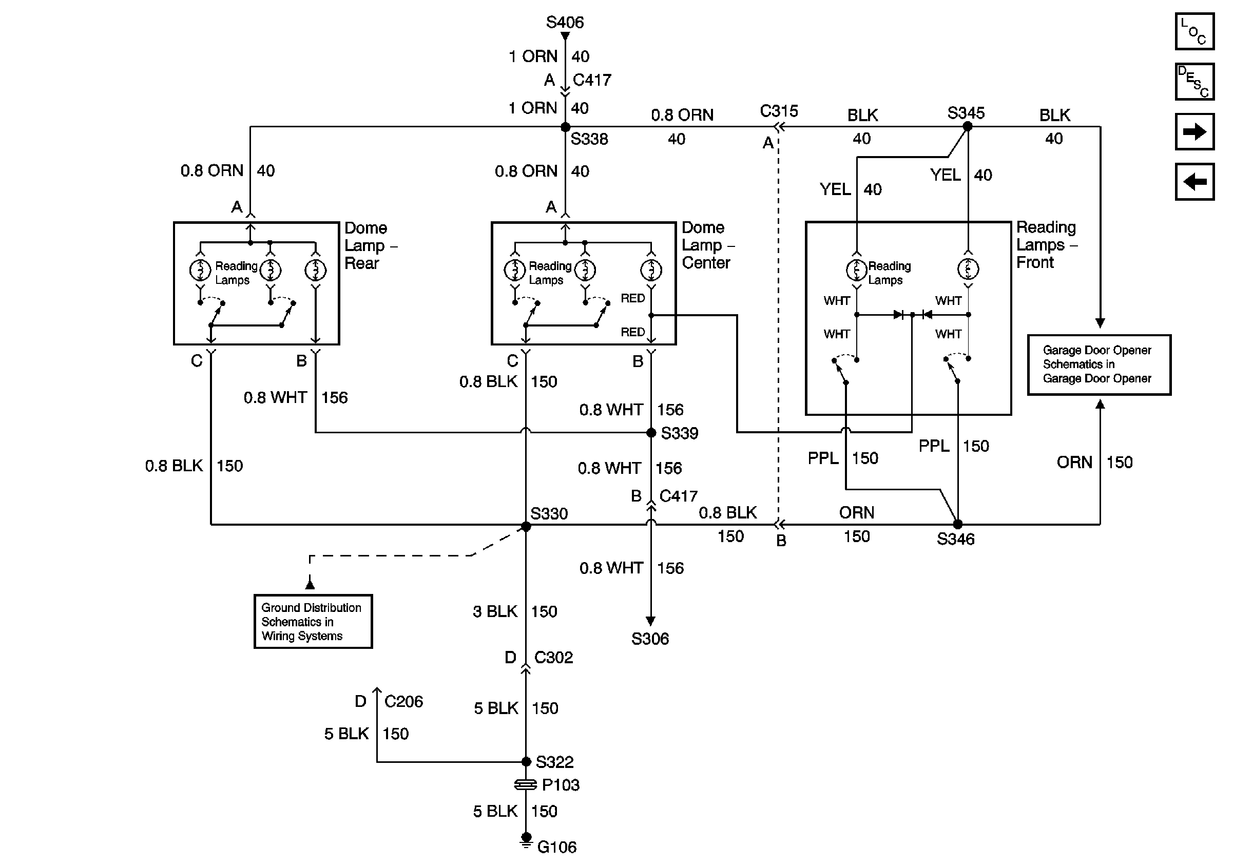
🢒 Dome and Reading Lamps with Y91
Dome and Reading Lamps with Y91
Dome and Reading Lamps with Y91
Circuit 40 with Y91
Master Electrical Component List
Interior Lighting Systems Description and Operation
Sunshade, Ashtray, and IP Compartment Lamps
Garage Door Opener
G106 with Y91