GM Service Manual Online
For 1990-2009 cars only

    Object Number: 660448  Size: SH
  1. Remove the fuel return hose and clamp from the fuel injection pump.
  2. Remove the fuel injection pump high pressure line from the fuel injection pump.

  3. Object Number: 798887  Size: SH
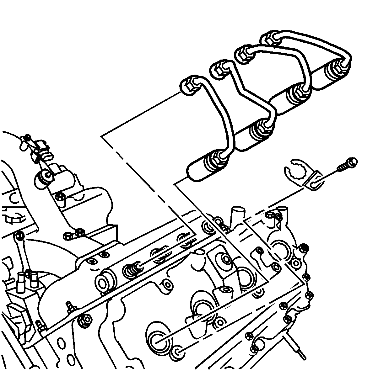
  4. Remove the fuel inlet hose from the fuel injection pump.
  5. Remove the fuel inlet distribution block bolt and nut.
  6. Remove the fuel inlet distribution block from the fuel return distribution block.

  7. Object Number: 755230  Size: SH
  8. Remove the fuel inlet to fuel return line clamp bolt.
  9. Remove the fuel inlet to fuel return line clamp.

  10. Object Number: 798888  Size: SH
  11. Remove the function block nuts.
  12. Remove the fuel inlet pipe assembly.

  13. Object Number: 660446  Size: SH
  14. Remove the left fuel rail high pressure line (1).
  15. Remove the left cylinder head return line eye bolt and gasket (2).

  16. Object Number: 798890  Size: SH
  17. Remove the right fuel rail high pressure line (1).
  18. Remove the right cylinder head return line eye bolt and gasket (2).

  19. Object Number: 755240  Size: SH
  20. Remove the fuel return line clamp bolt and clamp.
  21. Remove the fuel pressure limiting valve bracket nut.

  22. Object Number: 798892  Size: SH
  23. Remove the fuel pipes and function block assembly.

  24. Object Number: 1336209  Size: SH
  25. Use compressed air to blow away any debris between the fuel injector line and the fittings(1, 2). Wipe clean the fittings of debris.
  26. Notice: DO NOT use compressed air to clean debris from the fuel injector inlet after the fuel line is removed. Using compressed air can allow debris to enter the fuel injector inlet and damage the fuel injector.

  27. Spray lithium grease, GM P/N 12346293 or equivalent, between the fuel injector line and fitting (1, 2) to contain any debris during removal.

  28. Object Number: 798893  Size: SH
  29. Remove the anti-rotation locks from the left bank injection pipes.
  30. Remove the injection pipes from the left bank.

  31. Object Number: 798894  Size: SH
  32. Remove the anti-rotation locks from the right bank injection pipes.
  33. Remove the injection pipes from the right bank.

  34. Object Number: 798919  Size: SH
  35. Remove the left fuel rail mounting bolts.
  36. Remove the left fuel rail.

  37. Object Number: 798895  Size: SH
  38. Remove the right fuel rail mounting bolts.
  39. Remove the right fuel rail.