GM Service Manual Online
For 1990-2009 cars only

Intake Manifold Tube Removal Federal Emissions


    Object Number: 798897  Size: SH
  1. Remove the turbocharger boost sensor bracket bolt.
  2. Remove the turbocharger boost sensor with bracket.

  3. Object Number: 798896  Size: SH
  4. Remove intake air heater and gasket.
  5. Remove the intake manifold tube bolts and nuts.
  6. Remove the intake manifold tube.
  7. Remove the intake manifold tube gaskets.

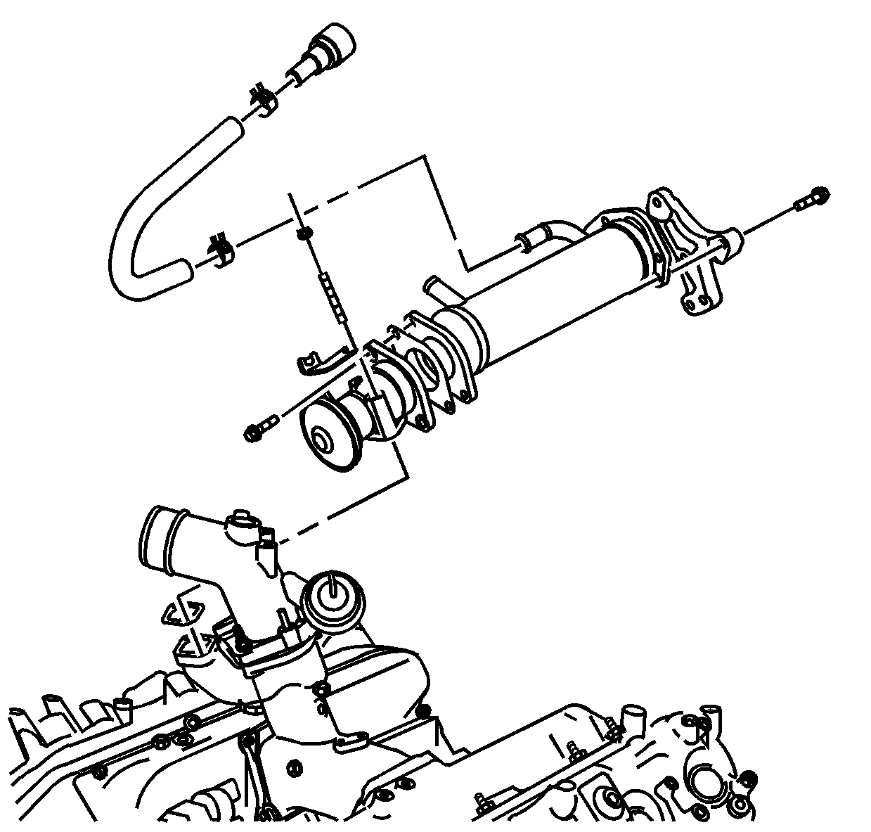
Intake Manifold Tube Removal California Emissions


    Object Number: 798898  Size: SH
  1. Remove the turbocharger boost sensor bracket bolt.
  2. Remove the turbocharger boost sensor with bracket.
  3. Remove the intake air heater and gasket.

  4. Object Number: 798899  Size: SH
  5. Remove the EGR cooling hose clamps.
  6. Remove the EGR cooling hose.
  7. Remove the EGR bolts and nuts.
  8. Remove the EGR cooler bracket bolts.
  9. Remove the EGR cooler bracket.
  10. Remove the EGR and cooler.

  11. Object Number: 798900  Size: SH
  12. Remove the intake manifold tube bolts and nuts.
  13. Remove the intake manifold tube.
  14. Remove the intake manifold tube gaskets.