GM Service Manual Online
For 1990-2009 cars only

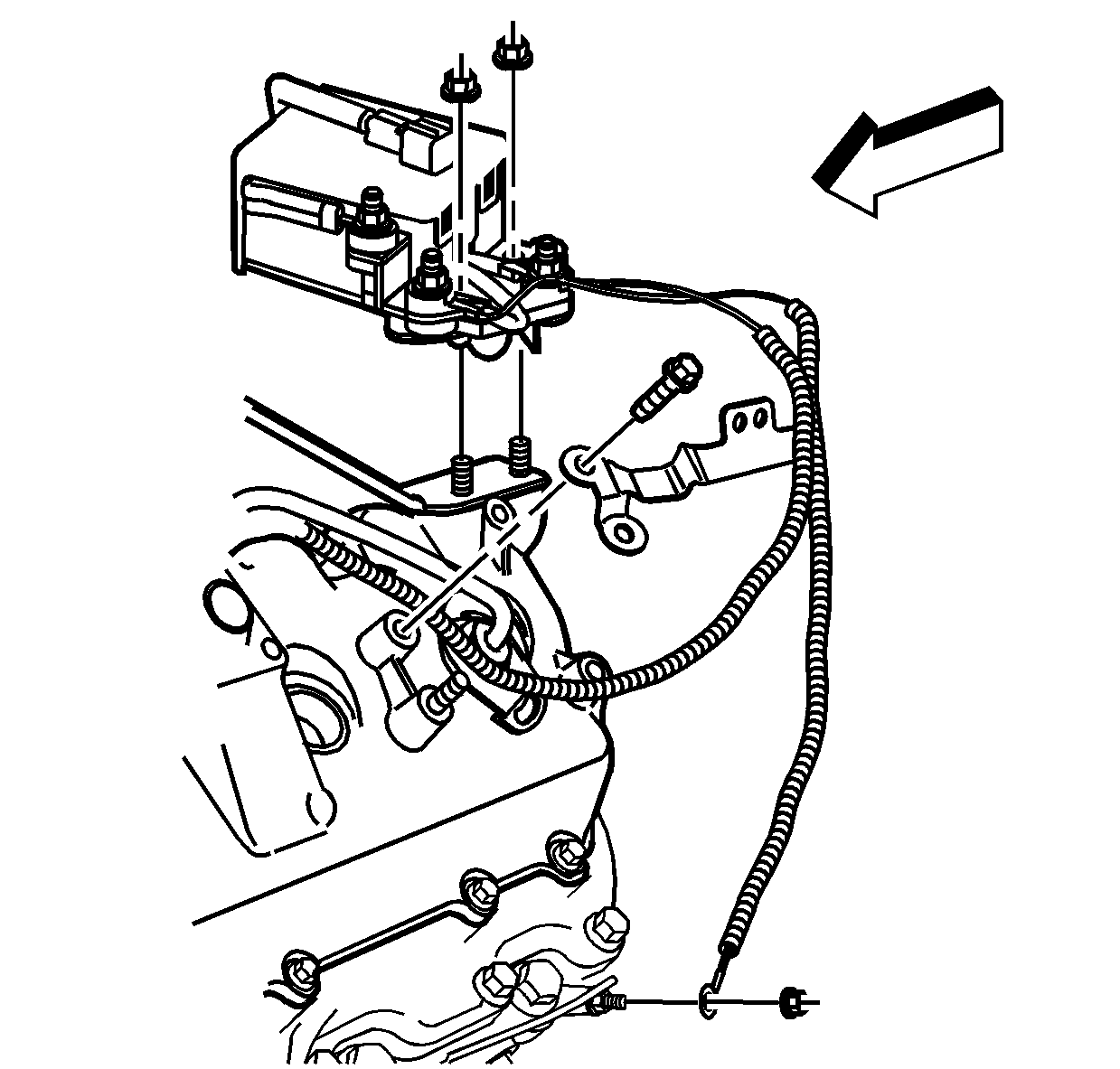
    Object Number: 798879  Size: SH
  1. Remove the intake air heater connector.

  2. Object Number: 660433  Size: SH
  3. Remove the glow plug harness bracket bolt.
  4. Remove the glow plug harness nut from the left cylinder bank.
  5. Remove the glow plug power feed wires from both cylinder banks.
  6. Remove the glow plug controller nuts.
  7. Remove the glow plug controller.

  8. Object Number: 660492  Size: SH
  9. Remove the glow plug harness nuts from the left cylinder bank.
  10. Remove the glow plug harness from the left cylinder bank - 1 California, 2 Federal.
  11. Remove the glow plugs from the left cylinder bank.

  12. Object Number: 660512  Size: SH
  13. Remove the glow plug harness nuts from the right cylinder bank.
  14. Remove the glow plug harness from the right cylinder bank - 1 California, 2 Federal.
  15. Remove the glow plugs from the right cylinder bank.