GM Service Manual Online
For 1990-2009 cars only
Makes
🢒
Chevrolet
🢒
2002
🢒
Express
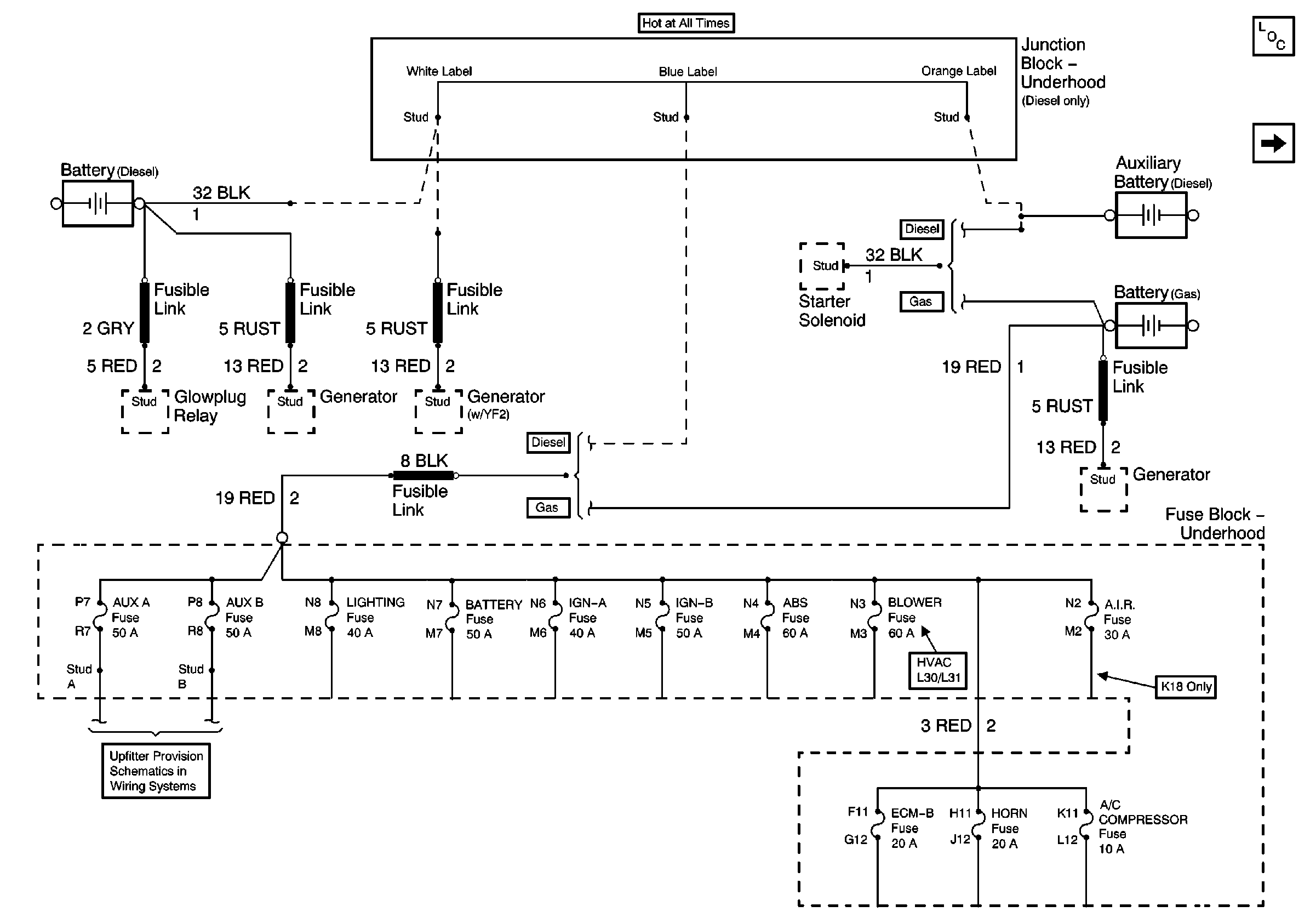
🢒 Battery, Auxiliary Battery, and Underhood Fuse/Relay Center
Battery, Auxiliary Battery, and Underhood Fuse/Relay Center
Battery, Auxiliary Battery, and Underhood Fuse/Relay Center
Master Electrical Component List
Lighting and Battery Fuses
Upfitter Provision Schematics