GM Service Manual Online
For 1990-2009 cars only
Makes
🢒
Chevrolet
🢒
2002
🢒
Express
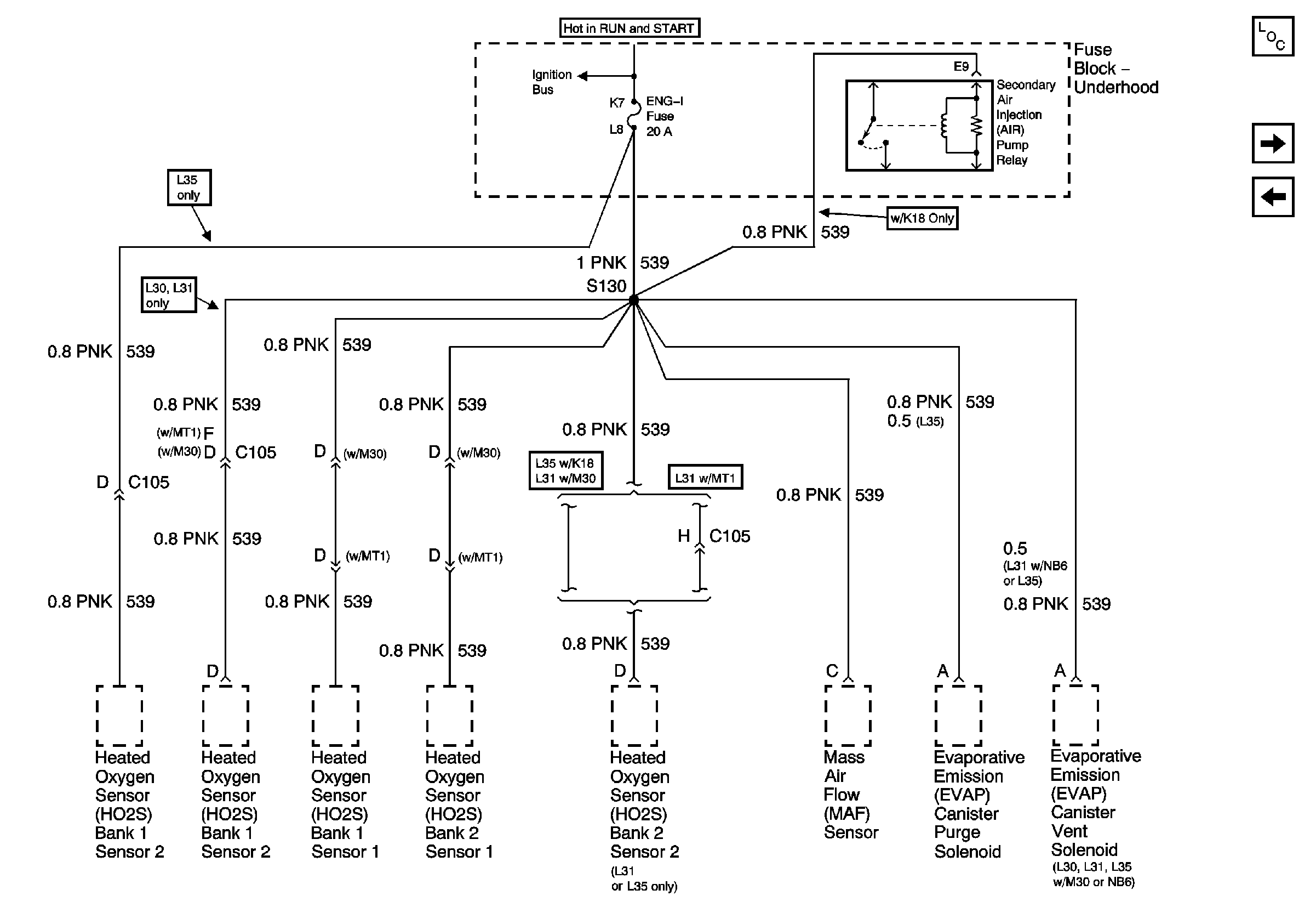
🢒 Engine 1 Fuse - 4.3L, 5.0L, and 5.7L
Engine 1 Fuse - 4.3L, 5.0L, and 5.7L
Engine 1 Fuse - 4.3L, 5.0L, and 5.7L
Master Electrical Component List
Engine 1 Fuse - 6.5L and 8.1L
ECM B, Horn, and A/C Fuses