GM Service Manual Online
For 1990-2009 cars only
Makes
🢒
Chevrolet
🢒
2002
🢒
Express
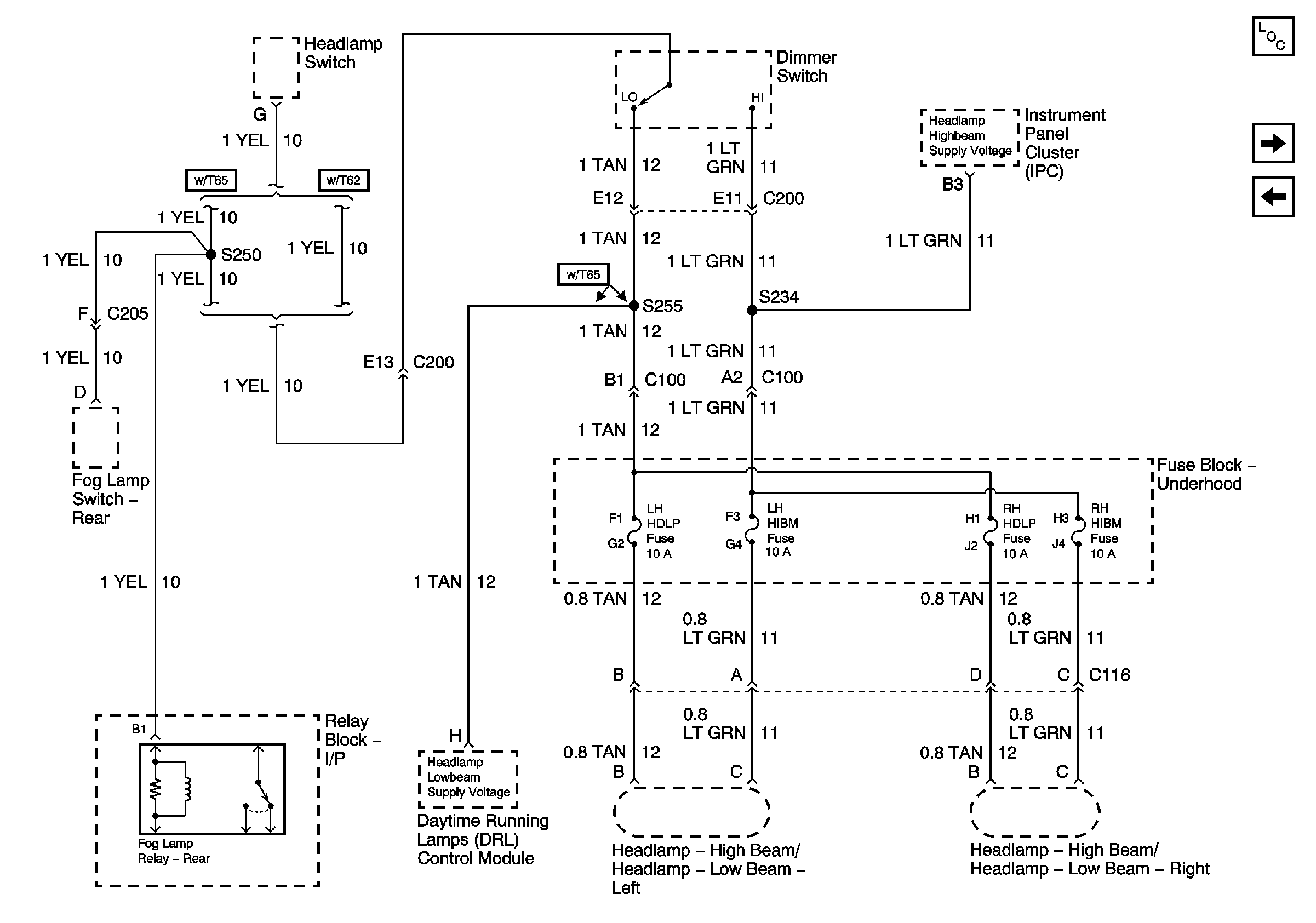
🢒 Left/Right Headlamps, Left/Right High Beam Fuses
Left/Right Headlamps, Left/Right High Beam Fuses
Left/Right Headlamps, Left/Right High Beam Fuses
Master Electrical Component List
Power Windows, Heated Mirrors, Rear Defogger, and Hazard Fuses
ECM 1 and Ignition E Fuses - 8.1L